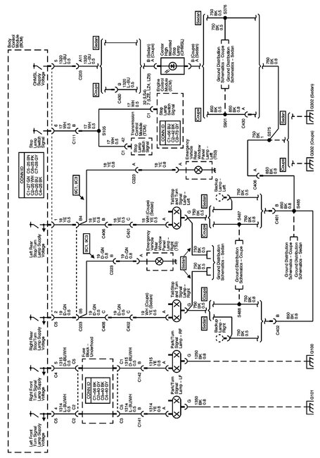
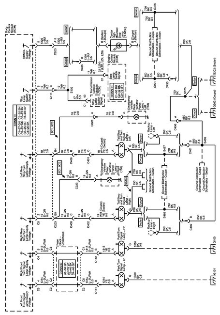
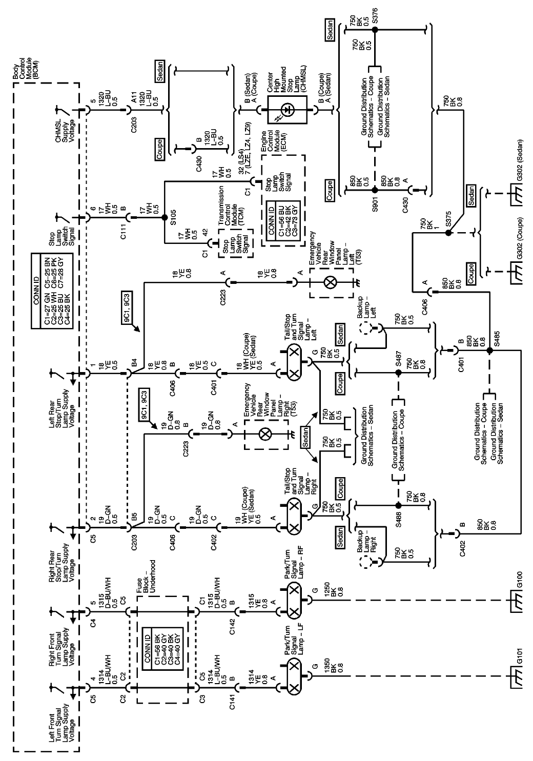
Third stop light on trunk inoperative. It has 5.6 volts to board for LED's, but they do not even light up with tail lights or brake lights.
Nov 27, 2017 at 8:35 PM
Advertisement
STEVE W.
CERTIFIED EXPERT
15,113 POSTS
Should be getting battery voltage, not five volts. Most likely issue would be a bad connection or broken/corroded connection. The wires tend to fail where they flex near the hinges.