Third row brake light and rear passenger light not working

2003 CADILLAC ESCALADE EXT
135,000 MILES • 6.0L • V8 • 2WD • AUTOMATIC
Avatar
HARRISONX4
  • MEMBER
  • 3 POSTS
Both just brought to my attention. Replaced bulb in rear passenger side. No change. Note: running light works. Replaced fuse in fuse box located under the hood. Still no change. Note: all other lights are working.
Nov 24, 2019 at 3:08 PM
Advertisement
Avatar
STRAILER
  • CERTIFIED EXPERT
  • 53,855 POSTS
Hello,

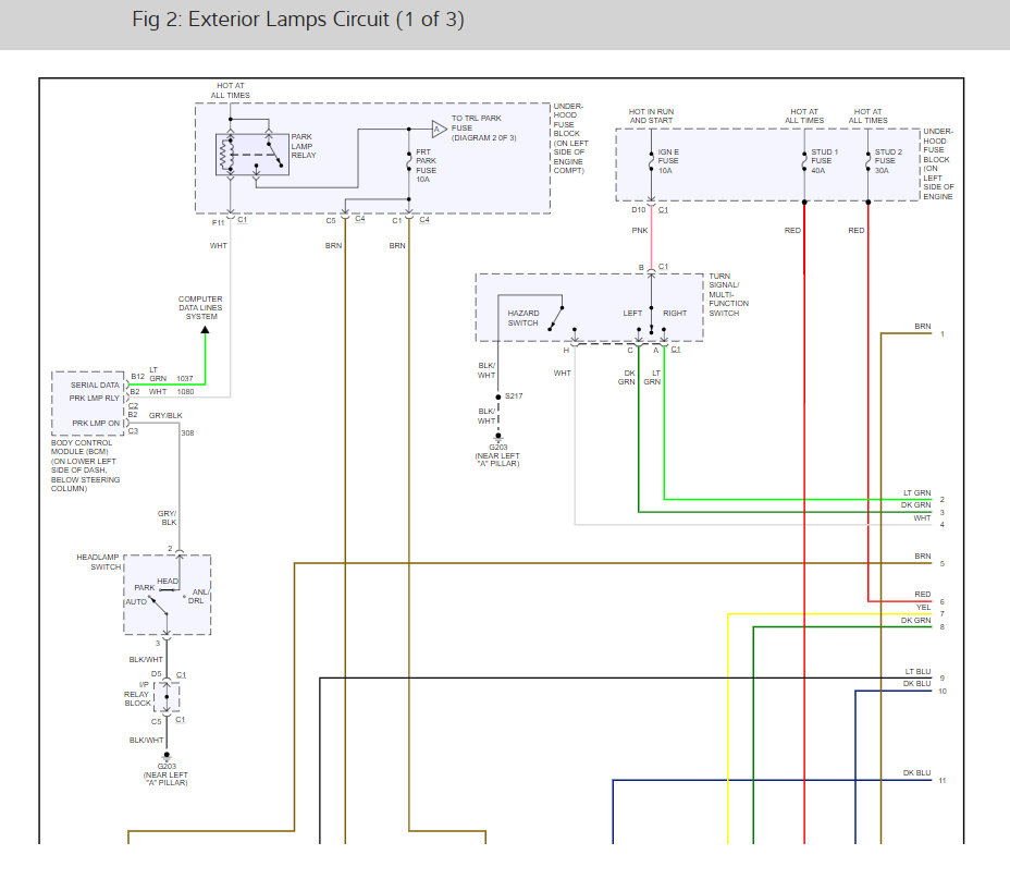
I have seen the turn signal module cause this issue. here is the location so you can replaced it. Check out the diagrams (below). Please let us know if you need anything else to get the problem fixed.
Nov 26, 2019 at 2:01 PM
Avatar
HARRISONX4
  • MEMBER
  • 3 POSTS
Ken,

Thank you for the reply. After researching the specific module it seems to be a problem for this year vehicle as well as for other cars mfg by GM.

Am I correct that the recommendation is to replace the part first and that it is located behind the interior driver’s side fuse box; accessible from under the dash? Hard to tell in the diagram and a mechanic I am not.
Nov 27, 2019 at 3:24 PM
Advertisement
Avatar
STRAILER
  • CERTIFIED EXPERT
  • 53,855 POSTS
Yes you can get to it from under the dash it looks like it could be on the rear of the fuse panel. Can you please shoot a quick video with your phone so we can see what's going on? that would be great. You can upload it here with your response.
Dec 1, 2019 at 12:27 PM
Avatar
HARRISONX4
  • MEMBER
  • 3 POSTS
Replaced the flasher module GM Part #10383331 (2/4-W/OPT.Trailering) with no change to the 3rd brake light or rear brake light. All other lights,signals and flashers working fine.
Dec 2, 2019 at 7:20 PM
Avatar
STRAILER
  • CERTIFIED EXPERT
  • 53,855 POSTS
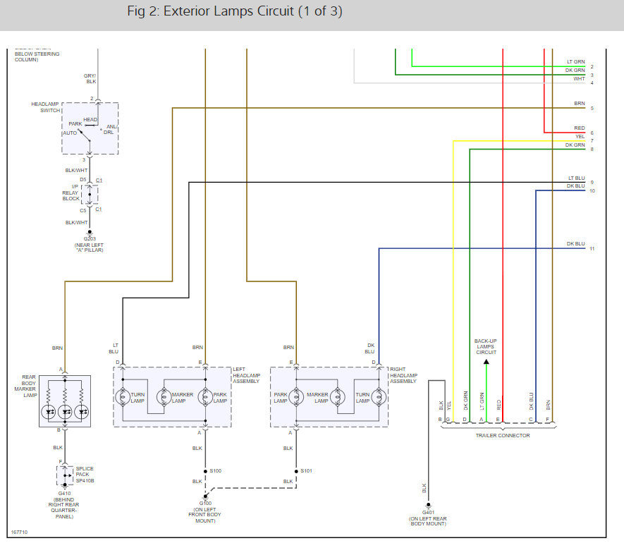
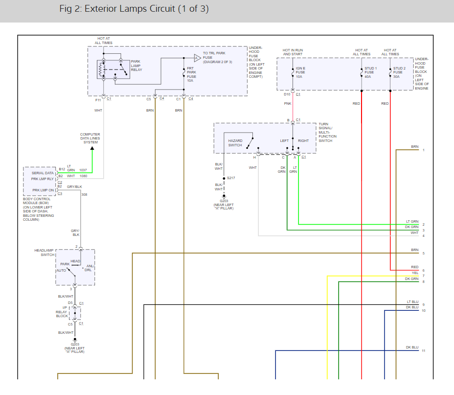
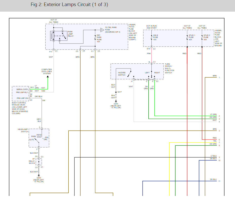
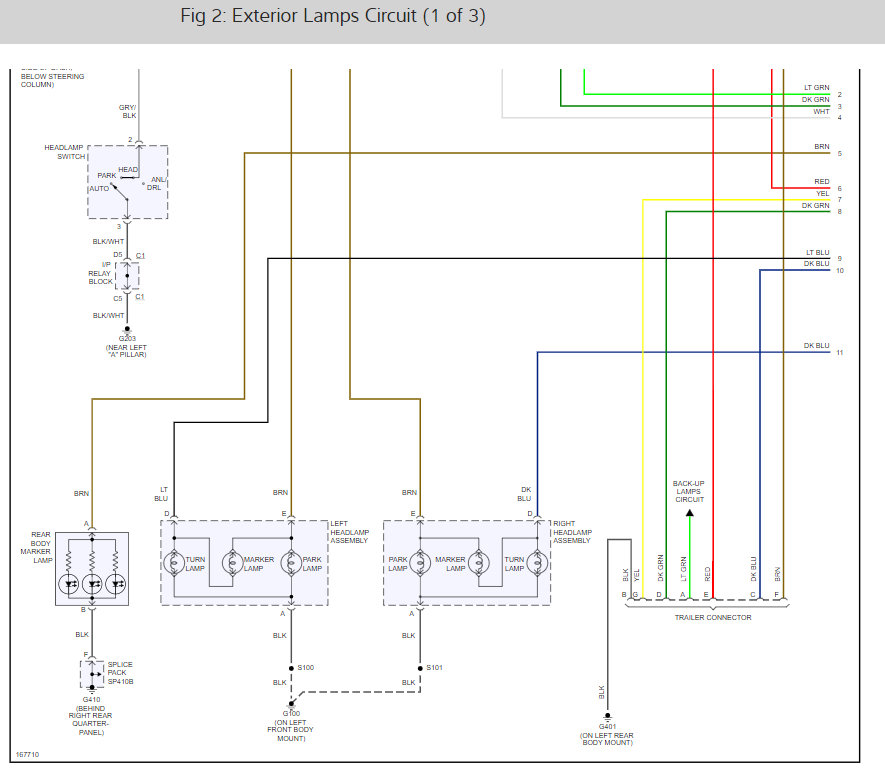
Thanks for the videos. :) I knew you said you replace the fuse but there is a VEH CHMSL Fuse in the dash fuse panel we need to check for power. Here is a guide and the location of the fuse with the brake light and blinker wiring diagrams so you can see how the system works:

https://www.2carpros.com/articles/how-to-check-a-car-fuse

Check out the diagrams (below). Please let us know what you find.
Dec 4, 2019 at 12:12 PM