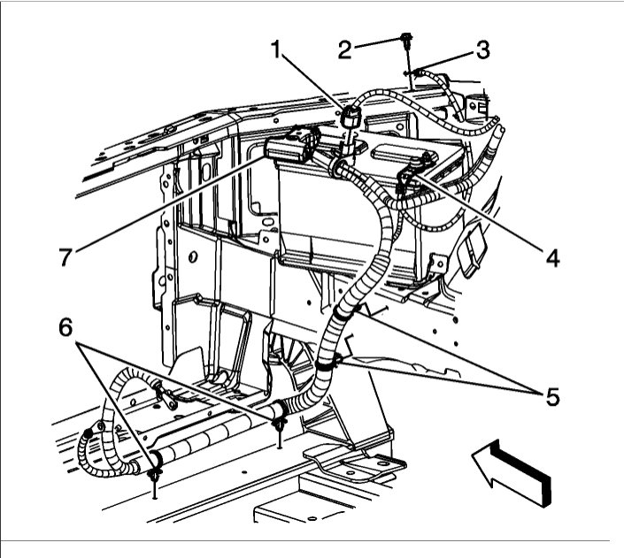
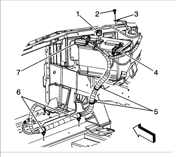
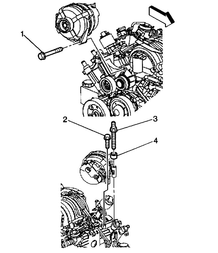
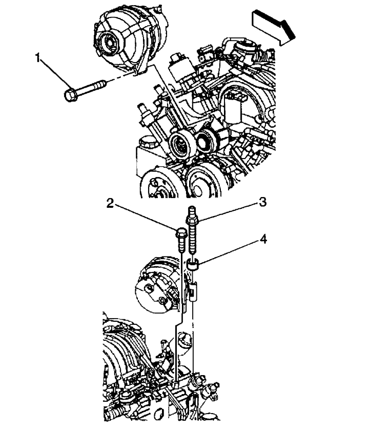
Today my battery died pretty randomly. We were sitting in the car using battery power, but not really long enough to cause the battery to die I would think. And the dash board showed the battery light, and screen said "service battery charging system" and "battery saving mode"We got a jump, and the "battery saving mode" notification turned off, but the battery light remained on as well as the "service battery charging system" notification.
Had battery and alternator tested as soon as we got the car started, and everything tested fine. So the battery and the alternator are not the issue.
So I am trying to find out why the light and notification is still on. I read some things about a voltage regulator, and some other stuff. Could this be a code that just needs to be cleared or should I have other things looked at?
Had battery and alternator tested as soon as we got the car started, and everything tested fine. So the battery and the alternator are not the issue.
So I am trying to find out why the light and notification is still on. I read some things about a voltage regulator, and some other stuff. Could this be a code that just needs to be cleared or should I have other things looked at?
Dec 1, 2019 at 5:27 PM




























