30 amp fuse blown

2004 GMC ENVOY
158,000 MILES • 6 CYL • 4WD • AUTOMATIC
Avatar
BLUE STRAT
  • MEMBER
  • 2 POSTS
The 30 amp fuse for the rear lift-gate keeps blowing. The latch actuator assembly has been replaced. I unplugged all connections in the lift-gate and the fuse still blows. I have disconnected my battery and installed the fuse and when I connected the battery the fuse blew. I have also checked the 10 amp fuse located in slot 19 and it is good. The 30 amp fuse is located in slot 3 of the under seat fuse box. What is the problem? The original problem was the lift-gate would not close and the cabin lights would stay on. So I replaced the actuator assembly thinking this would fix the problem. Also, my key fob would lock all the doors and now it doesn't.
Mar 21, 2020 at 5:28 PM
Advertisement
Avatar
KASEKENNY
  • CERTIFIED EXPERT
  • 18,907 POSTS
Okay. This fuse is the battery feed to the control module. So take a look through the list of things on this control module and make sure that each of the components are unplugged which includes the power roof module (assuming you have one).

The issue is what you are chasing which is something is shorted drawing more then 30 amps and it is blowing the fuse. It could be a wire that is grounding out but if we remove the component that this wire is running to then it should stop popping the fuse.

As I said, just make sure each of these components are unplugged and the roof module and we can go from there.
Mar 21, 2020 at 5:43 PM
Avatar
BLUE STRAT
  • MEMBER
  • 2 POSTS
I disconnected all connectors to the modules and the 30 amp fuse still blew. I've checked the wiring to all the modules as best I could and do not see any broken or damaged. I'm wondering if it might be between the battery and the under the rear seat fuse box, and if so what could it be? I've also checked all of the fuses for any blown and haven't found any that are blown. And also I would like to thank you for assisting me with this issue.
Mar 23, 2020 at 7:13 PM
Advertisement
Avatar
ASEMASTER6371
  • CERTIFIED EXPERT
  • 52,796 POSTS
Good morning,

Did you disconnect the engine control module and see if the fuse still fails?

If it does still fail, then you have a wiring issue between the fuse and the module. That would require inspection of the harness to look for damage or a shorted wire.

https://www.2carpros.com/articles/how-to-check-wiring

If it does not fail, then it is an internal short in the engine control module and it will have to be replaced.

Roy

POWERTRAIN CONTROL MODULE (PCM) REPLACEMENT

Service of the powertrain control module (PCM) should normally consist of either replacement of the PCM or electrically erasable programmable read only memory (EEPROM) programming. If the diagnostic procedures call for the PCM to be replaced, the PCM should be inspected first to see if the correct part is being used. If the correct part is being used, remove the faulty PCM and install the new service PCM.

IMPORTANT:
To prevent internal PCM damage, the ignition must be OFF when disconnecting or reconnecting power to the PCM. For example, when working with a battery cable, PCM pigtail, PCM fuse, or jumper cables.
Remove any debris from the PCM connector surfaces before servicing the PCM. Inspect the PCM module connector gaskets when diagnosing or replacing the PCM. Ensure that the gaskets are installed correctly. The gaskets prevent contaminant intrusion into the PCM.

Removal Procedure


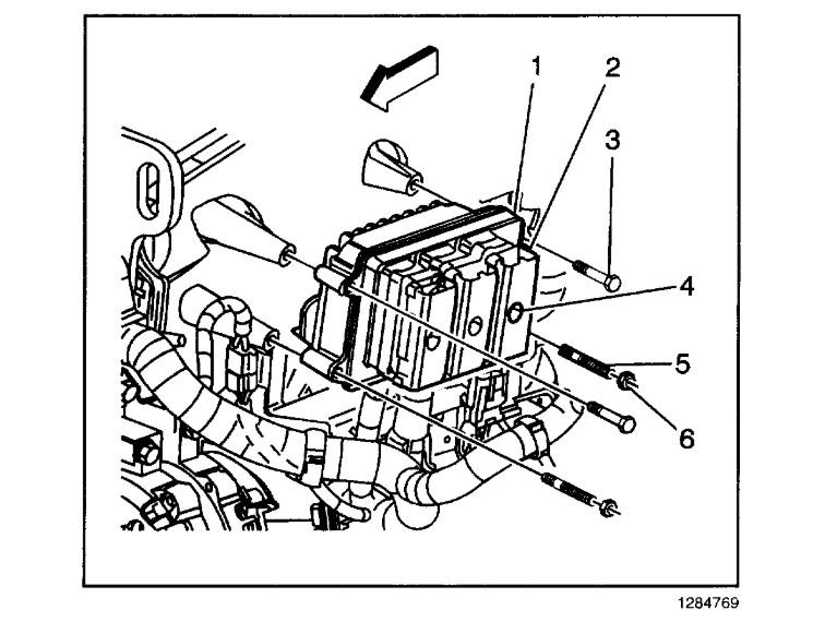
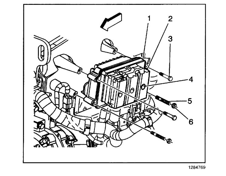
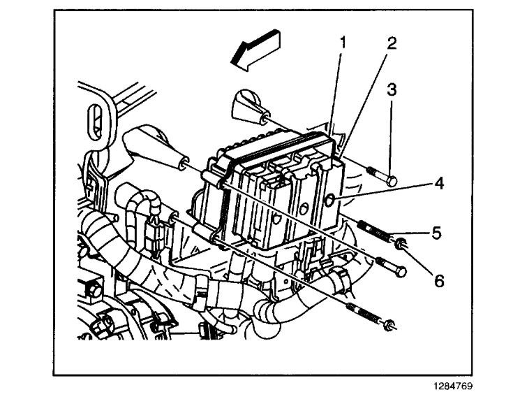
imageOpen In New TabZoom/Print

1. Loosen the PCM harness connector bolts (4) from the center of the PCM harness connectors.

NOTE: In order to prevent internal damage to the PCM, the ignition must be OFF when disconnecting or reconnecting the PCM connector.

2. Remove the PCM harness connectors (2) from the PCM (1).
3. Remove the PCM retaining bolts (3) and nuts (6).

NOTE: Refer to PCM and ESD Notice in Service Precautions.

4. Slide the PCM (1) away from the intake manifold past the mounting studs (5) and remove PCM from the vehicle.
5. Remove the PCM mounting studs (5) from the intake manifold ONLY if replacing the studs.
Mar 24, 2020 at 4:35 AM