☰
Login
Join
×
Home
Answered Questions
Repair Topics
Repair & Service Guides
Popular Questions
Warning Lights
Trouble Codes
How It Works
Testing / Diagnostics
Symptoms
Videos
Login
Become a Member
Home
Nissan
Pathfinder
Electrical
Fuse Panel
3 relays behind kick panel
1995 NISSAN PATHFINDER
180,000 MILES • 3.0L • 6 CYL • 2WD • AUTOMATIC
BALLYHOOO
MEMBER
7 POSTS
FOLLOW
Need to know what the 3 relays are above fuse box drivers side?
Jan 25, 2019 at 7:48 AM
Advertisement
ASEMASTER6371
CERTIFIED EXPERT
52,796 POSTS
Good morning
Can you post a picture of the relay panel?
Roy
Jan 25, 2019 at 8:00 AM
BALLYHOOO
MEMBER
7 POSTS
Did you get the pics?
Jan 25, 2019 at 2:03 PM
Advertisement
BALLYHOOO
MEMBER
7 POSTS
Here they are again
Images (Click to enlarge)
Jan 25, 2019 at 2:05 PM
ASEMASTER6371
CERTIFIED EXPERT
52,796 POSTS
I attached a diagram for you that identifies the 3 relays.
Roy
Images (Click to enlarge)
Jan 25, 2019 at 2:11 PM
BALLYHOOO
MEMBER
7 POSTS
Good morning! Still have a no crank issue. The relays checked out good. Is there a way to bypass the park/neutral switch on the transmission?
Feb 2, 2019 at 5:22 AM
ASEMASTER6371
CERTIFIED EXPERT
52,796 POSTS
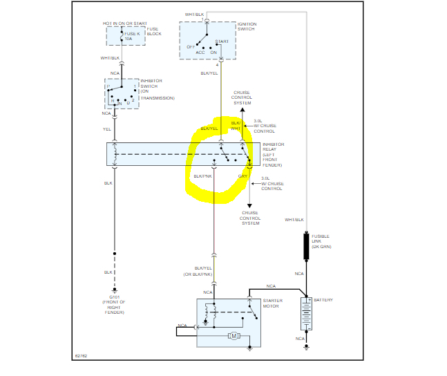
I attached a diagram for you to view. The terminals I circled are where you need to jump at the relay.
Roy
Image (Click to enlarge)
Feb 2, 2019 at 5:26 AM
BALLYHOOO
MEMBER
7 POSTS
I've already replaced the (gray) inhibitor relay with new one. Do I still need to jump it?
Feb 2, 2019 at 5:42 AM
BALLYHOOO
MEMBER
7 POSTS
Okay, I jumped the relay across #6 and #7 and it started right up. Let it run awhile, shut it off and no crank! Any other items I can check?
So far this is what I've replaced:
Battery, ignition switch, inhibitor relay, starter (two years old).
Feb 2, 2019 at 7:59 AM
ASEMASTER6371
CERTIFIED EXPERT
52,796 POSTS
Okay, when you are at the relay, is the one terminal from the ignition switch have power with the key in the start position?
If it does, you may have a bad ground for the relay.
If it does not, then you have a wiring issue between the switch and the relay.
Roy
Feb 2, 2019 at 8:03 AM
BALLYHOOO
MEMBER
7 POSTS
It does have power from switch. so where is the relay grounded?
Feb 2, 2019 at 8:51 AM
ASEMASTER6371
CERTIFIED EXPERT
52,796 POSTS
It is grounded to the body itself.
Use a test light on the relay as a ground when someone turns the key to start.
Roy
Feb 2, 2019 at 12:58 PM