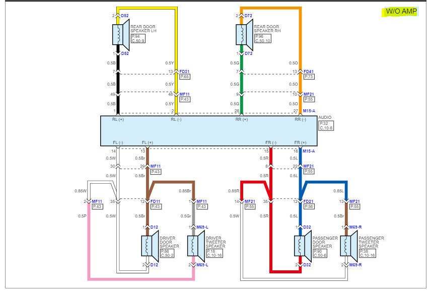
I want to replace the front speakers and dash tweeters. I know the tweeters are wired in parallel. I'm going with a component system. Where would I put the crossover? How do I get the wiring from the crossover to the door speakers and to the dash tweeters?
Thanks
Thanks
May 9, 2023 at 6:09 AM

