Where is the Trailer Fuse located?

2022 NISSAN PATHFINDER
5,000 MILES • 3.6L • 6 CYL • 4WD • AUTOMATIC
Avatar
DON HOPPER
  • MEMBER
  • 1 POST
The trailer lights are not working. I have tested the plug and the turn signals are working but not the taillights. Where would I find the fuse?
Jan 28, 2023 at 9:48 AM
Advertisement
Avatar
STRAILER
  • CERTIFIED EXPERT
  • 53,855 POSTS
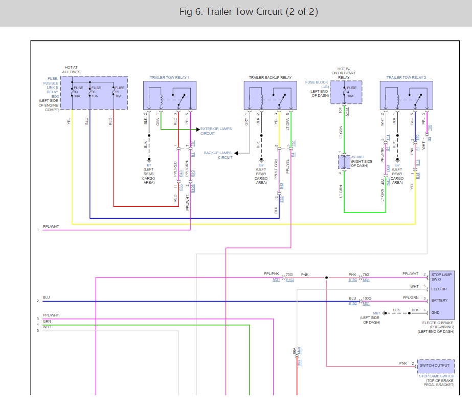
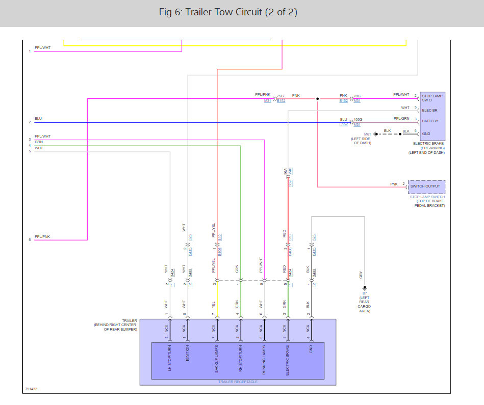
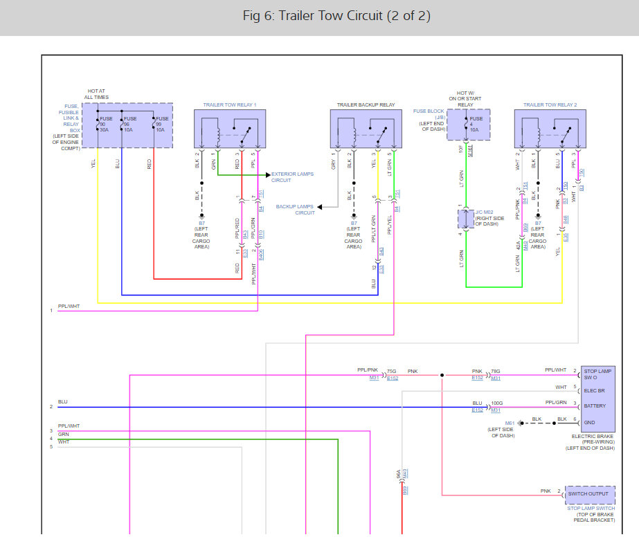
Yep, there are 7 fuses that run the trailer lighting system test fuse # 15 on the fuse panel on the left side of the dash, # 86 and fusible link L in the fuse panel under the hood on the left side and fuse # 90, 96 and 99 in the fuse panel under the hood on the right side. Here is a guide to help you test them and the fuse locations with the wiring diagrams so you can see how the system works.

https://www.2carpros.com/articles/how-to-check-a-car-fuse

Check out the images (below). Please let us know what you find. We are interested to see what it is.

Jan 29, 2023 at 12:32 PM