===PCM DTC None===
Successful DTC reading, no error codes found
Module: Powertrain Control Module
===END PCM DTC None===
===OBDII DTC None===
Successful DTC reading, no error codes found
Module: On Board Diagnostic II
===END OBDII DTC None===
===APIM DTC U3003:16-0B===
Code: U3003 - Battery Voltage
Additional Fault Symptom:
- Circuit Voltage Below Threshold
Status:
- DTC Present at Time of Request
- Malfunction Indicator Lamp is Off for this DTC
Module: Accessory Protocol Interface Module
===END APIM DTC U3003:16-0B===
===BdyCM DTC B1310:12-0A===
Code: B1310 - Run/Start Control
Additional Fault Symptom:
- Circuit Short To Battery
Status:
- DTC Present at Time of Request
- Malfunction Indicator Lamp is Off for this DTC
Module: Body Control Module
===END BdyCM DTC B1310:12-0A===
===BdyCM DTC B1D02:15-48===
Code: B1D02 - Left High Beam Circuit
Additional Fault Symptom:
- Circuit Short To Battery Or Open
Status:
- Previously Set DTC - Not Present at Time of Request
- Malfunction Indicator Lamp is Off for this DTC
- Test not complete
Module: Body Control Module
===END BdyCM DTC B1D02:15-48===
===BdyCM DTC B1D02:11-48===
Code: B1D02 - Left High Beam Circuit
Additional Fault Symptom:
- Circuit Short To Ground
Status:
- Previously Set DTC - Not Present at Time of Request
- Malfunction Indicator Lamp is Off for this DTC
- Test not complete
Module: Body Control Module
===END BdyCM DTC B1D02:11-48===
===BdyCM DTC B1323:11-48===
Code: B1323 - Horn Switch
Additional Fault Symptom:
- Circuit Short To Ground
Status:
- Previously Set DTC - Not Present at Time of Request
- Malfunction Indicator Lamp is Off for this DTC
- Test not complete
Module: Body Control Module
===END BdyCM DTC B1323:11-48===
===BdyCM DTC B115E:08-48===
Code: B115E - Camera Module
Additional Fault Symptom:
- Bus Signal/Message Failures
Status:
- Previously Set DTC - Not Present at Time of Request
- Malfunction Indicator Lamp is Off for this DTC
- Test not complete
Module: Body Control Module
===END BdyCM DTC B115E:08-48===
===BdyCM DTC U0131:87-48===
Code: U0131 - Lost Communication With Power Steering Control Module A
Additional Fault Symptom:
- Missing Message
Status:
- Previously Set DTC - Not Present at Time of Request
- Malfunction Indicator Lamp is Off for this DTC
- Test not complete
Module: Body Control Module
===END BdyCM DTC U0131:87-48===
===BECMB DTC U0100:87-48===
Code: U0100 - Lost Communication With ECM/PCM A
Additional Fault Symptom:
- Missing Message
Status:
- Previously Set DTC - Not Present at Time of Request
- Malfunction Indicator Lamp is Off for this DTC
- Test not complete
Module: Battery Energy Control Module B
===END BECMB DTC U0100:87-48===
===SODR DTC Error===
Unable to read DTC
Module: Side Obstacle Detection Control Module - Right
===END SODR DTC Error===
===SODL DTC Error===
Unable to read DTC
Module: Side Obstacle Detection Control Module - Left
===END SODL DTC Error===
===HUD DTC Error===
Unable to read DTC
Module: Head Up Display
===END HUD DTC Error===
===FCIM DTC B1C83:14-48===
Code: B1C83 - Rear Defog Relay
Additional Fault Symptom:
- Circuit Short To Ground Or Open
Status:
- Previously Set DTC - Not Present at Time of Request
- Malfunction Indicator Lamp is Off for this DTC
- Test not complete
Module: Front Controls Interface Module
===END FCIM DTC B1C83:14-48===
===FCIM DTC U0401:81-48===
Code: U0401 - Invalid Data Received from ECM/PCM A
Additional Fault Symptom:
- Invalid Serial Data Received
Status:
- Previously Set DTC - Not Present at Time of Request
- Malfunction Indicator Lamp is Off for this DTC
- Test not complete
Module: Front Controls Interface Module
===END FCIM DTC U0401:81-48===
===FCDIM DTC U3003:16-0F===
Code: U3003 - Battery Voltage
Additional Fault Symptom:
- Circuit Voltage Below Threshold
Status:
- DTC Present at Time of Request
- Malfunction Indicator Lamp is Off for this DTC
Module: Front Control/Display Interface Module
===END FCDIM DTC U3003:16-0F===
===OCS DTC U0401:00-2B===
Code: U0401 - Invalid Data Received from ECM/PCM A
Status:
- DTC Present at Time of Request
- Malfunction Indicator Lamp is Off for this DTC
Module: Occupant Classification System Module
===END OCS DTC U0401:00-2B===
===C-CM DTC Error===
Unable to read DTC
Module: Cruise-Control Module
===END C-CM DTC Error===
===ABS DTC U300A:29-AB===
Code: U300A - Ignition Switch
Additional Fault Symptom:
- Signal Invalid
Status:
- DTC Present at Time of Request
- Malfunction Indicator Lamp is On for this DTC
Module: Antilock braking system
Freeze Frame :
-GLOBTIM: 90289933 s - Global real time
-TOTDIST: 113219.0 km - Total Distance
-MAINECUV: 11.75 V - Main ECU voltage supply
-OUTTMP: 12 °C - External Temperature From Sensor
-POWER_MODE: Ignition on power mode - Power Mode Status
-ABS: Inactive - ABS
-AYC: Inactive - AYC
-BTCS: Inactive - BTCS -201D
-HDC: Inactive - HDC
-RSC: Inactive - RSC
-BTC: Inactive - BTC
-VAC_BST_ST: Inactive - Active Vacuum Booster State
-BST_REL_SW: Inactive - Booster Release Switch State
-HYD_PMP_ST: Inactive - Hydraulic Pump State
-VPWR_ABS: 11.80 V - Module supply voltage
-VSS: 0.0 km/h - Vehicle Speed
===END ABS DTC U300A:29-AB===
===RTM DTC None===
Successful DTC reading, no error codes found
Module: Radio Transceiver Module
===END RTM DTC None===
===PDM DTC U0233:00-48===
Code: U0233 - Lost Communication With Side Obstacle Detection Control Module B
Status:
- Previously Set DTC - Not Present at Time of Request
- Malfunction Indicator Lamp is Off for this DTC
- Test not complete
Module: Passengers Door Control Unit
===END PDM DTC U0233:00-48===
===DDM DTC U0232:00-48===
Code: U0232 - Lost Communication With Side Obstacle Detection Control Module A
Status:
- Previously Set DTC - Not Present at Time of Request
- Malfunction Indicator Lamp is Off for this DTC
- Test not complete
Module: Drivers Door Module
===END DDM DTC U0232:00-48===
===RCM DTC B00A0:68-AF===
Code: B00A0 - Occupant Classification System
Additional Fault Symptom:
- Event Information
Status:
- DTC Present at Time of Request
- Malfunction Indicator Lamp is On for this DTC
Module: Restraint Control Module
===END RCM DTC B00A0:68-AF===
===RCM DTC U0112:00-28===
Code: U0112 - Lost Communication With Battery Energy Control Module B
Status:
- Previously Set DTC - Not Present at Time of Request
- Malfunction Indicator Lamp is Off for this DTC
Module: Restraint Control Module
===END RCM DTC U0112:00-28===
===RCM DTC U0401:81-AF===
Code: U0401 - Invalid Data Received from ECM/PCM A
Additional Fault Symptom:
- Invalid Serial Data Received
Status:
- DTC Present at Time of Request
- Malfunction Indicator Lamp is On for this DTC
Module: Restraint Control Module
===END RCM DTC U0401:81-AF===
===RCM DTC U3003:16-28===
Code: U3003 - Battery Voltage
Additional Fault Symptom:
- Circuit Voltage Below Threshold
Status:
- Previously Set DTC - Not Present at Time of Request
- Malfunction Indicator Lamp is Off for this DTC
Module: Restraint Control Module
===END RCM DTC U3003:16-28===
===GSM DTC None===
Successful DTC reading, no error codes found
Module: Gear Shift Module
===END GSM DTC None===
===PSCM DTC Error===
Unable to read DTC
Module: Power Steering Control Module
===END PSCM DTC Error===
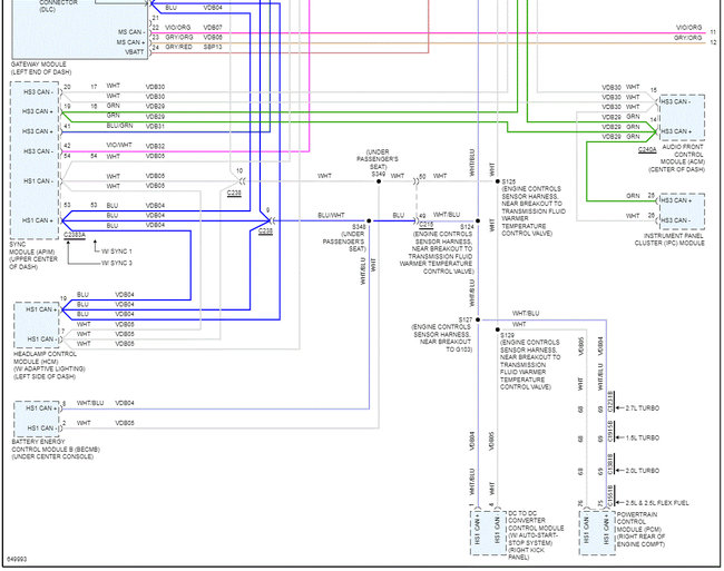
===ACM DTC U3003:16-0A===
Code: U3003 - Battery Voltage
Additional Fault Symptom:
- Circuit Voltage Below Threshold
Status:
- DTC Present at Time of Request
- Malfunction Indicator Lamp is Off for this DTC
Module: Audio Control Module
===END ACM DTC U3003:16-0A===
===SCCM DTC None===
Successful DTC reading, no error codes found
Module: Steering Column Control Module
===END SCCM DTC None===
===IPC DTC U0104:00-0A===
Code: U0104 - Lost Communication With Cruise Control Module
Status:
- DTC Present at Time of Request
- Malfunction Indicator Lamp is Off for this DTC
Module: Instrument Panel Control Module
===END IPC DTC U0104:00-0A===
===IPC DTC U0131:00-0A===
Code: U0131 - Lost Communication With Power Steering Control Module A
Status:
- DTC Present at Time of Request
- Malfunction Indicator Lamp is Off for this DTC
Module: Instrument Panel Control Module
===END IPC DTC U0131:00-0A===
===IPC DTC U0140:00-0A===
Code: U0140 - Lost Communication With Body Control Module
Status:
- DTC Present at Time of Request
- Malfunction Indicator Lamp is Off for this DTC
Module: Instrument Panel Control Module
===END IPC DTC U0140:00-0A===
===IPC DTC U0184:00-08===
Code: U0184 - Lost Communication With Radio
Status:
- Previously Set DTC - Not Present at Time of Request
- Malfunction Indicator Lamp is Off for this DTC
Module: Instrument Panel Control Module
===END IPC DTC U0184:00-08===
===IPC DTC U0401:81-0A===
Code: U0401 - Invalid Data Received from ECM/PCM A
Additional Fault Symptom:
- Invalid Serial Data Received
Status:
- DTC Present at Time of Request
- Malfunction Indicator Lamp is Off for this DTC
Module: Instrument Panel Control Module
===END IPC DTC U0401:81-0A===
===IPC DTC U3003:16-08===
Code: U3003 - Battery Voltage
Additional Fault Symptom:
- Circuit Voltage Below Threshold
Status:
- Previously Set DTC - Not Present at Time of Request
- Malfunction Indicator Lamp is Off for this DTC
Module: Instrument Panel Control Module
===END IPC DTC U3003:16-08===
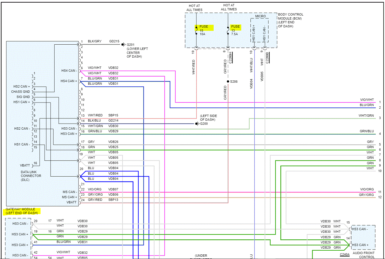
===GWM DTC None===
Successful DTC reading, no error codes found
Module: Gateway Module A
===END GWM DTC None===
===TRCM DTC P2534:00-AF===
Code: P2534 - Ignition Switch On/Start Position Circuit Low
Status:
- DTC Present at Time of Request
- Malfunction Indicator Lamp is On for this DTC
Module: Transmission Range Control Module
===END TRCM DTC P2534:00-AF===
===IPMA DTC B12D8:13-68===
Code: B12D8 - Mirror Heater Output
Additional Fault Symptom:
- Circuit Open
Status:
- Previously Set DTC - Not Present at Time of Request
- Malfunction Indicator Lamp is Off for this DTC
- Test not complete
Module: Image Processing Module A
===END IPMA DTC B12D8:13-68===
===GPSM DTC U3003:16-8A===
Code: U3003 - Battery Voltage
Additional Fault Symptom:
- Circuit Voltage Below Threshold
Status:
- DTC Present at Time of Request
- Malfunction Indicator Lamp is On for this DTC
Module: Global Positioning System Module
===END GPSM DTC U3003:16-8A===
Jan 5, 2022 at 8:29 AM