Do the lights for the gear inductors work? if not then it sounds like the gear range sensor is not working correctly and it needs to be replaced here is the location in the images below. If the inductor light work then we need to do a CAN scan because there are a few modules that can cause this problem included the BCM, you can get a CAN scanner (Controller Area Network) from Amazon for about $36.00.
Here is a video to show you how:
https://youtu.be/u-4syLc-ifQ
and
https://www.2carpros.com/articles/can-scan-controller-area-network-easy
Amazon CAN scanner link for about $36.00.
https://amzn.to/3R9lJ60
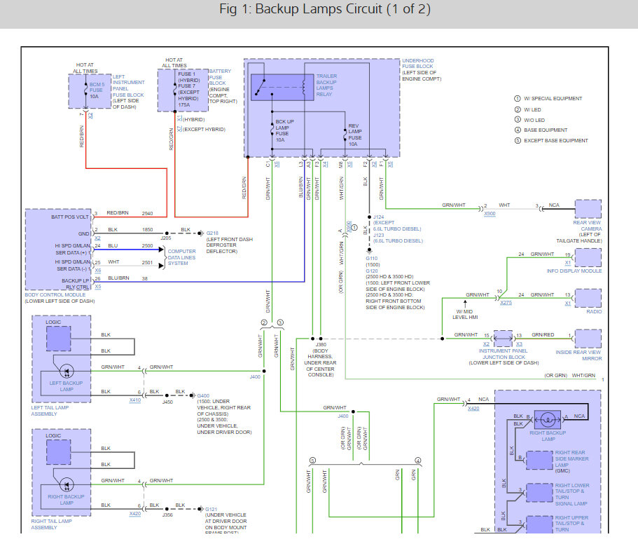
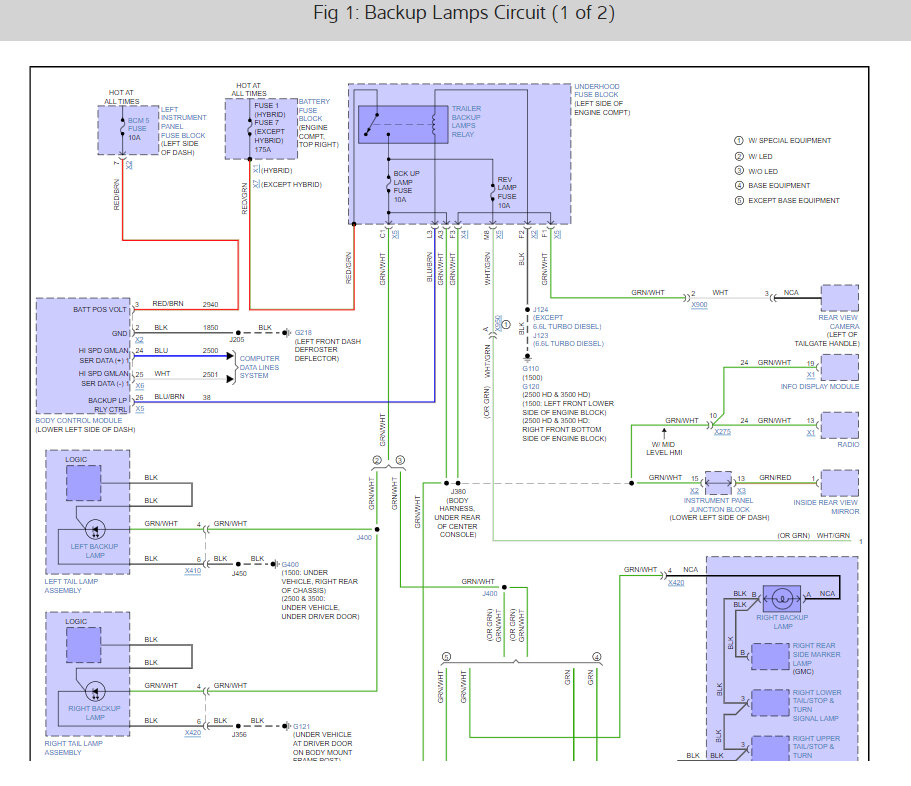
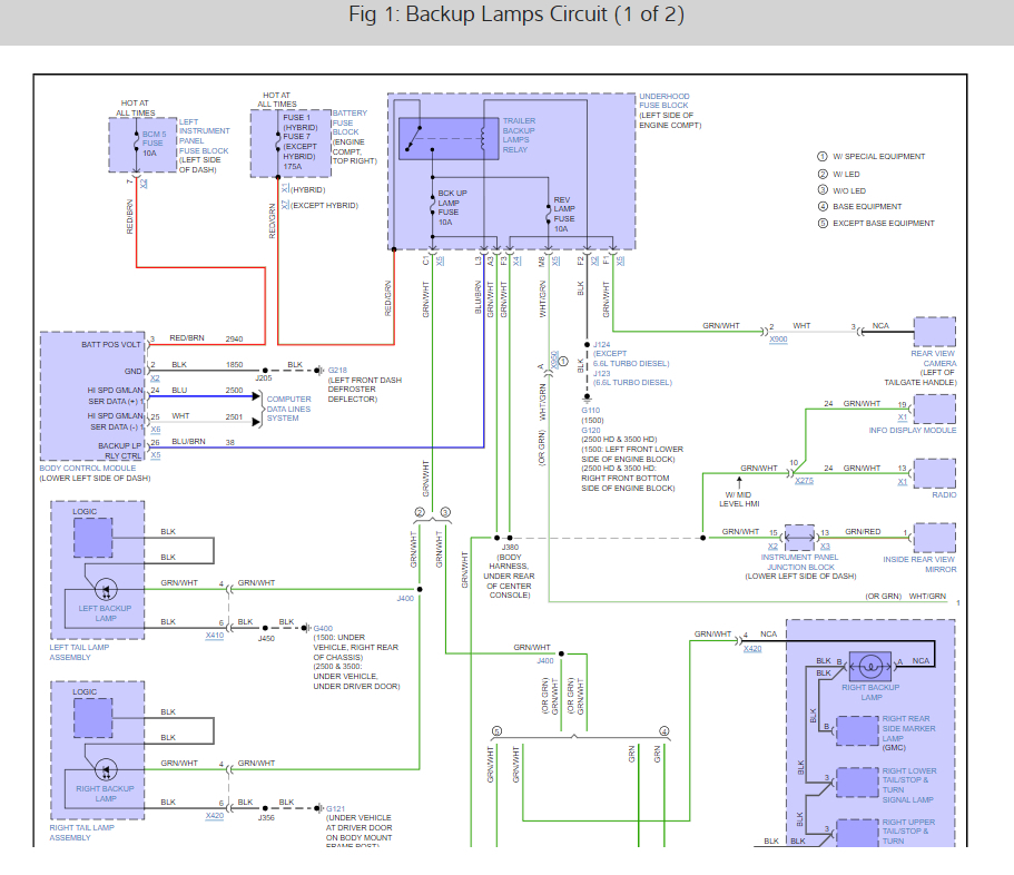
I have also included the wiring diagrams for the reverse lights so you can see how the system works. Check out the images (below). Let us know what happens and please upload pictures or videos of the problem.
Images (Click to enlarge)
Nov 3, 2022 at 11:32 AM