FE stock radio wiring diagram needed?

2018 KIA OPTIMA
90,000 MILES • 4 CYL • 2WD • AUTOMATIC
Avatar
AARON75
  • MEMBER
  • 1 POST
The vehicle listed above is an LE mode. Looking for a wiring diagram for the vehicle listed. The display is the stock display, has android auto and apple car play. Has UVO availability as well.
Mar 19, 2025 at 4:45 PM
Advertisement
Avatar
STRAILER
  • CERTIFIED EXPERT
  • 53,855 POSTS
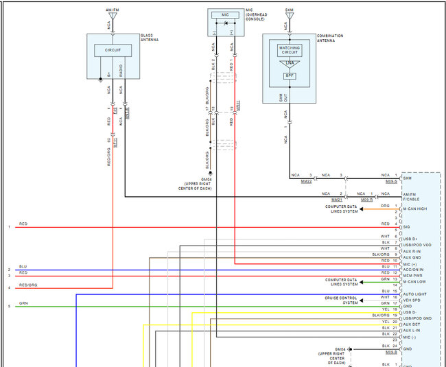
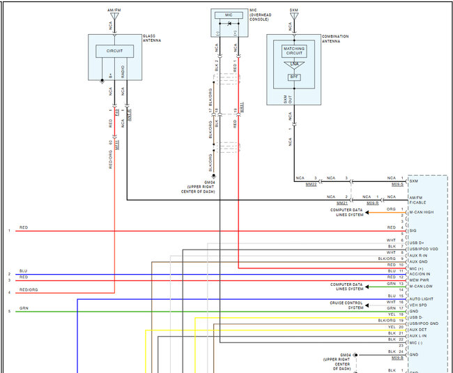
Sure, here are the wiring diagrams for the radio with amplifier and UVO. Check out the images (below). Let us know if you need anything else.
Mar 21, 2025 at 10:50 AM