Trouble starting

2015 HONDA FIT
300 MILES • 4 CYL • MANUAL
Avatar
ELLYKFANT
  • MEMBER
  • 1 POST
I have the car listed above it is brand new (EX model). It has key less starter and I often have trouble starting the car even when it is not cold. I have brought it back to the dealer twice and they have no idea. One tech told me to hold the fob right next to the starter button but that did not help at least once. Every time I had trouble it did eventually start and it does not happen a lot but often enough to be a problem.
Mar 20, 2015 at 10:51 AM
Advertisement
Avatar
KHLOW2008
  • CERTIFIED EXPERT
  • 41,814 POSTS
It sounds like the key less control unit in the steering column is having a problem receiving the signal. A shop will need to program in a new one to fix the car it should cost about $300.00 to have fixed.

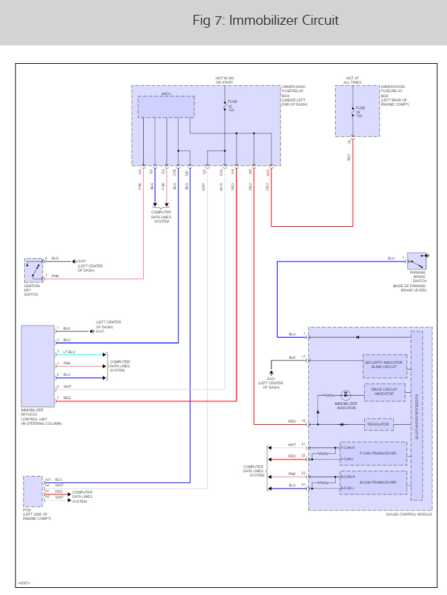
Here is the key less wiring diagram so you can see how the system works:

Check out the diagrams (below).

Please let us know what you find. We are interested to see what it is.

Cheers
Mar 20, 2015 at 12:38 PM
Avatar
WUPHAM
  • MEMBER
  • 1 POST
Yes, this was the problem with my car. :(
May 2, 2018 at 11:28 AM
Advertisement