Transmission fluid change

2014 CHEVROLET EQUINOX
74,000 MILES • 2.4L • 4 CYL • FWD • AUTOMATIC
Avatar
JOHNPORTER23
  • MEMBER
  • 1 POST
Hi, I want to service my transmission myself I cannot find much information online. I found the drain plug but cannot figure out how to fill and check level as there is no dipstick. I do not know if there is anything else to be done after I change the fluid such as a gasket or what would be the best fluid to put back in? Thanks for the help.
Oct 5, 2015 at 10:21 AM
Advertisement
Avatar
STRAILER
  • CERTIFIED EXPERT
  • 53,855 POSTS
Hello,

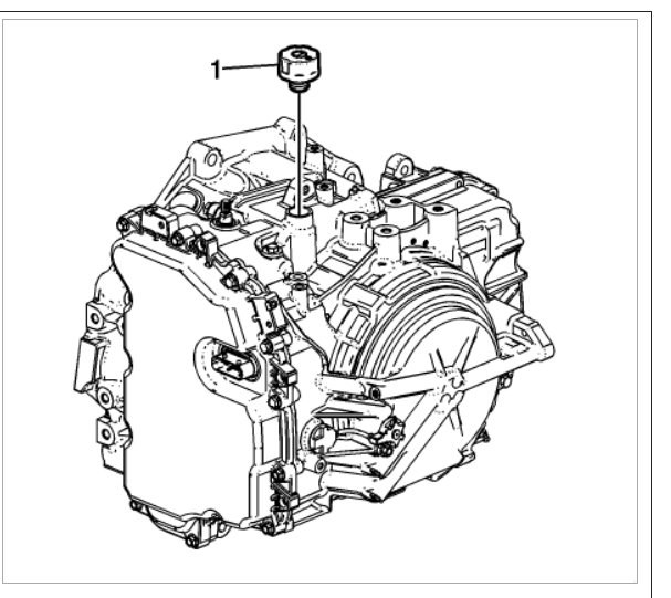
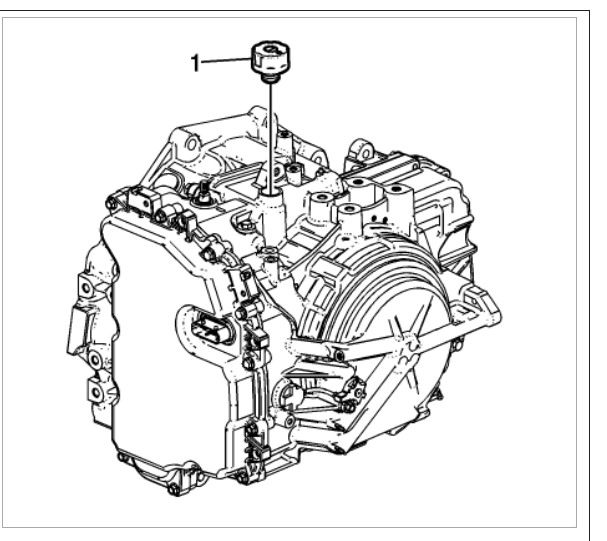
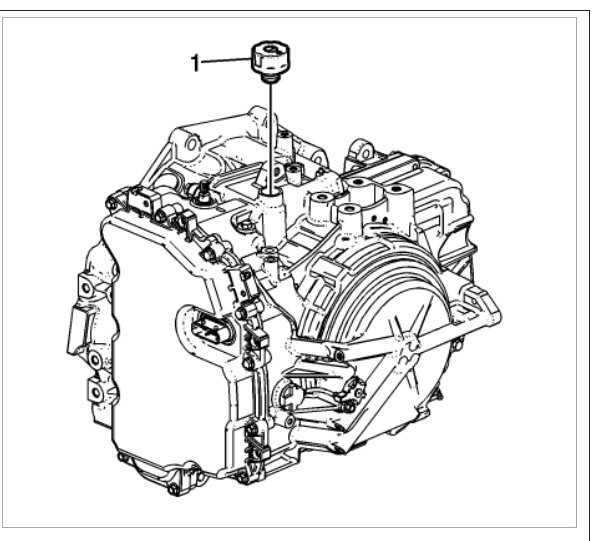
This transmission doesn't not have a stick it has a small plug by the axle output shafts. The fill cap is used for adding and when the fluid spills out the the small plug the transmission is full. There is no serviceable filter as well. Here is a guide that will give you an idea of what you are in for when doing the job.

https://www.2carpros.com/articles/how-to-service-an-automatic-transmission

Automatic Transmission Fluid DEXRON VI
U.S. GM Part Number 88861037
Canada GM Part Number 19264717

Transaxle - 6T40 / 6T45 / 50
- Valve Body Cover Removal 5.3 - 7.4 Quarts (5.0 - 7.0 Liters)
- Fluid Change - Drain Plug 4.2 - 6.3 Quarts (4.0 - 6.0 Liters)
- Overhaul 8.5 - 9.0 Quarts (8.0 - 8.5 Liters)
Transaxle - 6T70
- Valve Body Cover Removal 5.3 - 7.4 Quarts (5.0 - 7.0 Liters)
- Fluid Change - Drain Plug 4.2 - 6.3 Quarts (4.0 - 6.0 Liters)
- Overhaul 7.4 - 9.5 Quarts (7.0 - 9.0 Liters)

Here is how it its done on your car (below)

Check out the diagrams (Below)

Please let us know if you need anything else to get the problem fixed.

Cheers, Ken
Dec 19, 2017 at 6:20 PM