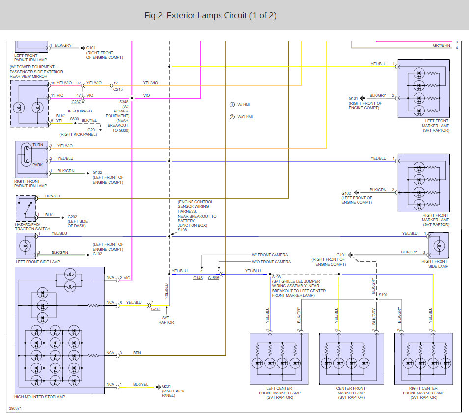
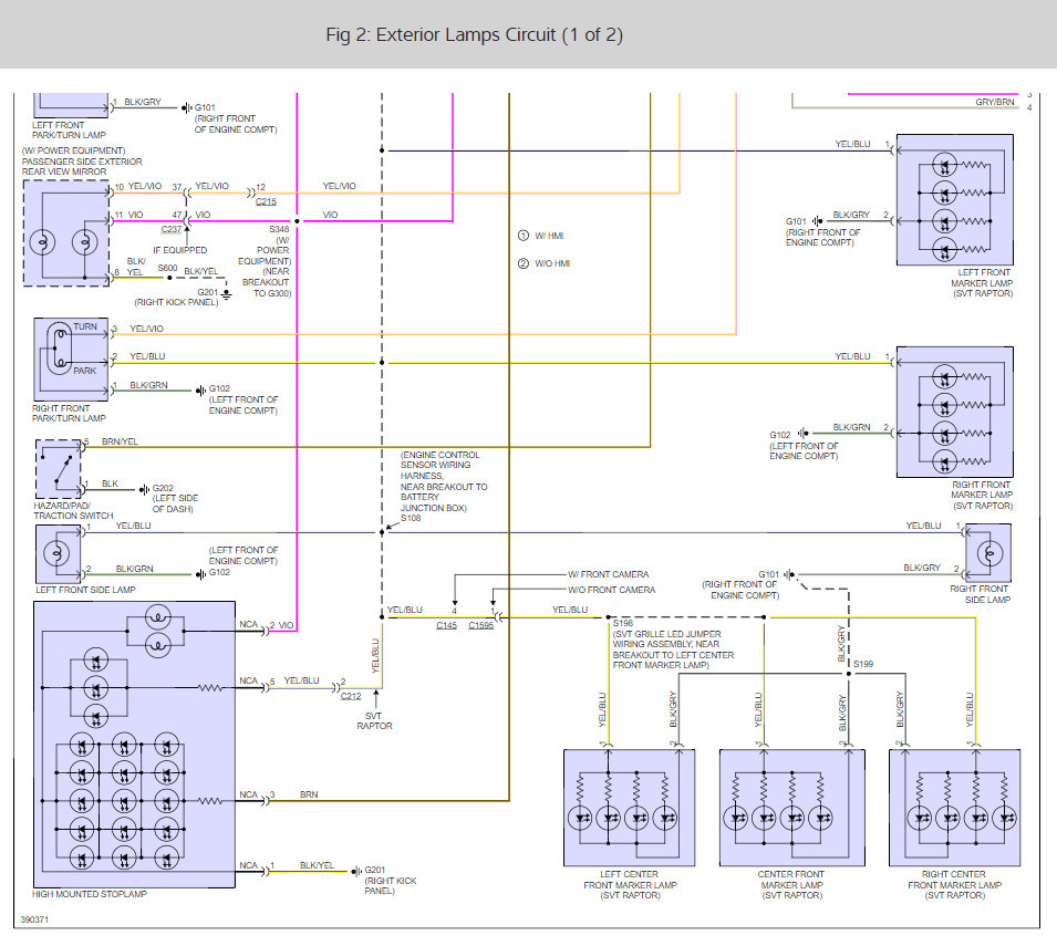
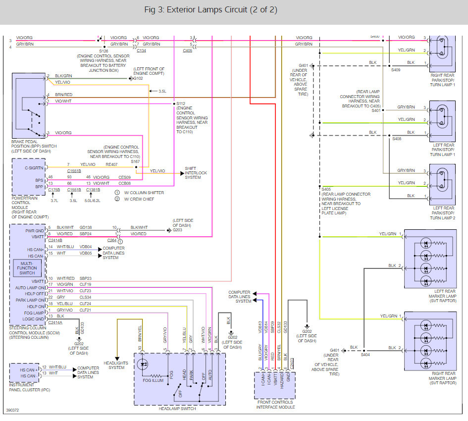
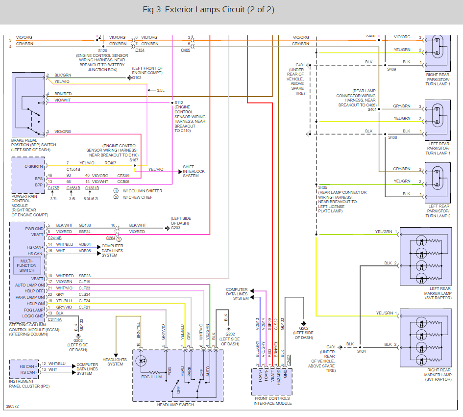
My f150 blinker is going haywire... It is stuck on the right turn signal even when the turn stick is in normal position. Since this started my left blinker won't work but when I turn my stick to turn on the left blinker, my right one turns off. I pulled the fuse for the right blinker. It turn the outside blinker off but my indicator inside just moves twice as fast now. Please help!!
Nov 13, 2013 at 5:56 PM











