Correct Fuel Filter Change?

2013 CHEVROLET SILVERADO
46 MILES • 6.6L • V8 • TURBO • 4WD • AUTOMATIC
Avatar
MAURICEJACKSON
  • MEMBER
  • 1 POST
I took my chevy 2500 hd duramax diesel 6.6L to the dealership for a fuel filter change and after they changed my fuel filter my truck started idling high, riding rough, getting bad gas mileage and at high speeds it jumps really bad, it never did this before the fuel filter change and the dealership is saying they can't find the problem, they tried changing the fuel filter out but my truck is still doing the same thing. Will you please help me I paid them and they saying they don't know what's wrong with it.
Oct 18, 2015 at 2:51 AM
Advertisement
Avatar
STRAILER
  • CERTIFIED EXPERT
  • 53,854 POSTS
Hi Mauricejackson,

If the dealership could have bumped the plastic sensor on the top of the fuel housing, while starting the truck observe the housing to see if it is blowing bubbles? if so it is leaking which would cause the problem you describe... I have seen this happen before.

Or if they forgot to prime the system after the filter change it could have damaged the injection pump, hopefully not :-)

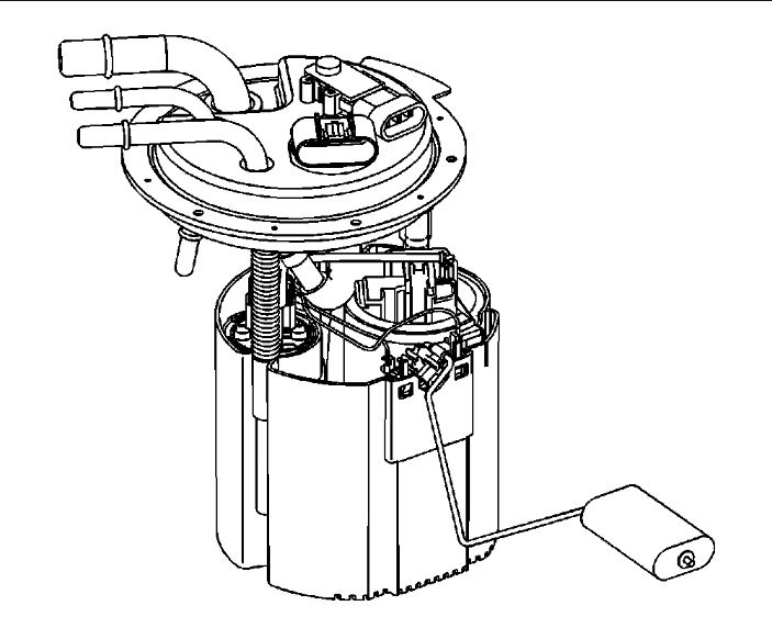
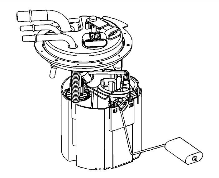
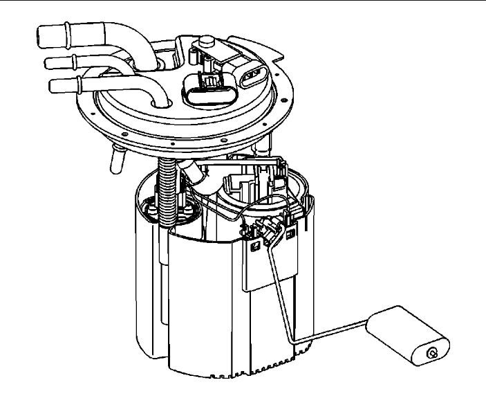
Check out the diagrams (Below). Please let us know if you need anything else to get the problem fixed.
Oct 25, 2015 at 3:36 PM
Avatar
LCPTAS
  • MEMBER
  • 1 POST
There is no fuel filter on the frame rail! Where is it located?
Sep 7, 2020 at 12:38 PM (Merged)
Advertisement
Avatar
BMDOUBLE
  • CERTIFIED EXPERT
  • 1,139 POSTS
It is integral to the in tank fuel pump. Check out the diagrams (Below). Please let us know if you need anything else to get the problem fixed.
Sep 7, 2020 at 12:38 PM (Merged)
Avatar
SHASTA10
  • MEMBER
  • 1 POST
Locating the fuel filter. Is it in the fuel tank? Is there one or two? V8 vortex engine.
I read that 2005 fuel filter was the first year they put it in the fuel tank.
Thank you.
Sep 7, 2020 at 12:39 PM (Merged)
Avatar
ASEMASTER6371
  • CERTIFIED EXPERT
  • 52,796 POSTS
Good afternoon,

The filter is in the fuel pump module. There is no external filter anymore.

Why are you changing it?

Roy
Sep 7, 2020 at 12:39 PM (Merged)
Avatar
CCB1969
  • MEMBER
  • 1 POST
Where is the fuel filter on my 2006 silverado? Or does it not have one? I've heard they have a lifetime one? Not sure.
Sep 10, 2020 at 12:07 PM (Merged)
Avatar
RASMATAZ
  • CERTIFIED EXPERT
  • 75,992 POSTS
The fuel filter is in the fuel tank also see below


https://www.2carpros.com/forum/automotive_pictures/12900_fuel_filter_2.jpg

Sep 10, 2020 at 12:07 PM (Merged)
Avatar
EDVARANO
  • MEMBER
  • 1 POST
Where is the fuel filter located?
Sep 10, 2020 at 12:07 PM (Merged)
Avatar
BRIAN 1
  • CERTIFIED EXPERT
  • 1,030 POSTS
its inside the fuel tank,its part of the sending unit,it has a return less fuel system. Here is a guide and diagrams below on how to change it out.

https://www.2carpros.com/articles/how-to-change-a-fuel-filter

Check out the diagrams (Below). Please let us know if you need anything else to get the problem fixed.
Sep 10, 2020 at 12:07 PM (Merged)
Avatar
ROET25
  • MEMBER
  • 1 POST
where is the fuel filter located, if there is one?
Sep 10, 2020 at 12:07 PM (Merged)
Avatar
MERLIN2021
  • CERTIFIED EXPERT
  • 17,250 POSTS
Inside the sending unit in the gas tank...no service interval given!


https://www.2carpros.com/forum/automotive_pictures/62217_2005Fuel_Filter_1.jpg

Sep 10, 2020 at 12:07 PM (Merged)
Avatar
BILLELIA
  • MEMBER
  • 1 POST
where is the fuel filter located and how do you release the pressure on it before you take the old one off
Sep 10, 2020 at 12:08 PM (Merged)
Avatar
JDL
  • CERTIFIED EXPERT
  • 16,098 POSTS
Welcome to the forum, may be part of fuel pump module assembly. Usually after the vehicle sits over night, without the key being cycled or started, pressure isn't a problem. You can take electrical connector loose from fuel pump, try to start, if it starts, let it run till it dies.
Sep 10, 2020 at 12:08 PM (Merged)
Avatar
MARVIN RICHARDS
  • MEMBER
  • 1 POST
Engine Performance problem
2004 Chevy Silverado V8 Two Wheel Drive Automatic
----------------------------------------------------------------
where is the gas filter located and how is it changed
Sep 10, 2020 at 12:08 PM (Merged)
Avatar
HOOMIE24
  • MEMBER
  • 1 POST
[quote:2bf94278d0="marvin richards"]Engine Performance problem
2004 Chevy Silverado V8 Two Wheel Drive Automatic
----------------------------------------------------------------
where is the gas filter located and how is it changed[/quote:2bf94278d0] its located in the fuel tank
Sep 10, 2020 at 12:08 PM (Merged)
Avatar
WSWEAVER
  • MEMBER
  • 3 POSTS
Ok I watched the video to change the fuel filter. I can not find it. Is there another place it could be? I found what looks like a fuel pump behind the torsion bar.
Sep 10, 2020 at 12:08 PM (Merged)
Avatar
HMAC300
  • CERTIFIED EXPERT
  • 48,601 POSTS
look on the frame by the fuel tank driver's side it's there it will have a clamp holding it to frame
Sep 10, 2020 at 12:08 PM (Merged)
Avatar
WSWEAVER
  • MEMBER
  • 3 POSTS
Not there. I traced 2 fuel lines from the top of tank along the frame to the pump, no filter.
Sep 10, 2020 at 12:08 PM (Merged)
Avatar
HMAC300
  • CERTIFIED EXPERT
  • 48,601 POSTS
my goof it's in the tank and there is no service interval for it.
Sep 10, 2020 at 12:08 PM (Merged)
Avatar
WSWEAVER
  • MEMBER
  • 3 POSTS
Thanks
Sep 10, 2020 at 12:08 PM (Merged)