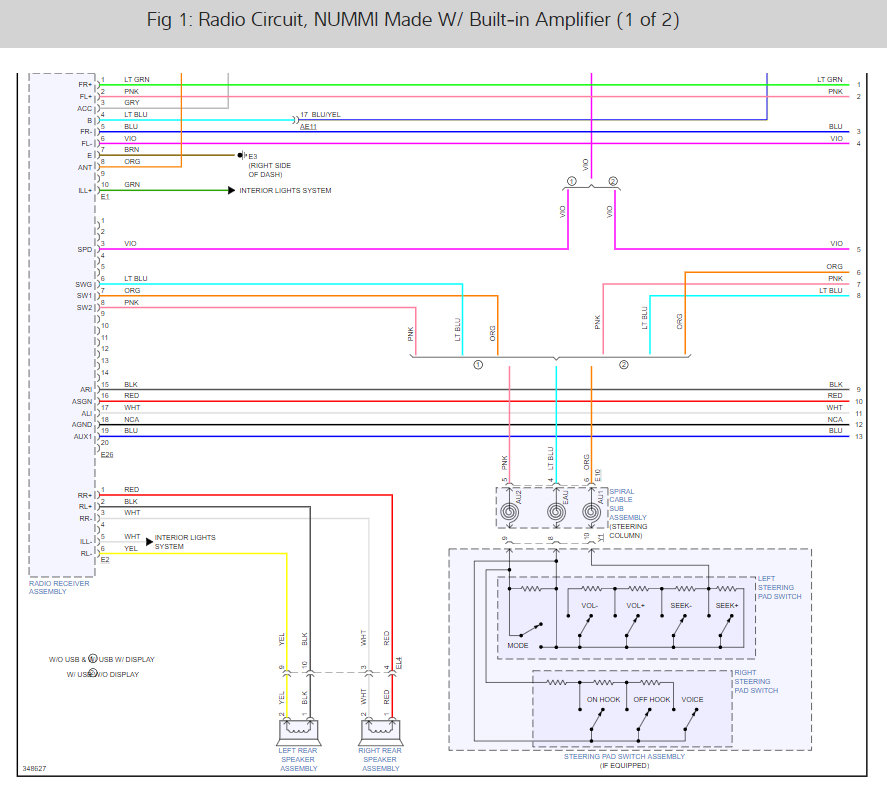
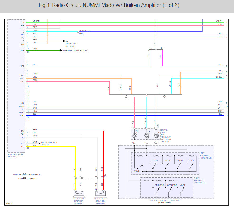
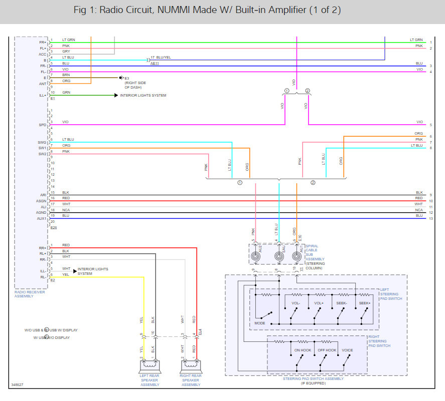
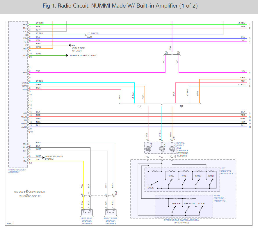
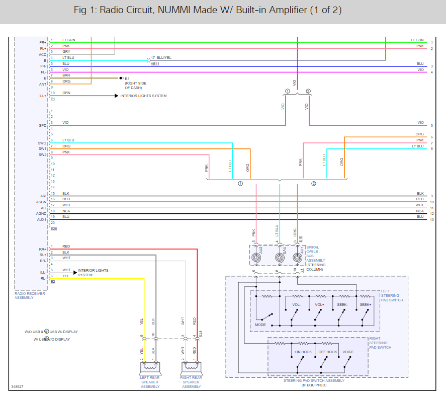
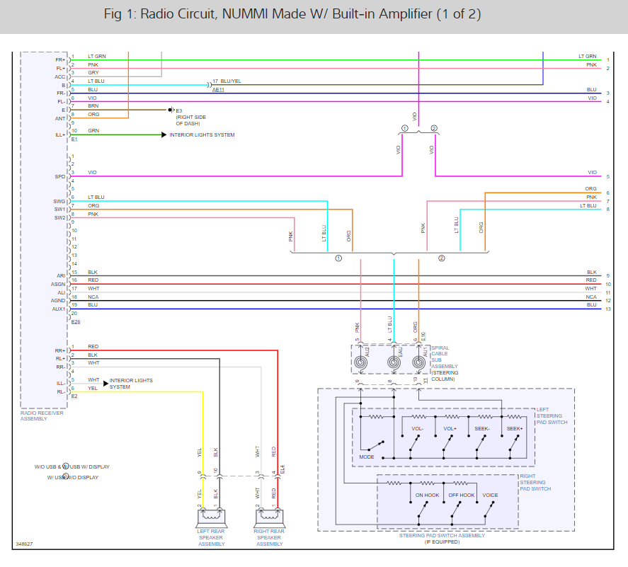
I am looking for a wiring diagram for a 2012 Toyota Corolla. More specifically I need the one for the 28 pin connector that plugged into the back of the factory unit. I am looking for the Speed Pickup Sensor wire so I can properly connect my new navigation unit. The stereo came out was a factory non-navi unit model number 86120-02F90.
Mar 25, 2014 at 12:34 PM

































