Key Remote?

2012 TOYOTA CAMRY
350 MILES
Avatar
BARTIL
  • MEMBER
  • 1 POST
bought a new camry with power doorlocks but not remote. I bought a universal remote kit but I hate to cut wires on my new car. Do they make a plug-in remote kit just for my Camry?
Jan 19, 2013 at 2:53 AM
Advertisement
Avatar
DAVES777
  • CERTIFIED EXPERT
  • 26 POSTS
Since this is a new car; (or a least new to you); but it is a fairly recent model - why do you not call up a Toyota Dealer - and see what they say... is available.

I believe keyless remotes are available from the dealer. And they could easily program it to work with your car.

Much better than having someone cutting wires and installing an after market for something which the factory makes available.
Feb 1, 2013 at 4:33 AM
Avatar
DMIRYG
  • MEMBER
  • 1 POST
I bought a new 2011 Camry with central locking system but without a remote control for that. I would like to install one. Can I do it myself, will this void my warranty?
Dec 18, 2020 at 8:41 AM (Merged)
Advertisement
Avatar
KHLOW2008
  • CERTIFIED EXPERT
  • 41,814 POSTS
Regarding warranty, anything that is after maket would void it so it is best to check with the dealer.

A remote can be installed but you would need some rewiring and an addition of a control module.

Dec 18, 2020 at 8:41 AM (Merged)
Avatar
LWALKER
  • MEMBER
  • 5 POSTS
The remote trunk release in cabin will not release the rear trunk. The cable pull the mechanism that has a rod to the trunk lock, however the rod does not move to release the lock. What part of mechanism is broken? or spring missing? that prevents the release of trunk lock?
Dec 18, 2020 at 8:42 AM (Merged)
Avatar
2CARPRO JACK
  • CERTIFIED EXPERT
  • 11,533 POSTS
Can you open it with the key at the rear deck? Or by using the keyless entry remote? If so you can gain access to the latch to see what is wrong.The cable may be broken at either end, so it cant pull the release. When you get the trunk open have someone pull the manual release so you can watch at the latch to see if it moves
Dec 18, 2020 at 8:42 AM (Merged)
Avatar
2CARPRO JACK
  • CERTIFIED EXPERT
  • 11,533 POSTS
Have you tried the key in the rear deck lid? Sounds like the latch may be broken if nothing will make it release
Dec 18, 2020 at 8:42 AM (Merged)
Avatar
LWALKER
  • MEMBER
  • 5 POSTS
[quote:ad84637ba0="2CarPros Jack"]Have you tried the key in the rear deck lid? Sounds like the latch may be broken if nothing will make it release[/quote:ad84637ba0] The key will release the lock, when inserted in the lock. The key remote will release the lock. The release lever inside the car is the non-working part. The lever has a cable, this move the release mechanism, which has a bar going to the truck lock, but the bar does not pull the lock to cause release. Question: Does repair manual show this assy? it is attached to trunk lid, and not to trunk lock. Connection from release to lock is by means of a bar.
Dec 18, 2020 at 8:42 AM (Merged)
Avatar
2CARPRO JACK
  • CERTIFIED EXPERT
  • 11,533 POSTS
My software doesnt have it. Can you see where the cable attaches at the trunk end of the release?If so have someone work the interior release and see if the cable is pulling at the trunk end.If not the cable may be broken.
Dec 18, 2020 at 8:42 AM (Merged)
Avatar
LWALKER
  • MEMBER
  • 5 POSTS
Found the problem. fixed
Dec 18, 2020 at 8:42 AM (Merged)
Avatar
2CARPRO JACK
  • CERTIFIED EXPERT
  • 11,533 POSTS
Plastic clip broken? that is usually the culprit for stuff like that
Dec 18, 2020 at 8:42 AM (Merged)
Avatar
NJMCAM
  • MEMBER
  • 1 POST
Remotes no longer open or closes locks. Batteries replaced?
Dec 18, 2020 at 8:42 AM (Merged)
Avatar
KASEKENNY
  • CERTIFIED EXPERT
  • 18,907 POSTS
Hi,

If the batteries died there is a chance that you need to reprogram them. I attached a TSB that lays this process out. Let me know if this works.

Thanks
Dec 18, 2020 at 8:42 AM (Merged)
Avatar
TZERPHEY
  • MEMBER
  • 1 POST
My 2005 Camry xle has a power unlock problem for the three non driver doors only when it is warm outside like over about 70. I replaced the master switch on the driver door and same thing. With the remote (factory) it acts the same way however it always "locks" all 4 doors fine from either the remote fob and the driver switch. The problem is only the power "unlock" for the three non driver doors when it is warm out.
Dec 18, 2020 at 8:42 AM (Merged)
Avatar
KHLOW2008
  • CERTIFIED EXPERT
  • 41,814 POSTS
If the driver door unlocks correctly everytime whereas the other 3 do not, the problem is not with the switches of actuators.

Being temperature related, the motlikely cause would be a poor connection/contact somewhere and the most likely component would be the Body Control Unit ( BCM), attached to driver side junction box.
Dec 18, 2020 at 8:42 AM (Merged)
Avatar
DITA WEST
  • MEMBER
  • 1 POST
I was given the car listed above that was a friend's father in law. About two years ago the car was pulled underneath a carport and set on blocks so the old man could not drive it. The car ran fine when it was pulled in there. In trying to prepare the car for the road I put a new battery in it I put my negative on first and when I put the touched the positive to the post and it automatically start to turn the car over. I had the keys in my hand and we are not cable touch that post it started my car and I cannot get it off of that remote start to where the key works in order for it to turn the car off using the key. Like I said I can get the car started but only when the post hits the post. The car will not turn off. The key is useless. It is stuck in remote start mode or something. Can you give me anything on this? Thank you
I have two remote start fobs and a key with its standard key fob.
Dec 18, 2020 at 8:42 AM (Merged)
Avatar
DANNY L
  • CERTIFIED EXPERT
  • 5,648 POSTS
Hello, I am Danny.

I am not sure if a 2003 model year car came factory with a remote start. Is this an aftermarket installed remote start system? If so, do you know the brand name? Hope this helps and get back to me when you can. Thanks for using 2CarPros.
Danny-
Dec 18, 2020 at 8:42 AM (Merged)
Avatar
TROYELJ
  • MEMBER
  • 1 POST
I recently bought the car listed above LE model. the engine was replaced in it and it did not come with a key fob so I have bought three different key fobs including a Toyota key fob and none of them will work. I follow instructions and locks do not respond to any of the instructions. Keep in mind I know nothing about cars. is it possible that the receiver is disconnected or bad and where is it located on the car? I am at the point of taking it to the Toyota dealership and seeing if they can fix it, knowing it is going to cost a lot. If someone could help I would be greatful.
Dec 18, 2020 at 8:43 AM (Merged)
Avatar
STRAILER
  • CERTIFIED EXPERT
  • 53,855 POSTS
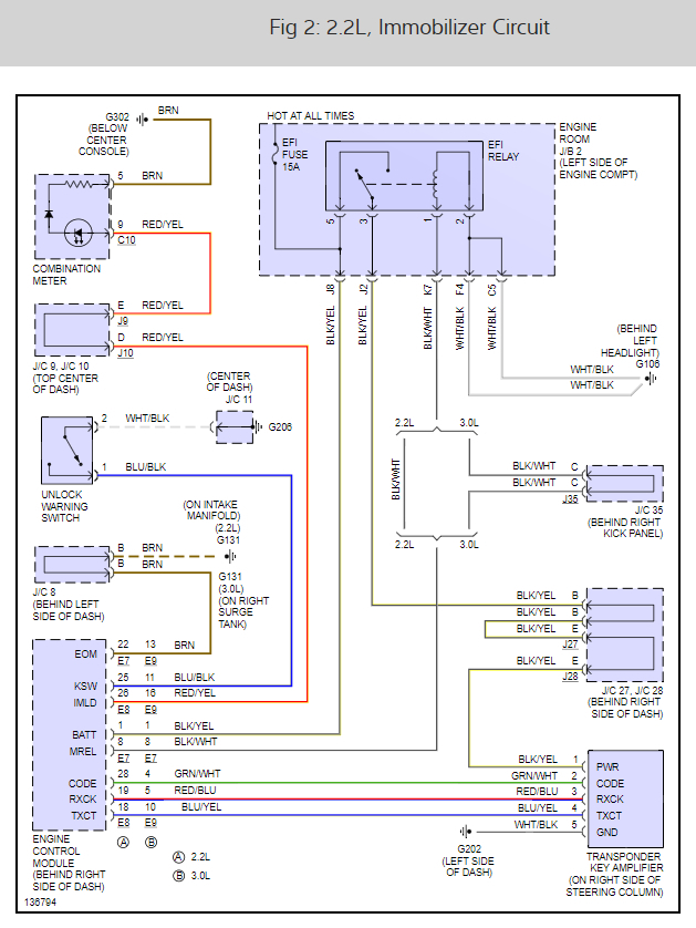
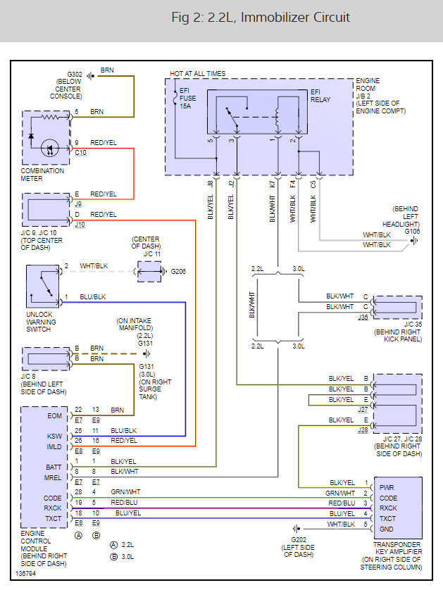
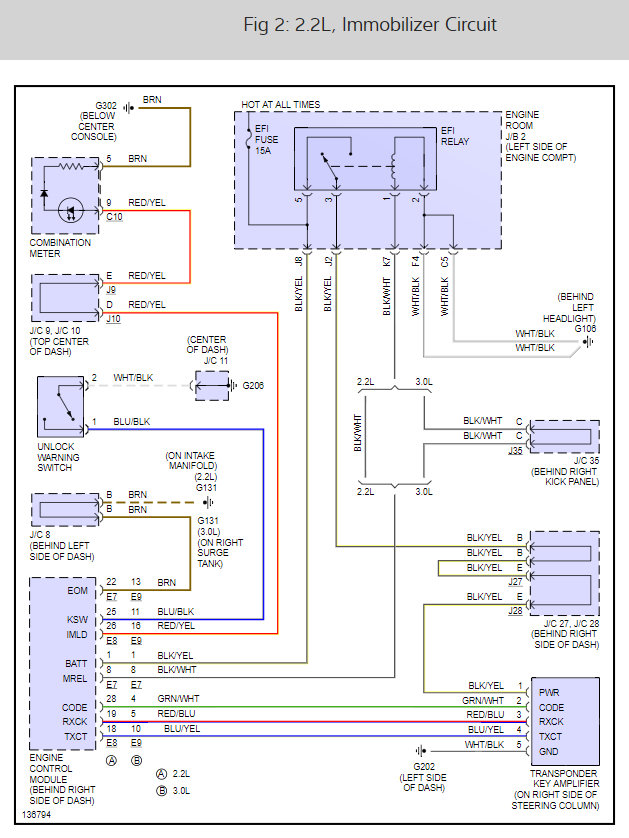
Before taking it in lets check the system fuses. Here is a guide to show you how:

https://www.2carpros.com/articles/how-to-check-a-car-fuse

Here is the security system wiring diagrams so you can see how the system works along with the fuse panel locations and identification.

Save this page so you can use it for future reference when you have other problems because it shows all the fuses locations.

Check out the diagrams (below).

Please let us know what you find. We are interested to see what it is.

Cheers, Ken
Dec 18, 2020 at 8:43 AM (Merged)
Avatar
JUDY
  • MEMBER
  • 3 POSTS
I have 3 remote controls, none of which work. They are the same, and were purchased from the dealer to replace the originals. The FCC ID # IS JDRAPSBT, one button, for l995 Toyota Camry. The car was ordered from Japan with the remote control, but the dealers may have installed it.
The remotes are clean, air cleaned, new [tested]batteries installed. The light comes on when the button is depressed on all of them but the car doors do not open so it is not responding. It was working when I first got them. Could it be that the programing in he car was effected when a new battery was purchased? Can you give me instructions to program it to work? I do not want to do it at the dealers as they charge a great deal per remote to program it. Please help.
thanking you.
Judy
Dec 18, 2020 at 8:43 AM (Merged)
Avatar
DOCFIXIT
  • CERTIFIED EXPERT
  • 18,828 POSTS
Car was not produced with remote door locks for US market so likely is an after market. You will need to find manufacture see if there is a transevier that looks added on either under dash or engine compartment.Any markings on remotes?
Dec 18, 2020 at 8:43 AM (Merged)
Avatar
JUDY
  • MEMBER
  • 3 POSTS
Marking on the remote are: The FCC ID # IS JDRAPSBT, model ADSBT, Rostra, US made
I am trying to see if the remotes can be re programed to open the doors and disable the security. As the lights do go on when pressed, but nothing happens.
The remote is integrated with the 'Theft Deterent System with remote operation'. The dash light for this Secutrity System is constatly on so it must be in the Valet mode. But the door lock and unlock should still work. My queston is about fixing it not buying a new remote controll.
Judy
Dec 18, 2020 at 8:43 AM (Merged)
Avatar
HALCYONSF8
  • MEMBER
  • 1 POST
Hi Judy,

I have a 96 Camry with the same Dealer Installed security system. I have the programming instructions that I obtained from the dealer. What I need is a remote. The ring on the corner of mine broke off. They charge an arm and a leg for both remotes and instructions. Would you be willing to trade a remote for the instructions? If so e-mail me @ [email protected].
Kathy
Dec 18, 2020 at 8:43 AM (Merged)
Avatar
JUDY
  • MEMBER
  • 3 POSTS
Dear Kath,

Yes, I think that would be a good solution for both of us. Will email you and send a photo of the remote.
Judy
Dec 18, 2020 at 8:43 AM (Merged)