Stereo wiring

2012 FORD TRANSIT
20,000 MILES
Avatar
CARLOS141
  • MEMBER
  • 2 POSTS
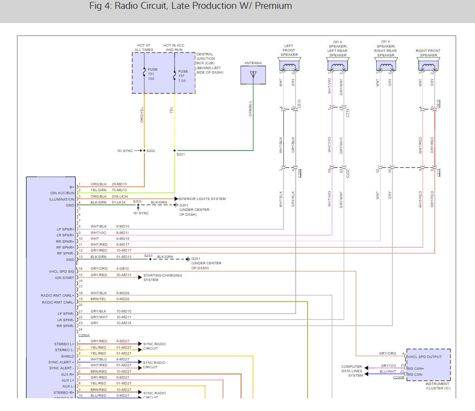
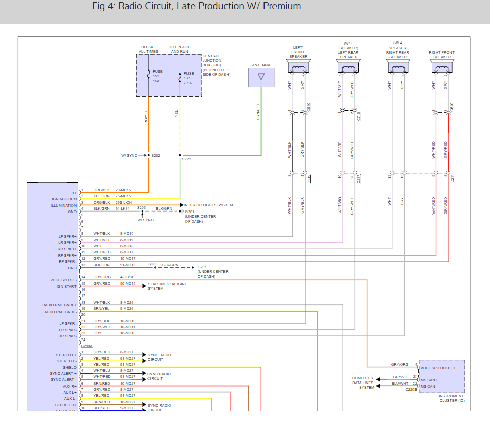
Hi I have a 2012 ford transit van. I am trying to find the front speaker wires at the back of the stereo head unit so four wires in total both + & - . I'm mainly just after the colours and what they correspond to. Any help would be greatly appreciated including any wiring diagrams etc. thanks.
Oct 26, 2013 at 5:41 AM
Advertisement
Avatar
STRAILER
  • CERTIFIED EXPERT
  • 53,854 POSTS
There are three options first is the base them premium and SYNC models here are all stereo wiring diagrams.

Check out the diagrams (Below)

Please let us know if you need anything else to get the problem fixed.

Cheers, Ken
Oct 26, 2013 at 5:47 AM
Avatar
CARLOS141
  • MEMBER
  • 2 POSTS
Thanks for that will have to check it out tomorrow.
Oct 26, 2013 at 5:56 AM
Advertisement