2012 FORD C-MAX
27,000 MILES
Avatar
TOMMY MCGINLEY
  • MEMBER
  • 1 POST
where is the fuse in c max for brake lights
Apr 9, 2013 at 8:16 PM
Advertisement
Avatar
STRAILER
  • CERTIFIED EXPERT
  • 53,854 POSTS
Hello,

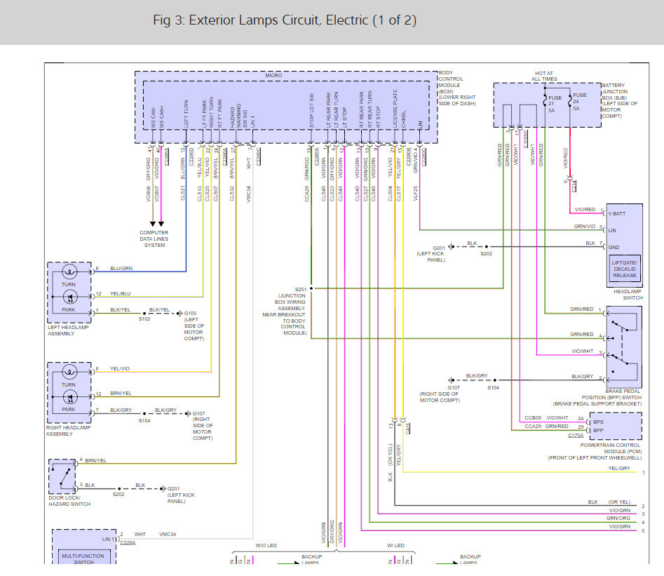
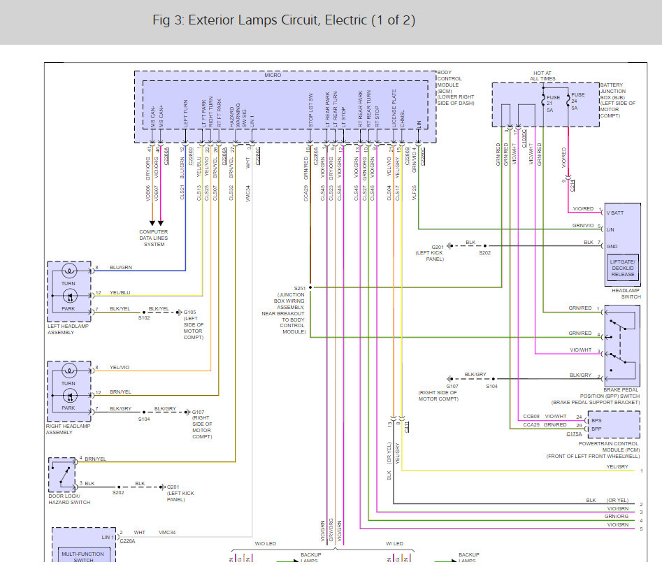
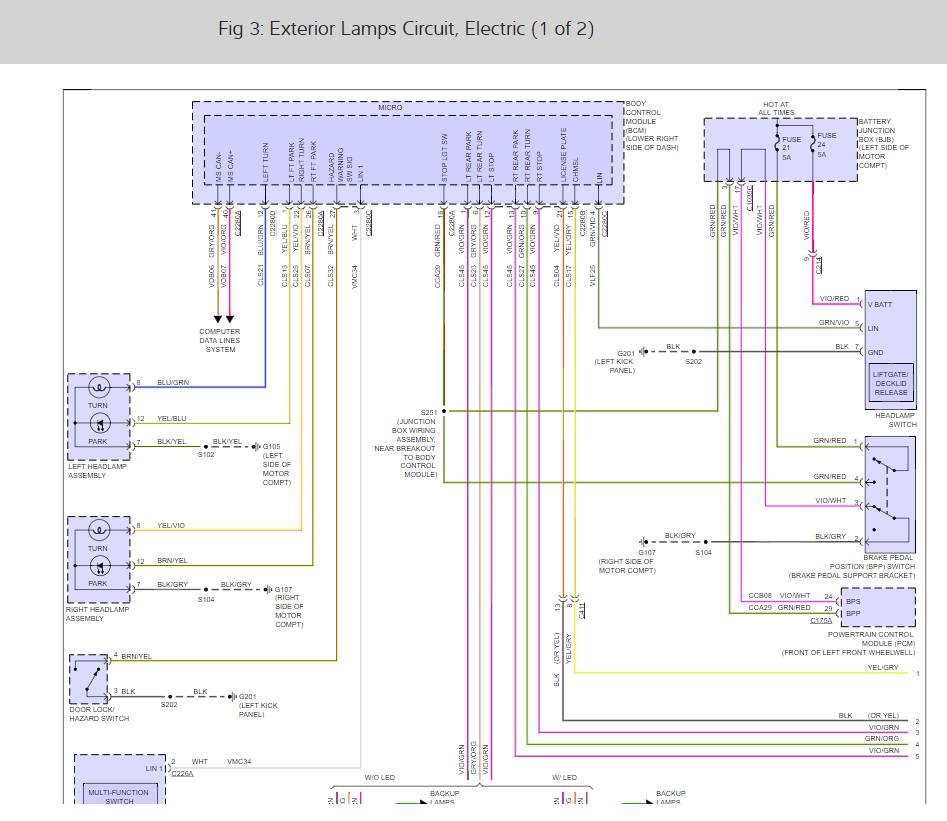
Here is a guide and some diagrams (below) to help you get the job done. You want to check fuse # 21 and 24.

https://www.2carpros.com/articles/how-to-check-a-car-fuse

Here are the fuse location and wiring diagrams so you can do some, testing.

Please let us know what happens.

Cheers, Ken
Jul 13, 2017 at 7:59 PM