Not accelerating when pressing the accelerator pedal?

2012 DODGE GRAND CARAVAN
300,000 MILES • 3.6L • V6 • 2WD • AUTOMATIC
Avatar
ALASKA-JAYLIN
  • MEMBER
  • 1 POST
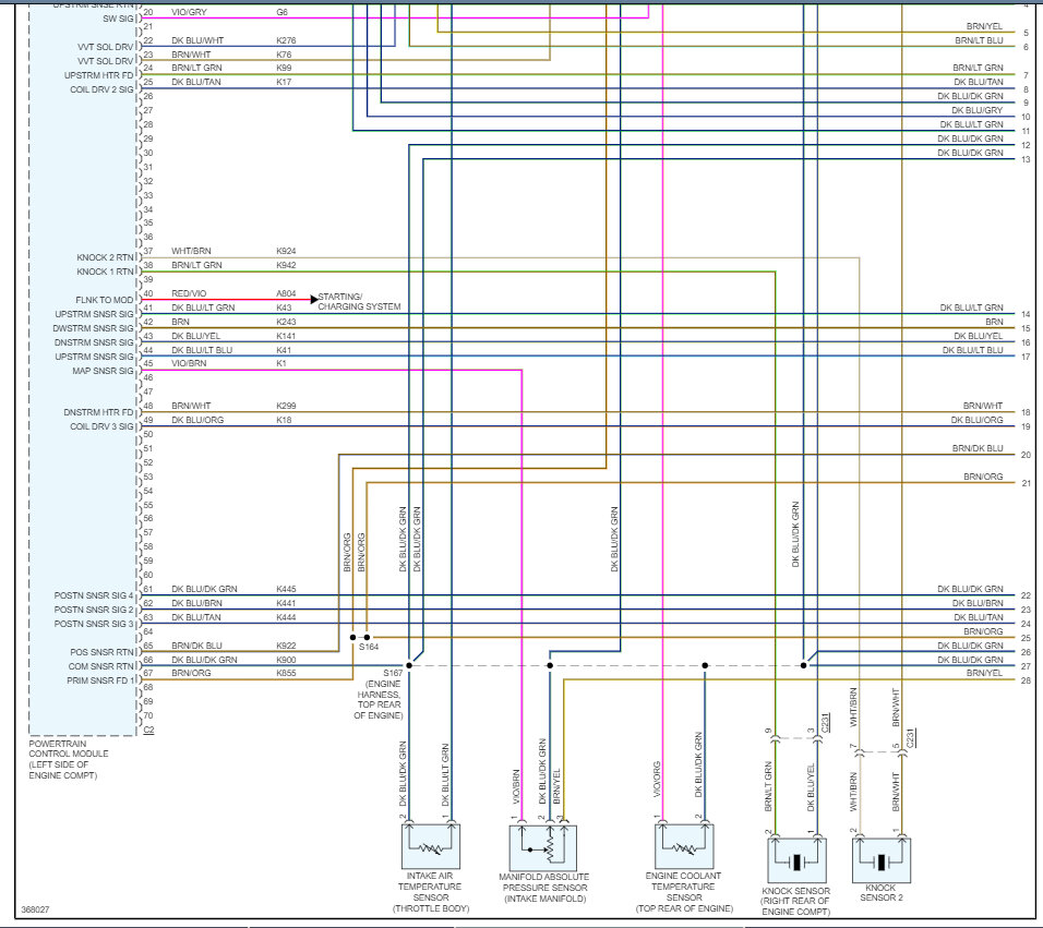
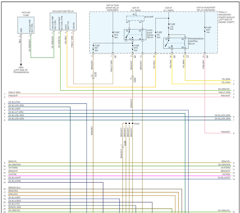
The van listed above is an SXT model. My gas pedal doesn't accelerate when I push down on it, and I changed what I needed to and it's still not working. I have a drive-by-wire which makes it difficult therefore I need a wiring diagram so I can test all the wires.
Sep 10, 2023 at 6:02 PM
Advertisement
Avatar
STRAILER
  • CERTIFIED EXPERT
  • 53,854 POSTS
There will be a trouble code that will help us see what's going on, but it sounds like the accelerator pedal sensor has gone out.

Here is a guide with diagrams below to help you fix the problem:

https://www.2carpros.com/articles/checking-a-service-engine-soon-or-check-engine-light-on-or-flashing

Here are the engine and throttle body wiring diagrams with a guide to help you with the testing:

https://www.2carpros.com/articles/how-to-check-wiring


Check out the images (below). Please let us know what happens.
Sep 11, 2023 at 5:27 PM