Charging voltage?

2011 SCION XB
120,800 MILES • 2.4L • 4 CYL • 2WD • AUTOMATIC
Avatar
SIXTY6GTO
  • MEMBER
  • 95 POSTS
I had my battery voltage light come on. The car was running and while the engine was running the voltage across the battery terminals was 12.12 volts and decreasing with the engine running. Since the battery was starting the car okay at the time, I decided to change the alternator and put the car's battery on a low amp charge once home. I tried to start the car after the alternator was replaced and it had trouble. Therefore, I changed the battery too. Now I can observe the alternator charging because there is 13.49 volts on a cool 60-degree night with no load and 13.25 volts on a warm 80 degree day after driving the car home in traffic at operating temperature. There are no lights illuminated on the dash now. I just feel that the 13.25 volts while idle with the engine hot is not enough voltage. I am experiencing this after a new alternator and brand-new battery now. I drove the car to work and had no issues. I am just worried about the 13.25 volts at idle when I checked it hot with the engine running as I returned home. The voltage does increase with an increase in engine RPMs.
Dec 17, 2022 at 4:52 PM
Advertisement
Avatar
CARADIODOC
  • CERTIFIED EXPERT
  • 34,306 POSTS
At first I was going to agree with you, but after some consideration, I wonder if we're worried where there is no need to worry. When generating current mechanically, we need three things. That's a magnet, coil of wire, and most importantly, movement between them. That's why we spin generators with a belt and pulley.

Since movement is important, it stands to reason less movement results in a loss of efficiency. Part of the testing you started always includes raising engine speed to increase generator output. That's one variable you didn't mention. During this part of the test, raise engine speed to 2,000 rpm, then watch what happens to charging voltage across the battery terminals. The goal is to find 13.75 to 14.75 volts.

You can review this article to see if you missed anything.

https://www.2carpros.com/articles/how-to-check-a-car-alternator

The next important point is if charging voltage does come up to the acceptable range, that only means it is okay to perform the rest of the tests, but that requires a professional load tester. Your mechanic will test for full-load output current, and "ripple" voltage. A few testers that are capable of making a printout of the results will list ripple voltage as a number. Most other testers just show it from "low" to "high" on a relative bar chart. We want to see low ripple voltage which corresponds to the generator being able to develop close to its maximum rated current capacity. If the generator has one failed diode of the six, it will only be able to develop exactly one third of its normal maximum current. That's not enough to meet the demands of the entire electrical system under all conditions. The battery will have to make up the difference as it slowly runs down over days or weeks.

When there is a failed diode, while maximum current capacity is cut to one third, charging voltage can still be okay. If you still find it's close to 13.25 to 13.50 with engine speed raised to 2,000 rpm, observe if it slowly increases over time. That would point to the battery is still charging. Check the battery's voltage again after driving a good half hour or more at higher speeds. Excessive stop and go city driving with lots of lights and heater fans running will take a lot longer to fully charge the battery.

Let me know if the voltage comes up or if we need to look further.
Dec 17, 2022 at 6:46 PM
Avatar
SIXTY6GTO
  • MEMBER
  • 95 POSTS
Today when my wife came home on the highway (20mins), we left the car running in the driveway and I checked the voltage across the terminals and when RPM was raised to 2,000, the voltage increased to 13.40. When I was reading this voltage, I saw the meter quickly go somewhere in the 12.XX range and then right back to 13.40 when the cooling fans kicked in. So, I assume the charging system is charging. That is my update for today. I saw the diode test in the link you provided, and I have not done that yet. The test where you switch the voltmeter to AC voltage and should observe zero. I am getting an increase in voltage to 13.40 when the RPMs are raised to 2,000. Can it take several days for the brand-new battery to slowly increase? I will check tomorrow again.
Dec 19, 2022 at 9:29 PM
Advertisement
Avatar
CARADIODOC
  • CERTIFIED EXPERT
  • 34,306 POSTS
I ignored going into more detail about diodes because you already replaced the generator, but that might not have been a good idea. The assumption is the diodes must be okay, but that might cause us to overlook something.

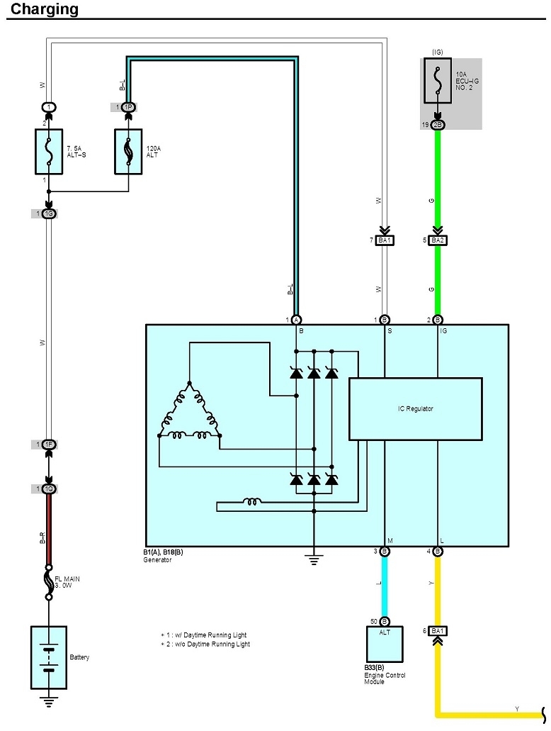
AC generators, ("alternator" is a Chrysler term), develop three-phase output which is very steady, smooth, and efficient. The alternating current is turned into direct current by the diodes so it can run the electrical system and be stored in the battery. When one diode fails, you lose one of those three phases. I put these drawings together to show what happens to ripple voltage. The top output waveform is normal. The difference from 14.0 to 14.5 volts is very small and easy for the battery to smooth out. That difference is the ripple voltage. In the lower waveform, one diode has failed and one phase is missing. Here the ripple voltage is 5.2 volts.

If you try to measure ripple voltage directly with a digital voltmeter, the best you can determine is whether you have very little or a lot. The first problem is digital meters take a reading, analyze it, then display the results while it analyzes the next reading. The value displayed will be bouncing around depending on the exact instant each reading is taken.

The other problem is on the "AC Volts" scale, the meters are designed to read a voltage that is changing polarity, specifically, at 60 hertz house voltage. While reading generator output, the polarity never changes. It's just the voltage that goes up and down while current keeps flowing in one direction. That isn't what AC voltmeters respond to. Also, they're designed around 60 hertz. Many better meters are also accurate up to 400 hertz for military use. The frequency of the three-phase output can be in the 1000s of hertz. There's over a dozen coils of wire in the stator, meaning there will be over a dozen cycles per one generator revolution. The crankshaft pulley is a lot larger in diameter than the generator's pulley, so when the engine is running at 1,000 rpm, the generator might be spinning at 5,000 rpm, times a dozen voltage pulses per revolution. Now we're way higher than any meter's frequency response. Professional load testers have circuitry specifically designed to read ripple voltage under these conditions, but even most of them do not give an exact voltage. There are a few that can make a paper printout that includes an exact ripple voltage, but after doing this for 40 years, I can't tell you what "normal" would be. Most testers just light up more or fewer bars on a relative bar chart to show if ripple voltage is "high" or "low".

My reason for discussing this has to do with how the voltage regulators respond to ripple voltage. First understand with one missing phase, the generator loses exactly two thirds of its output current capacity. The standard generator for your model is a 100-amp unit. With one bad diode, the most it will be able to deliver is close to 33 amps. That's not enough to run the entire electrical system with anything left over to keep the battery charged. The battery will have to make up the difference as it slowly runs down over days or weeks. That will be even worse if you do a lot of short-trip driving.

One of two things happens when ripple voltage is excessive. The first one is easy to follow. When voltage drops low, as in the 9.3 volts in the lower drawing, the voltage regulator responds by running the generator harder to try to get that voltage back up to where it should be. It does that by increasing the current flow through the rotating electromagnetic "field" coil. That makes a stronger electromagnet which induces a higher output voltage in the stator windings. Higher voltage, (pressure), means higher output current can be developed.

The maximum field current for any generator is close to three amps, but that also is a factor of the voltage behind it. In this story voltage drops momentarily to 9.3 volts. Think of the brightness of a flashlight when the batteries become run down. Current flow through the bulb goes down. Similarly, when system voltage drops to 9.3 volts, current through the field coil goes down too. That results in a weaker electromagnet, and lower output current. Now, to be fair, the battery is trying to hold system voltage up, but it only maintains up to 12.6 volts. Generators and electrical systems are designed to work properly at 13.75 to 14.75 volts. Even though system voltage is held up somewhat, it's still too low, and that low voltage is what's feeding the field coil, so its magnetic field is low, and generator output is low.

The other thing that can happen is the voltage regulator is successful at getting generator output voltage to go high enough, but it's working so hard, the high spots in that ripple voltage go too high, perhaps to 15 to 17 volts. The regulator responds by trying to reduce output, but usually not enough. This is where you would find charging voltage is within the acceptable range of 13.75 to 14.75 volts, yet the battery is always running down. That's why passing this charging voltage test, which is the only part you can do yourself, only means it is okay to continue on with the rest of the tests, which requires the professional load tester.

I know this is getting confusing. What I'm trying to get to is the 13.4 volts you've been coming up with is too low. If you equate this to the level in a municipal water tower, it's less than full. It can still supply water pressure to your house, but that pressure would be very low. My recommendation now is to have the rest of the charging system tests performed. The item of interest will be that ripple voltage, but the most telling value will be "full-load output current". That is going to come up close to 100 amps or 33 amps. The only way to get 100 amps is if all the diodes are okay. That will eliminate the generator as a suspect.

The clinker here is the voltage regulator is built into the generator, so a problem with it still ends up being a generator replacement. To further aggravate the issue, the Engine Computer gets involved to modify charging voltage under certain conditions, so that adds another variable and another potential source of low charging system voltage.

After all this, also look for a loose generator drive belt. It can slip if a spring-loaded tensioner pulley is rusted tight and not pulling the belt tight. That doesn't always result in a belt squeal.

Let me know what you find up to this point, then I'll try to figure out where to go next.
Dec 20, 2022 at 12:53 PM
Avatar
SIXTY6GTO
  • MEMBER
  • 95 POSTS
I returned the new replacement Denso generator I bought which was only putting out 13.40 and replaced it with another new one. After several days of driving with the second new replacement generator the voltage goes from 13.52 at idle to 13.82 at 2000 RPMs.
Jan 8, 2023 at 10:55 AM
Avatar
CARADIODOC
  • CERTIFIED EXPERT
  • 34,306 POSTS
That's a little better. I have to be satisfied with the 13.82 volts as that is within the acceptable range, but I'm used to seeing around 14.5 to 14.7 volts. Keep in mind too that the battery's voltage with the engine running will slowly increase as it charges up. It could remain a little low for days if it started out nearly fully discharged. At 13.8 volts, the battery will still charge fully, but it will take longer. That will only be a problem if you do a lot of short-trip driving.

Let me know if there are any new developments.
Jan 9, 2023 at 10:01 AM