Drivers door will not unlock but will lock

2011 TOYOTA TUNDRA
80,000 MILES
Avatar
SAENGS210
  • MEMBER
  • 10 POSTS
Also when press one click on remote no beep or flashing light happen until press second time . What can be the problem?
Aug 25, 2021 at 7:41 AM
Advertisement
Avatar
JACOBANDNICKOLAS
  • CERTIFIED EXPERT
  • 110,175 POSTS
Hi,

Do any of the other door locks work? If they are working properly, then I suspect there could be an issue at a splice for the left front door. Does the driver's door open with the second click of the fob?

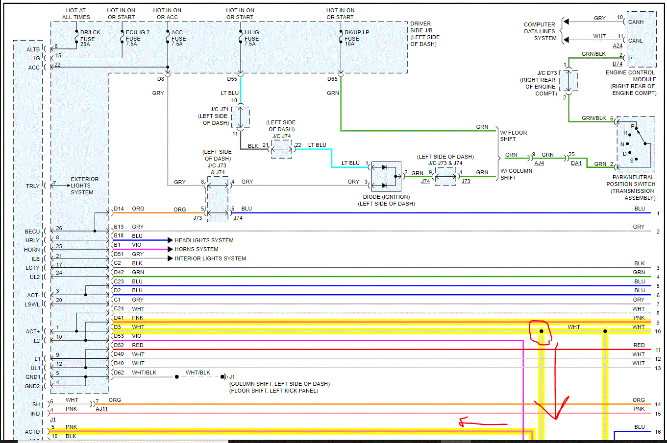
I attached the wiring schematic below related to the door locks. It was 2 pages long, but I had to cut the schematics in half to make them readable for you. I did overlap them so you can follow from one to the next, and I highlighted the wiring for that lock motor.

Here is what I suggest, I need you to check for power going to the lock motor when you press the fob one time. Now, there will be a blue wire and a white wire at the motor. One will get power when you lock and the other when you unlock. Check both to see what is happening.

Here is a link you may find helpful:

https://www.2carpros.com/articles/how-to-check-wiring

Let me know what you find or have other questions.

Take care,

Joe

See pics below.
Aug 25, 2021 at 7:16 PM
Avatar
SAENGS210
  • MEMBER
  • 10 POSTS
All doors lock . Just the driver door won't unlock no matter what. Even push unlock button and remote one press don't beep also.
Aug 26, 2021 at 7:15 AM
Advertisement
Avatar
SAENGS210
  • MEMBER
  • 10 POSTS
I'll check it out. And give you updates. Thanks.
Aug 26, 2021 at 7:16 AM
Avatar
JACOBANDNICKOLAS
  • CERTIFIED EXPERT
  • 110,175 POSTS
Let me know. There may be an open circuit that powers that lock motor to unlock. Let me know if you find power to both wires at the motor.

Note, one wire will get power when locking, and the other will when unlocking. They won't both get power at the same time. One will power and the other provides a ground path to complete the circuit.

Take care and let me know if I can help.

Joe
Aug 26, 2021 at 8:48 PM
Avatar
SAENGS210
  • MEMBER
  • 10 POSTS
I have finally figured it out. Thanks for your help. It was the main BCM that went out.
Mar 25, 2022 at 7:18 AM
Avatar
JACOBANDNICKOLAS
  • CERTIFIED EXPERT
  • 110,175 POSTS
Hi,

Thanks for the update. I'm glad to hear you got it figured out.

Regardless, please feel free to come back anytime in the future. You are always welcome here.

Take care of yourself,

Joe
Mar 25, 2022 at 12:00 PM