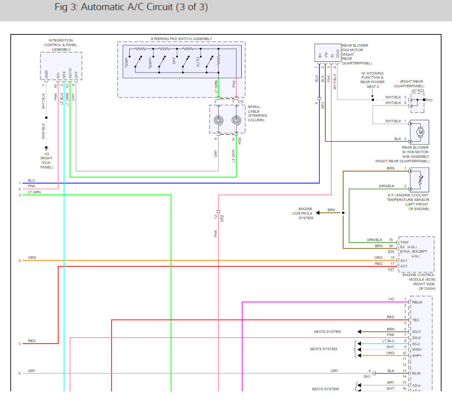
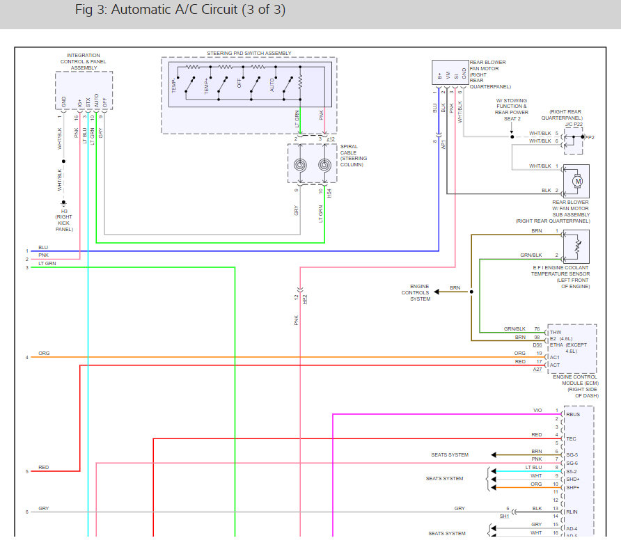
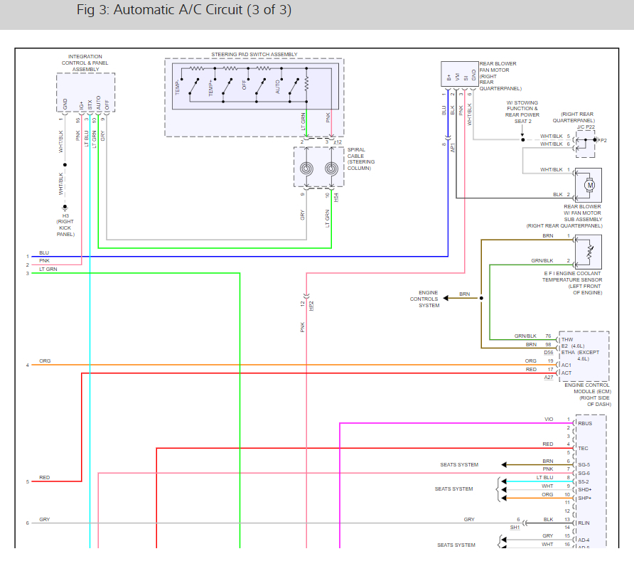
AC will get stuck in certain modes and settings. For example, right now it is stuck at 70 degrees on low. I cannot alter the temp, fan speed, cannot turn on/off, cannot turn defroster on/off, cannot turn rear ac on. Sometimes when I restart the car (maybe even several days later) it will be responsive, like new again. Sometimes it gets frozen in the off position. Same thing as above. My wife had to pull over one day on a cold January day because the windows fogged up so much she could not see and could not get anything to work.
Don McGill Toyota at Katy freeway near Dairy Ashford has replaced the AC control panel and an amplifier on two separate occasions. After each replacement, the control panel worked for a week to 10 days. Now, it is not working again. They seemed perplexed, and I am getting irritated. Their "master" mechanic also had no answer. They seem content to replace parts without diagnosing the actual issue. Any ideas??
Don McGill Toyota at Katy freeway near Dairy Ashford has replaced the AC control panel and an amplifier on two separate occasions. After each replacement, the control panel worked for a week to 10 days. Now, it is not working again. They seemed perplexed, and I am getting irritated. Their "master" mechanic also had no answer. They seem content to replace parts without diagnosing the actual issue. Any ideas??
Mar 24, 2014 at 8:14 PM






