Help me to know radio connector pinout in Toyota Corolla 2011 LE.

2011 TOYOTA COROLLA
Avatar
ANATOLY
  • MEMBER
  • 4 POSTS
I'm installing a radio to my Toyota Corolla 2011. The car from Europe, but the radio from US 2011 Corolla LE. I need to know 28-pin radio connector pinout. This connector responsible for recieving signals from USB, AUX, speed sensor and etc. Could you help me, please
Jan 18, 2012 at 5:34 AM
Advertisement
Avatar
RIVERMIKERAT
  • CERTIFIED EXPERT
  • 6,110 POSTS
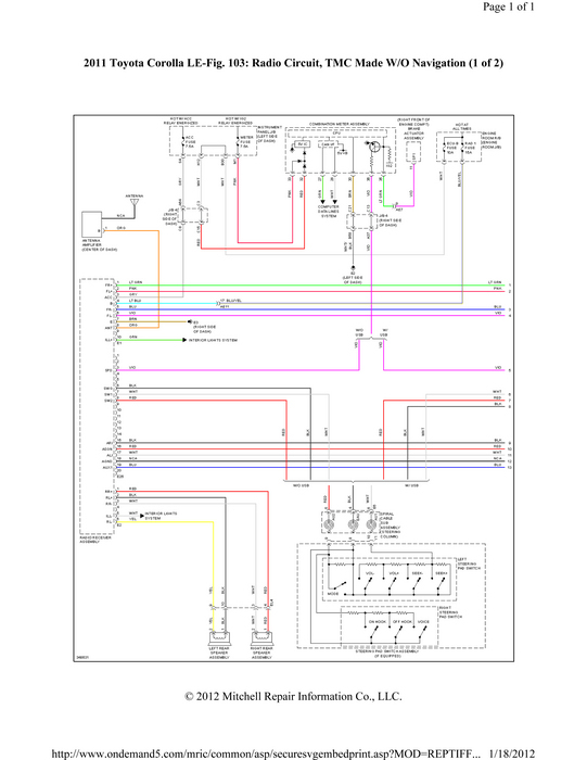
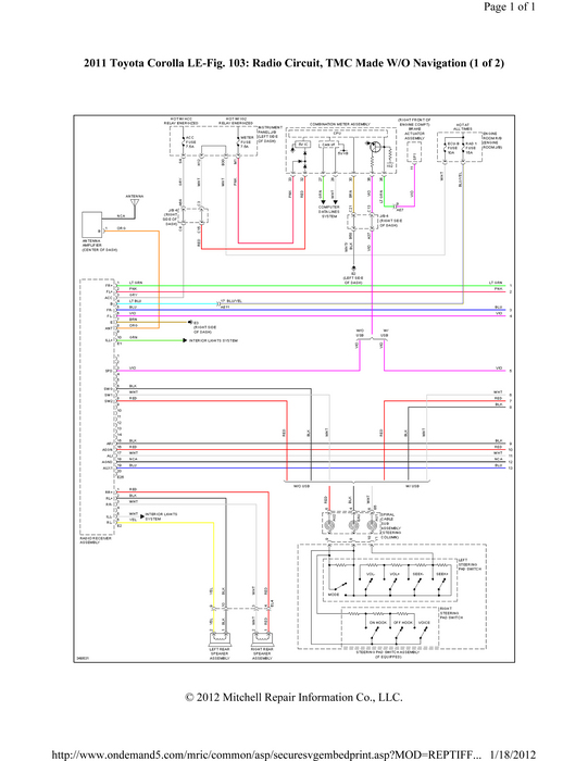
With Nav or without? With built-in amp or external amp?
Jan 18, 2012 at 8:11 AM
Avatar
ANATOLY
  • MEMBER
  • 4 POSTS
Without Nav and with built-in amp. Model ? 86120-02D20
Jan 18, 2012 at 8:22 AM
Advertisement
Avatar
RIVERMIKERAT
  • CERTIFIED EXPERT
  • 6,110 POSTS
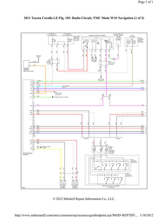
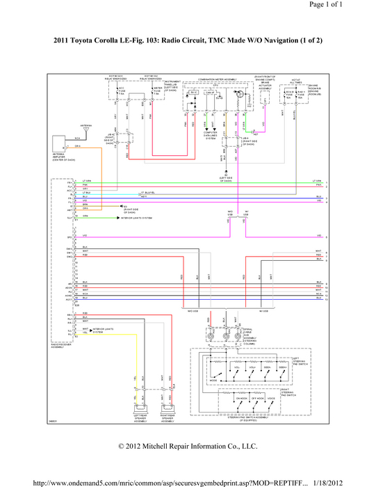
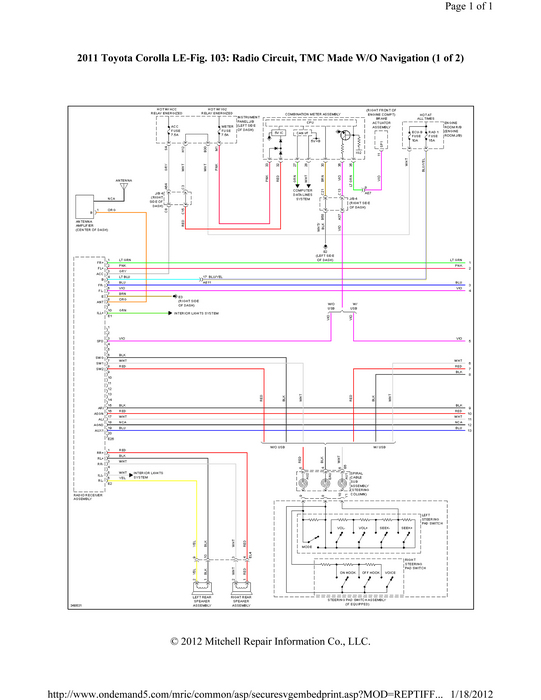
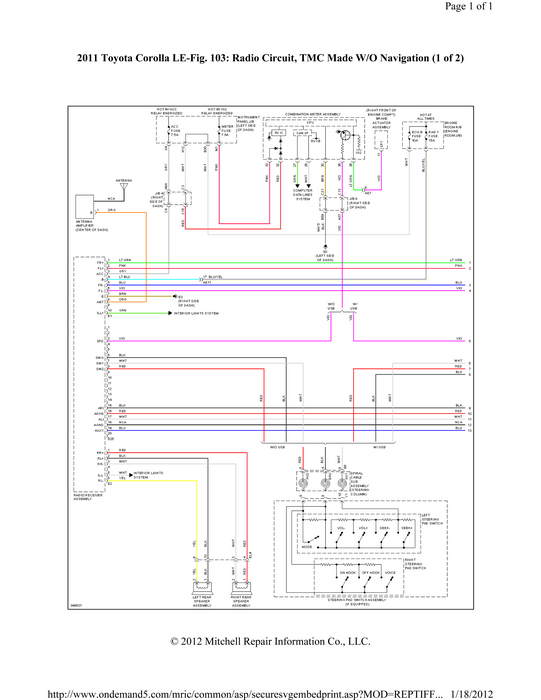
This is what we have.
Jan 18, 2012 at 8:59 AM
Avatar
ANATOLY
  • MEMBER
  • 4 POSTS
Yes, thank you very much, this is what i need, but could you place this images in higher resolution? I can not make out the inscriptions.
Jan 18, 2012 at 9:53 AM
Avatar
RIVERMIKERAT
  • CERTIFIED EXPERT
  • 6,110 POSTS
Have you downloaded them to your computer and open them with something like photo viewer or Photoshop?
Jan 18, 2012 at 6:56 PM
Avatar
ANATOLY
  • MEMBER
  • 4 POSTS
Yes, i have. I've got two 541x700 pix images. I can make out colors of wires, but can't see numbers and symbols of the wires properly. If you can't send me the images with higher resolution, I'll try to understand the existing diagrams. In any case, thank you very much for your help.
Jan 19, 2012 at 6:09 AM
Avatar
RIVERMIKERAT
  • CERTIFIED EXPERT
  • 6,110 POSTS
Ok. My originals are more than 5 times those dimensions. Do this: Click on my name in this reply. That will take you to my profile page. Under my name on that page is a link to send me a private message. As the subject for that message, use Corolla stereo schematics and as the body, give me your email address. I'll send you my originals directly.
Jan 19, 2012 at 7:09 AM
Avatar
RIVERMIKERAT
  • CERTIFIED EXPERT
  • 6,110 POSTS
DON'T put your email address in the thread here. We occasionally have trolls that come here just to find addresses to spam.
Jan 19, 2012 at 7:10 AM
Avatar
JALIS_21
  • MEMBER
  • 7 POSTS
hi rivermikerat and anatoly

can you please send me wireing diagram for corolla 2011 LE for stock headunit iam upgradeing my sound system and also adding amp so i want to know which wire goes to headunit and what color.
May 8, 2012 at 7:47 PM
Avatar
RIVERMIKERAT
  • CERTIFIED EXPERT
  • 6,110 POSTS
I just sent you a message jalis.
May 8, 2012 at 11:24 PM
Avatar
RIVERMIKERAT
  • CERTIFIED EXPERT
  • 6,110 POSTS
I will also need to know if it NUMMI made or TMC made. And I will also need to know if it has a separate or built-in amp if it's NUMMI or if it has a nav unit if it was made by TMC.
May 8, 2012 at 11:27 PM
Avatar
JALIS_21
  • MEMBER
  • 7 POSTS
can you please send me wiring diagram for corolla 2011 LE for stock head unit i am upgrading my sound system and also adding amp so i want to know color coding front +ve and -ve rear +ve or -ve. I think you guys understand what i mean to say
May 12, 2012 at 12:57 AM
Avatar
RIVERMIKERAT
  • CERTIFIED EXPERT
  • 6,110 POSTS
Avatar
J.SOLO
  • MEMBER
  • 7 POSTS
Hi Rivermikerat!

Can you send me the images of diagrams with higher resolution?

I'm trying to install a 2012 Rav 4 radio (86120-0R130) in a 2003 Toyota and I think the connectors are similar.

In any case, thank you very much for your help.
Oct 25, 2012 at 6:32 AM
Avatar
RIVERMIKERAT
  • CERTIFIED EXPERT
  • 6,110 POSTS
Is this a Corolla, Camry, Rav4 or what J. Solo?
Oct 25, 2012 at 1:22 PM
Avatar
J.SOLO
  • MEMBER
  • 7 POSTS
The radio (86120-0R130) is from a Rav4 but this model is also installed in the corolla...
Oct 25, 2012 at 1:42 PM
Avatar
J.SOLO
  • MEMBER
  • 7 POSTS
Dear Rivermikerat,
Please, can you send me the full size image of this?

mi email is [email protected]
Oct 26, 2012 at 7:27 PM
Avatar
RIVERMIKERAT
  • CERTIFIED EXPERT
  • 6,110 POSTS
Sending now.
Oct 27, 2012 at 3:02 AM
Avatar
J.SOLO
  • MEMBER
  • 7 POSTS
Thank you so much!
I will be extremely useful.
It's a shame that the plot va348631 has such low resolution...
Anyway, try to decipher.

Thank you very much again!
Oct 27, 2012 at 3:30 PM
Avatar
RIVERMIKERAT
  • CERTIFIED EXPERT
  • 6,110 POSTS
My pleasure. Please be sure to tell your friends about us.
Oct 27, 2012 at 4:35 PM
Avatar
J.SOLO
  • MEMBER
  • 7 POSTS
Hi again!

I do not want to sound ungrateful but ...

You have the va348631 picture with higher resolution?

I is still difficult to understand the words ...

Thank you!
Oct 27, 2012 at 7:15 PM
Avatar
RIVERMIKERAT
  • CERTIFIED EXPERT
  • 6,110 POSTS
Nope. I sent the highest resolution I could get. Try opening it in Photoshop or another photo program.
Oct 27, 2012 at 8:07 PM
Avatar
CARLOS9219
  • MEMBER
  • 7 POSTS
can you send me the originals to please
Feb 26, 2014 at 8:36 PM
Avatar
MOONSTAR_UA
  • MEMBER
  • 1 POST
Hi Rivermikerat! Can you send originals me to. My e-mail [email protected]. Thanks!
Apr 14, 2015 at 3:54 AM
Avatar
RIVERMIKERAT
  • CERTIFIED EXPERT
  • 6,110 POSTS
Internal or external amplifier? Made at the NUMMI plant?
Apr 14, 2015 at 1:27 PM