horn not working

2011 LEXUS IS 250
5,000 MILES
Avatar
JJCJJC
  • MEMBER
  • 4 POSTS
no horn where is horn relay located horn fuse is good and thank you
Sep 20, 2012 at 6:41 PM
Advertisement
Avatar
HMAC300
  • CERTIFIED EXPERT
  • 48,601 POSTS
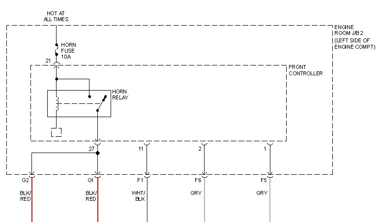
left side of engine compartment junction block fuse is there as well.
Sep 20, 2012 at 6:58 PM
Avatar
JJCJJC
  • MEMBER
  • 4 POSTS
hello i checked and there is no where i can see any horn relay and i have all the lexus books and it just shows me 3 fuses in the engine compartment 1 in fuse box -a and 2 in fuse box b and all fuses are good so what could it be that they don t work and if there bis a relay which one is it thank you jimmy
Sep 20, 2012 at 8:42 PM
Advertisement
Avatar
HMAC300
  • CERTIFIED EXPERT
  • 48,601 POSTS
the info we have for a is250 all models is its' in junction block 2 under hood lh side (driver's) it also says front controller so it may be in that and the whole controller may need replacement.
Sep 20, 2012 at 8:49 PM
Avatar
JJCJJC
  • MEMBER
  • 4 POSTS
hello and i know where the controller is and i checked the fuse is good so is there any to test the controller because all the fuses in the controller are good and whatb ever they control everything in the car is working properly so please let me know thanks jimmy
Sep 20, 2012 at 9:36 PM
Avatar
HMAC300
  • CERTIFIED EXPERT
  • 48,601 POSTS
see if you have power to the blkk/redblue red wires if you don't then its' the controller i don't think there is a test for it least not without a scanner
Sep 20, 2012 at 10:52 PM
Avatar
JJCJJC
  • MEMBER
  • 4 POSTS
hello and i checked the wires you said to check and i have power and i also checked the wires from the horns and they are good so let me ask you a question what does the airbag clock spring have to do with the horn because the wire from the horn pad plugs in to the clock spring so any help would be appricated thank you jimmy
Sep 20, 2012 at 11:20 PM
Avatar
HMAC300
  • CERTIFIED EXPERT
  • 48,601 POSTS
the clock spring is centeredon the steeringwheel so the air bag will operate correctly. if it is removed then anewone is in order. However, airbag systems should only be looked at by professionals due to the damage that it can cause the car as well as person trying torepair it. besides this car shold still be under warranty why are you messing with it.
Sep 21, 2012 at 12:38 AM