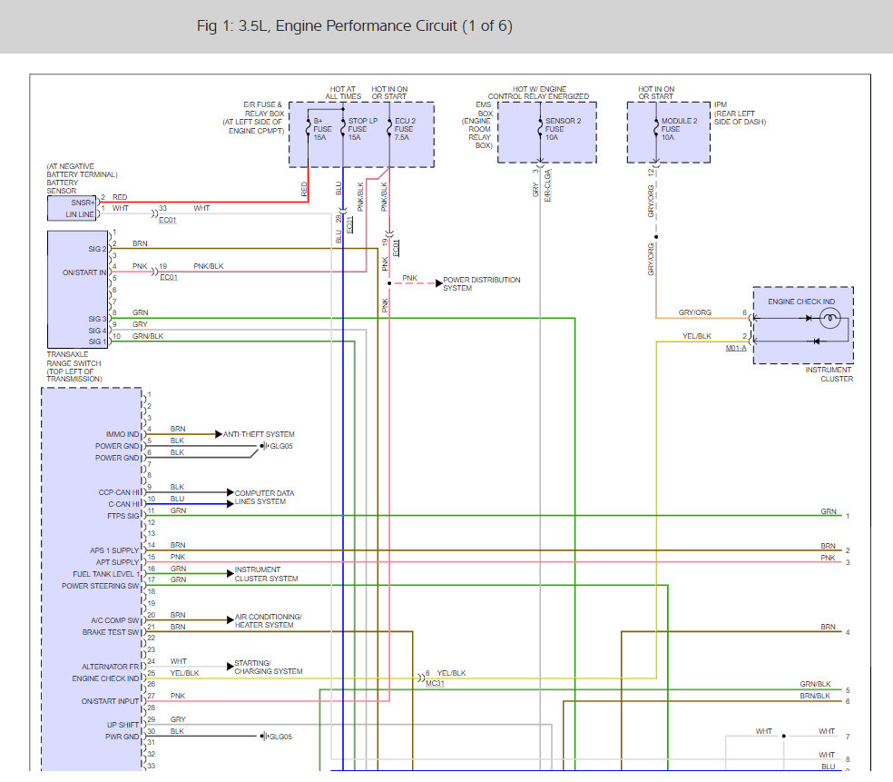
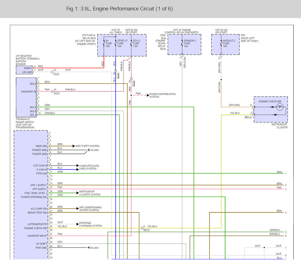
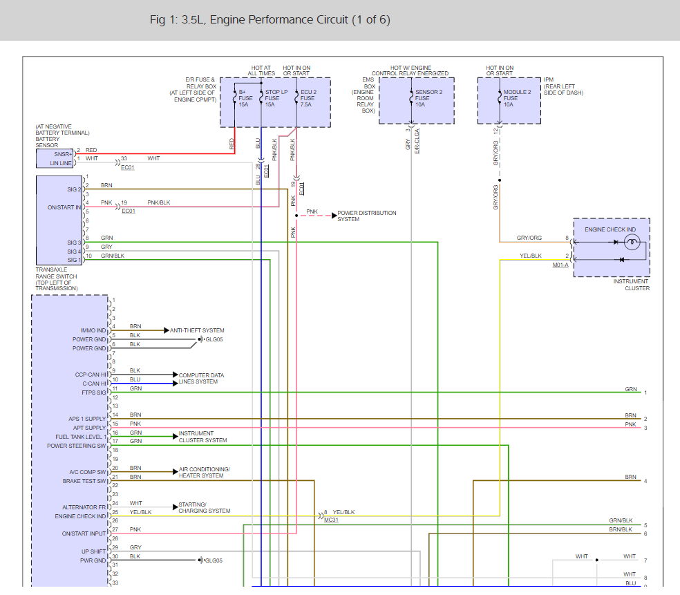
Car will turn over and it will crank if some spray ether on the breather swapped out fuel pump fuse and relay still no start getting 11volts to pump and if it is the pump do I need any tool for the fuel line on pump?
Dec 16, 2013 at 3:41 PM





















