Daytime running lights

2011 FORD F-250
V8 • 2WD • AUTOMATIC
Avatar
DEANCONS
  • MEMBER
  • 2 POSTS
I imported a 2011 Ford f-250 from the USA into Canada. Is there a way to reprogram the IDS to turn on the daytime running lights, or is some hardware modification needed?
Apr 21, 2011 at 7:27 PM
Advertisement
Avatar
KASEKENNY
  • CERTIFIED EXPERT
  • 18,907 POSTS
This depends on if the vehicle was built with DRL. I suspect it was not because when you converted the cluster over to kilometers it would not have turned them off.

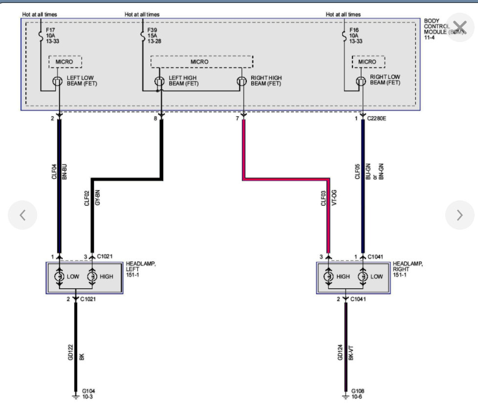
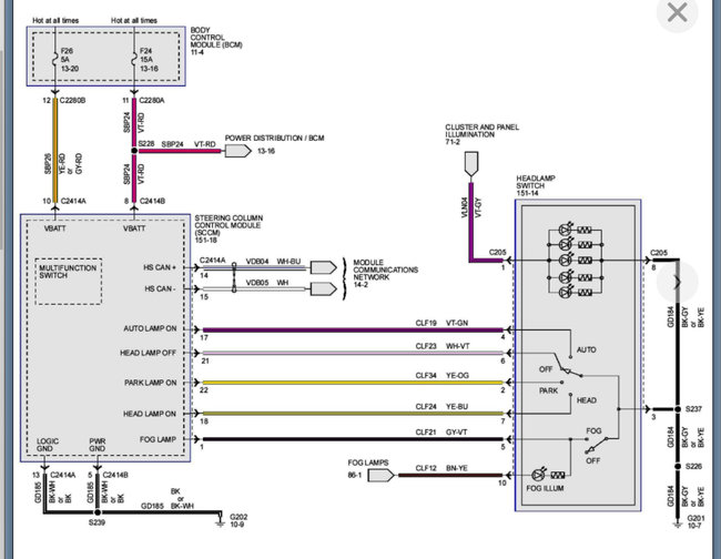
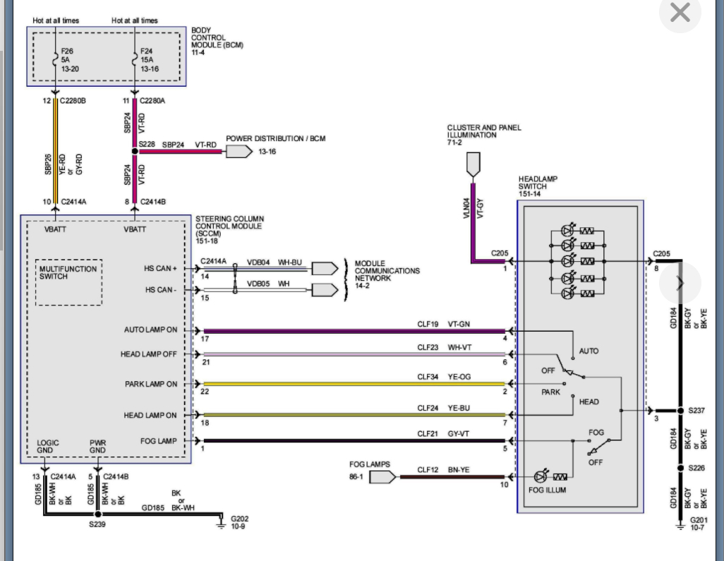
This means you need to replace the BCM, Steering column control module and add the sun load sensor if it is not equipped. Plus, we need to get the wiring harness that all comes with a vehicle with DRLs.

The dealer may have a way on this model year to add the sales code and then update the configuration but either way, you need the vehicle to know if has the DRL in order to turn them on. So, these are the only two ways to do this.

I would clearly start by contacting the dealer and see if they are able to update the sales codes and do what is called a reconfiguration.

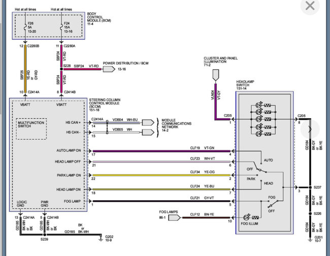
Please see the wiring diagrams below for the DRL system that will show everything that is needed.

Let us know what questions you have.

Thanks
Feb 7, 2022 at 3:16 PM