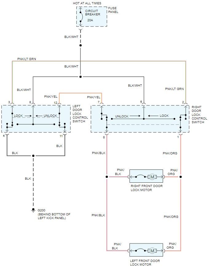
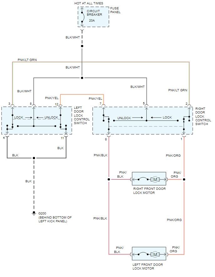
I just purchased a 2011 f150 XLT 4x4 and it did not come with driver's side keyless entry with keypad. However, I did find a keypad code on a card in the glove box. Is it possible to order a new driver's side door handle with keypad, have Ford install it, Can I purchase an OEM keypad door handle assembly and have it work in my new F150? Is there anything else that needs to be done?
Nov 27, 2011 at 6:11 PM
Please let us know what you find.







