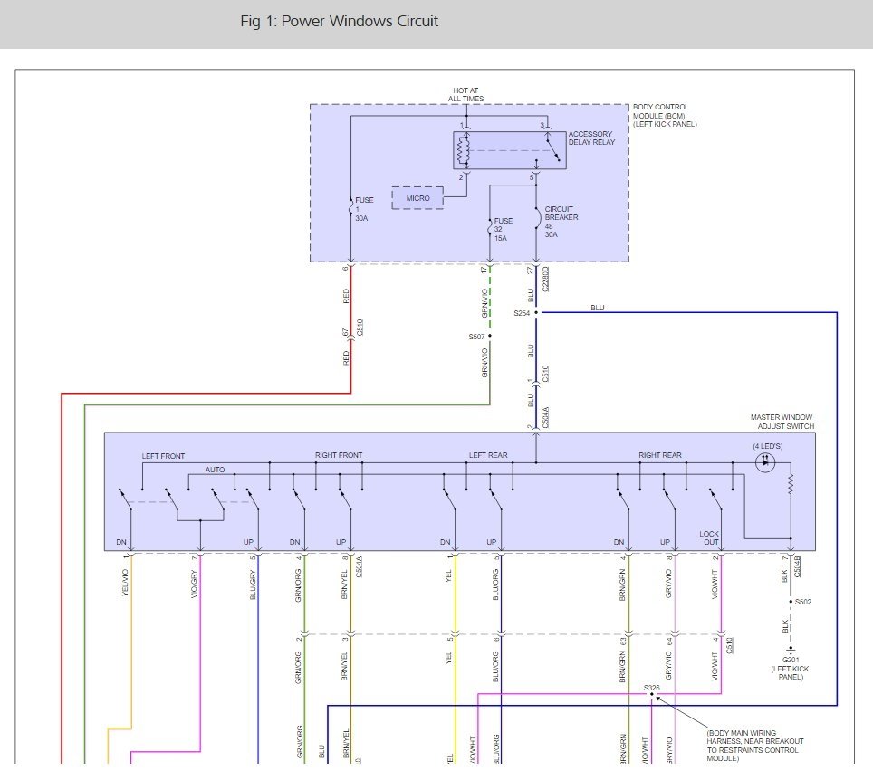
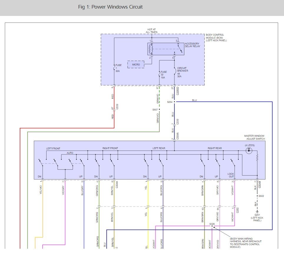
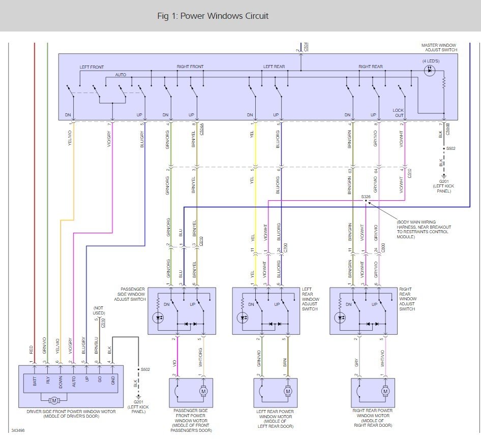
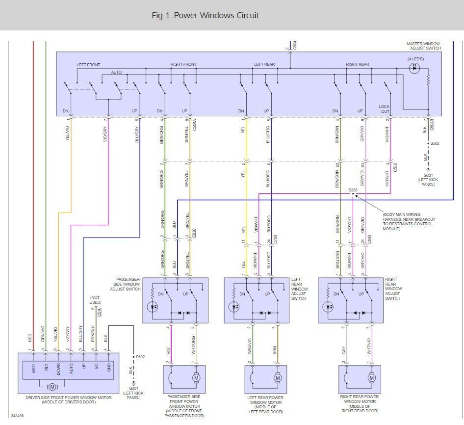
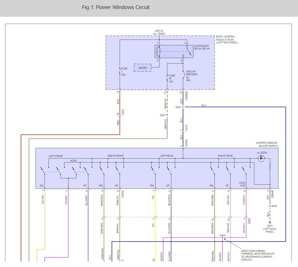
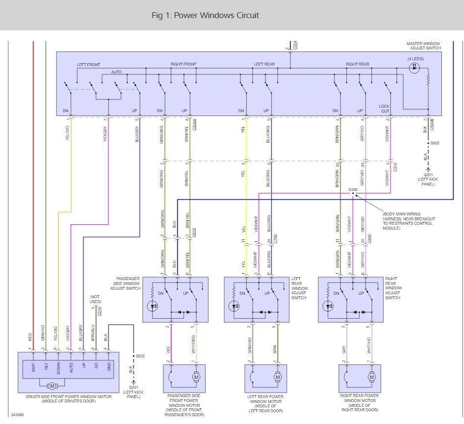
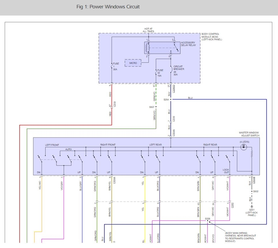
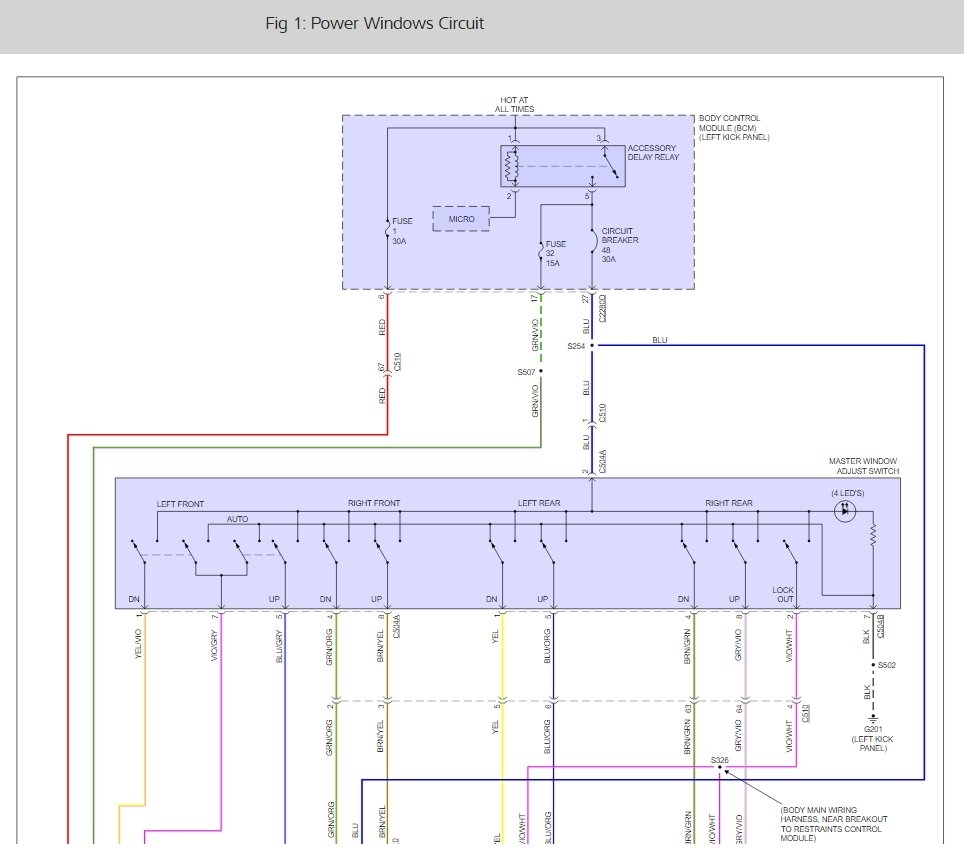
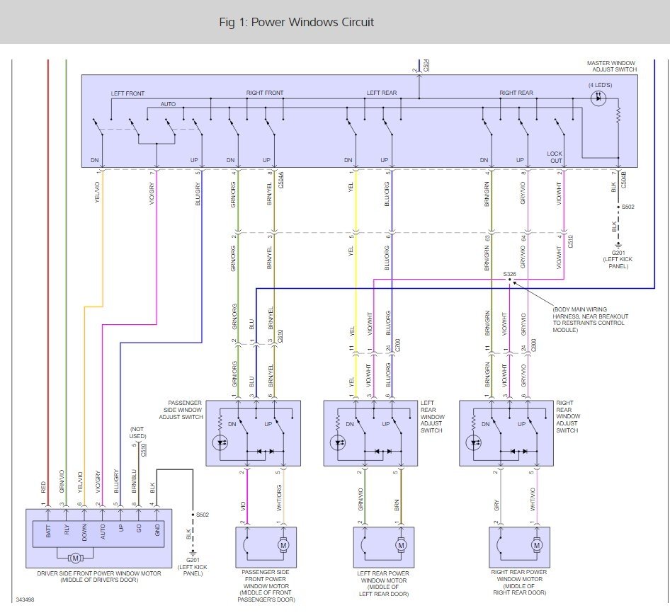
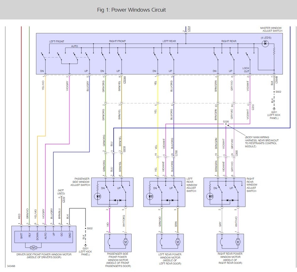
My power windows don't work I checked the fuse under the drivers side, the number 1 fuse, not sure if that's the right one I also tried stopping the car and restarting it, that didn't work. I need a detailed description of where the correct fuse is located. And if there are other areas that I should check, please send a detailed description and proper steps to follow.
Other than that, there are no other problems with the interior lighting.
Other than that, there are no other problems with the interior lighting.
Aug 16, 2013 at 1:30 PM












