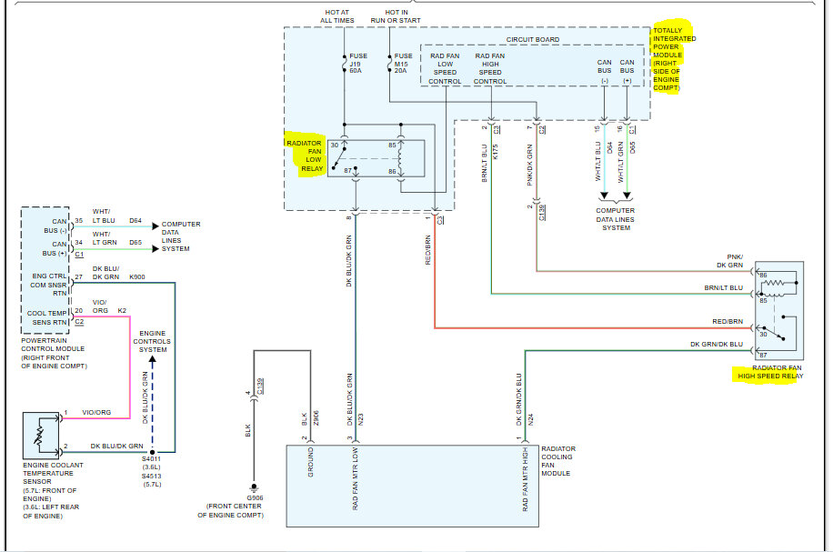
My vehicle listed above is running hot (around 230°-240°) , but I noticed that when I turn on the A/C the temperature drops back to around 210°
I'm assuming that this has to do with my fan, is there any trouble shooting info?(Relays. Fuses, ECT sensors testing )
The fan works , but doesn't cool the car down enough until I turn the A/C on.
So far I've replaced the thermostat and housing , and the water pump doesn't seem old either (previous owner replaced). No leaks either.
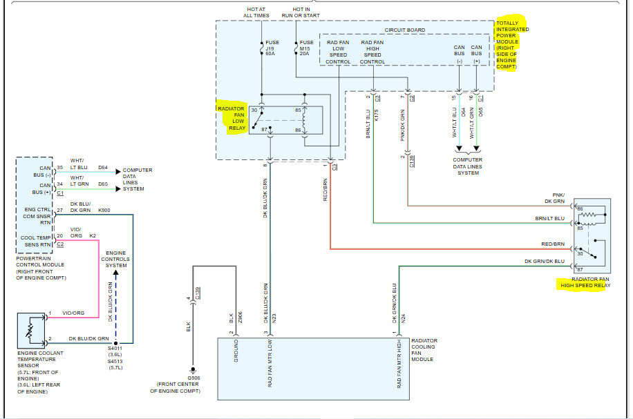
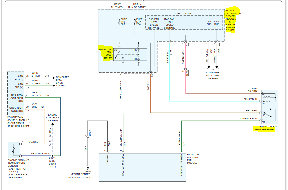
I'm assuming that this has to do with my fan, is there any trouble shooting info?(Relays. Fuses, ECT sensors testing )
The fan works , but doesn't cool the car down enough until I turn the A/C on.
So far I've replaced the thermostat and housing , and the water pump doesn't seem old either (previous owner replaced). No leaks either.
Oct 9, 2025 at 5:51 PM


