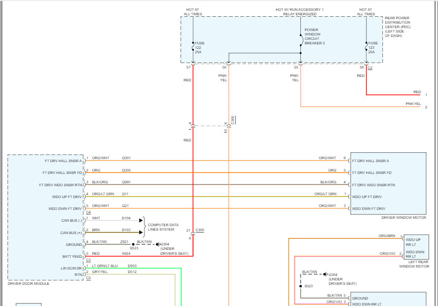
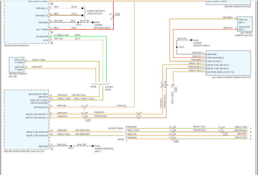
My brother's vehicle listed above has a physically broken power window switch. (Driver's window) He can't afford the entire switch set yet, but it's Texas and A/C bad.
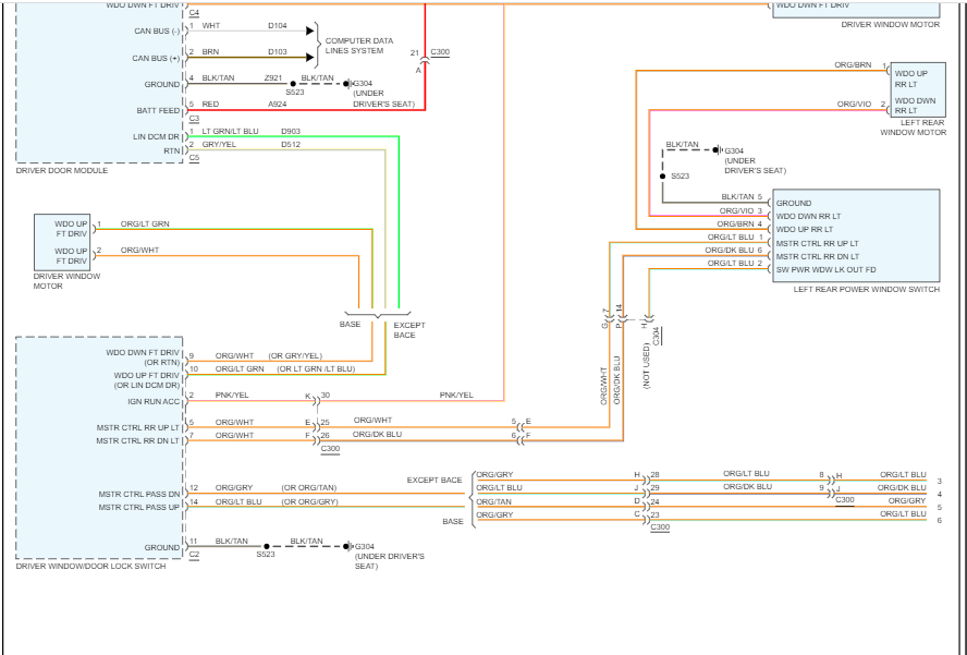
I just need to know the colors at the plug underneath the switch housing for Front left window up, down and the common so I can temporarily wire in a switch. A wiring diagram with the color codes would work. Thanks in advance.
I just need to know the colors at the plug underneath the switch housing for Front left window up, down and the common so I can temporarily wire in a switch. A wiring diagram with the color codes would work. Thanks in advance.
Jul 23, 2023 at 5:35 PM



