Heater not working

2010 TOYOTA SIENNA
100,000 MILES
Avatar
ANONYMOUS
  • MEMBER
  • 1 POST
I recently had the coolant replaced and now no heat is coming from the rear heating system. The fan works but no heat is produced. Could this be related to the coolant changeover?
Jan 7, 2013 at 1:55 AM
Advertisement
Avatar
JACOBANDNICKOLAS
  • CERTIFIED EXPERT
  • 110,175 POSTS
If you just had the system serviced, chances are there is air in the system that is causing the problem. Take it back to the people that did the work and ask them to bleed the air out of the system because you are getting no heat.

https://www.2carpros.com/articles/car-heater-not-working

Please run down this guide and report back.
Jan 7, 2013 at 3:01 AM
Avatar
SOROCHAN77
  • MEMBER
  • 1 POST
My problem is that when my van is at idle the heater blows cold air. whether the van is in Park or Drive. When the van is in motion it does produces heat. It does not produce heat like it should though. thanks
Nov 23, 2019 at 3:00 PM (Merged)
Advertisement
Avatar
RASMATAZ
  • CERTIFIED EXPERT
  • 75,992 POSTS
Check and test the thermostat could be sticking open and also the coolant level and for restricted heater core
Nov 23, 2019 at 3:00 PM (Merged)
Avatar
YECNAD
  • MEMBER
  • 1 POST
My 2005 Toyota Sienna will blow any heat in the rear. I get heat in the front, however I only get cold air from the rear blower. Any Ideas what the cause of this could be?Why would I get heat in the front but not in the back?
Nov 23, 2019 at 3:00 PM (Merged)
Avatar
STRAILER
  • CERTIFIED EXPERT
  • 53,855 POSTS
Hey YECNAD,

Yes these cars had a problem with the blend door actuator which will cause the heater not to work in the rear of the car. It is not to bad to replace BTW. Here is a guide that will help you see what you are in for when replacing it.

https://www.2carpros.com/articles/replace-blend-door-motor

Here is a diagram to help you see what it will be like in your car (below)

Please let us know what happens so it will help others.

Best, Ken
Nov 23, 2019 at 3:00 PM (Merged)
Avatar
JIMSTEVENSVT
  • MEMBER
  • 1 POST
Heater problem 6 cyl Front Wheel Drive Automatic 105000 miles

My heater blows cold air even after the car has been running for awhile. When I am driving the heat will blow hot but as soon as my foot comes off the gas the heat blows cold. I had the same issue on my 2000 and the dealer said it was a blown headgasket. I had it fixed but I still have my doubts if that was truly it.
Nov 23, 2019 at 3:01 PM (Merged)
Avatar
STRAILER
  • CERTIFIED EXPERT
  • 53,855 POSTS
A bad head gasket can cause the heater to stop working. Here is a couple of guides to get us started in confirming the problem and getting it fixed.

https://www.2carpros.com/articles/head-gasket-blown-test

and

https://www.2carpros.com/articles/car-heater-not-working

Please let us know what happens.

Cheers, Ken
Nov 23, 2019 at 3:01 PM (Merged)
Avatar
DDURRANT229
  • MEMBER
  • 1 POST
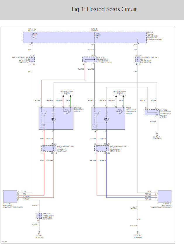
XLE van. Passenger side seat heater does not heat although the light in the dash switch comes on. Took it to Toyota for analysis and upon return the driver side has also failed after their "testing". Fuses have been checked. I need a diagnostic procedure or repair procedure.
Nov 23, 2019 at 3:01 PM (Merged)
Avatar
TOYODAMASTERTECH
  • MEMBER
  • 25 POSTS
There is a seat heater ECU that sounds like it is out, but to be sure please test the connection by following this guide and the seat heater wiring diagram.

https://www.2carpros.com/articles/how-to-check-wiring

Check out the diagrams (below).

Please let us know what you find.

Cheers
Nov 23, 2019 at 3:01 PM (Merged)
Avatar
GIRLYGIRLMC
  • MEMBER
  • 0 POST
Thanks for the guide. I did some testing and you were right it was the seat heater ECU. I replaced it now everything works! I love this site.
Nov 23, 2019 at 3:01 PM (Merged)