Air conditioning Compressor wont work?

2010 NISSAN MAXIMA
3.5L • 6 CYL • FWD • AUTOMATIC
Avatar
CAMBACCHUS
  • MEMBER
  • 1 POST
A/C cut out end of last summer.Had it check for leaks and recharged this month. New low pressure switch. still no clutch activation. please help!! It's getting hot outside. Florida
Apr 12, 2015 at 1:01 PM
Advertisement
Avatar
STRAILER
  • CERTIFIED EXPERT
  • 53,855 POSTS
Hello,

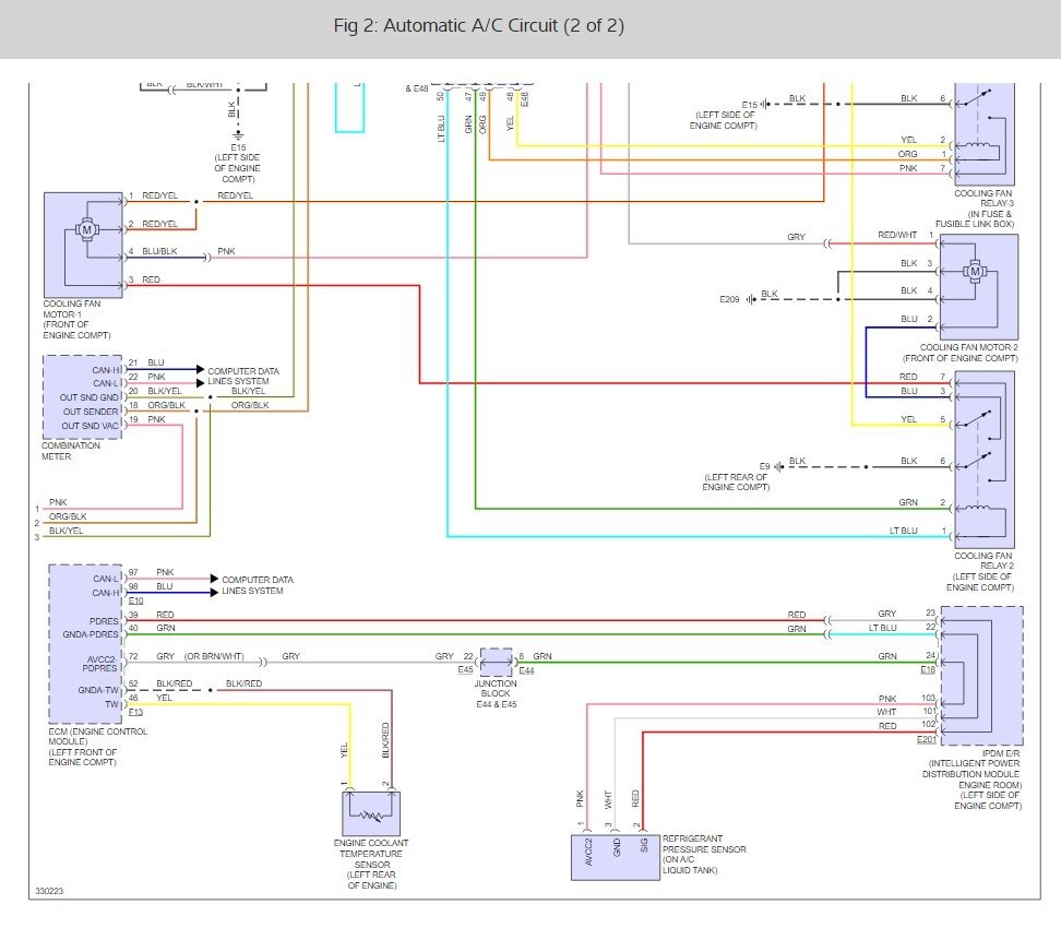
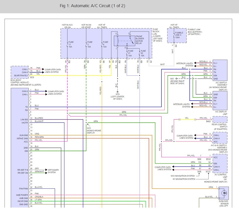
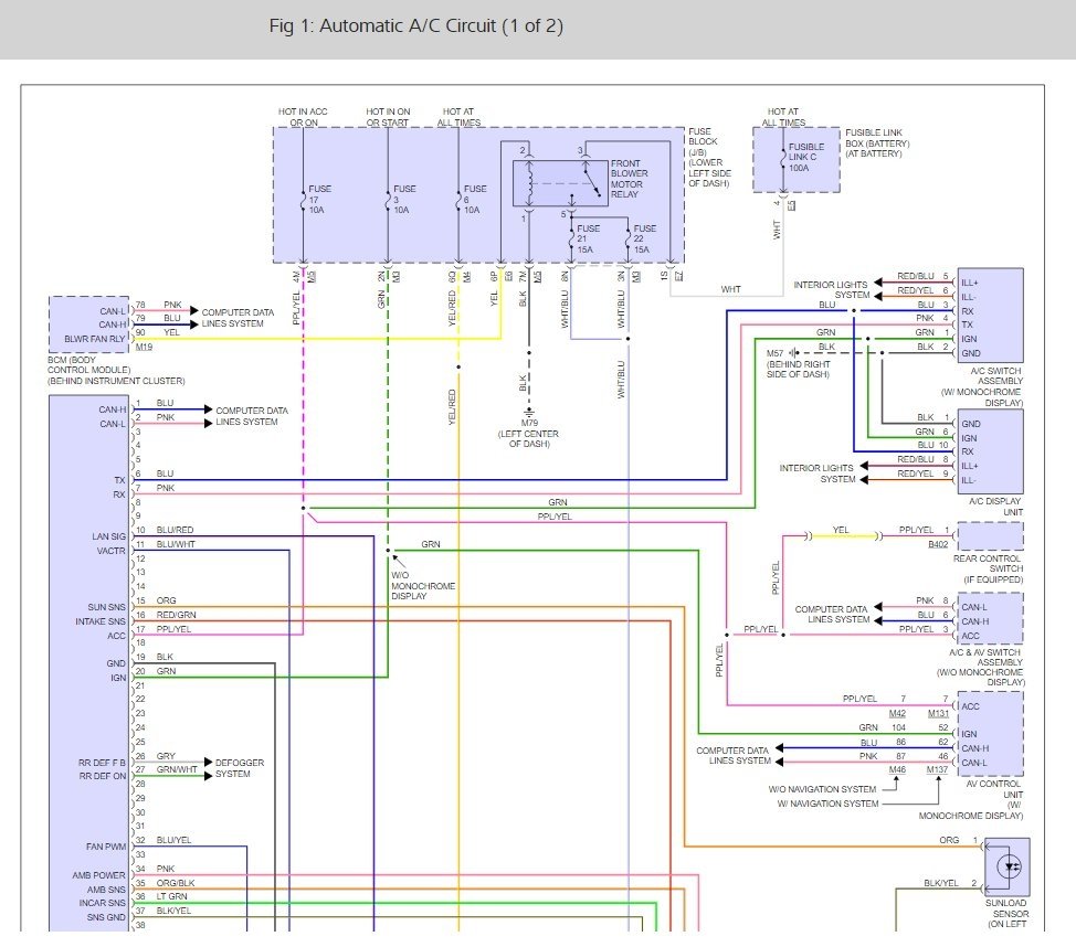
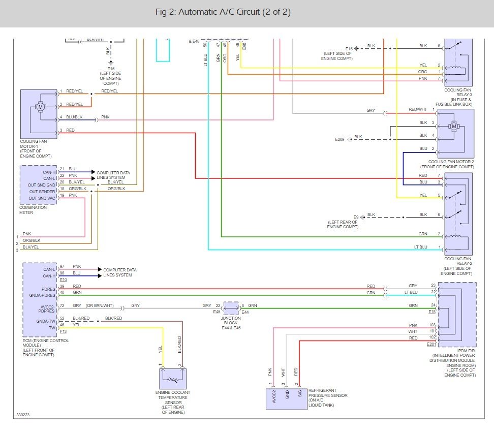
There are some fuses and a relay that runs the system. Here is some guides and diagrams (below) to the system so you can do some testing and get the problem fixed.

https://www.2carpros.com/articles/how-to-check-a-car-fuse

and

https://www.2carpros.com/articles/how-to-check-an-electrical-relay-and-wiring-control-circuit

Test to see if the compressor is getting power first, if so the compressor is bad and needs replacement.

https://www.2carpros.com/articles/replace-air-conditioner-compressor

Please run some tests and get back to us so we can continue helping you.

Cheers, Ken
Jun 12, 2017 at 5:50 PM