Running lights not working

2010 NISSAN ALTIMA
39,850 MILES
Avatar
CAULDERB
  • MEMBER
  • 2 POSTS
I checked the fuses they seem to be okay what do you think is wrong?
Sep 20, 2012 at 3:54 PM
Advertisement
Avatar
SATURNTECH9
  • CERTIFIED EXPERT
  • 30,869 POSTS
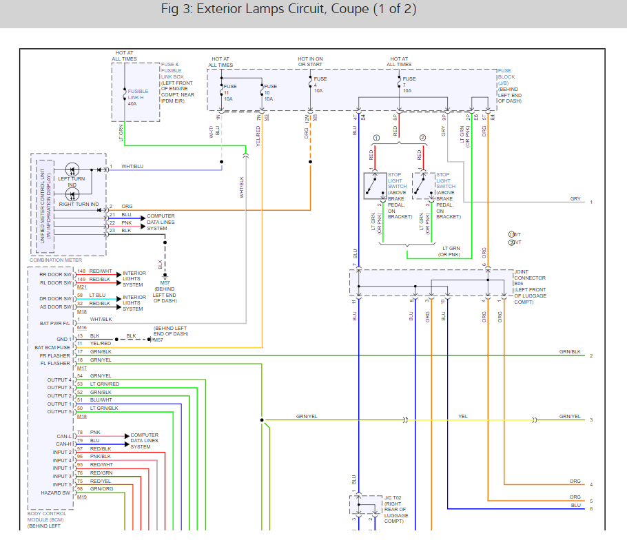
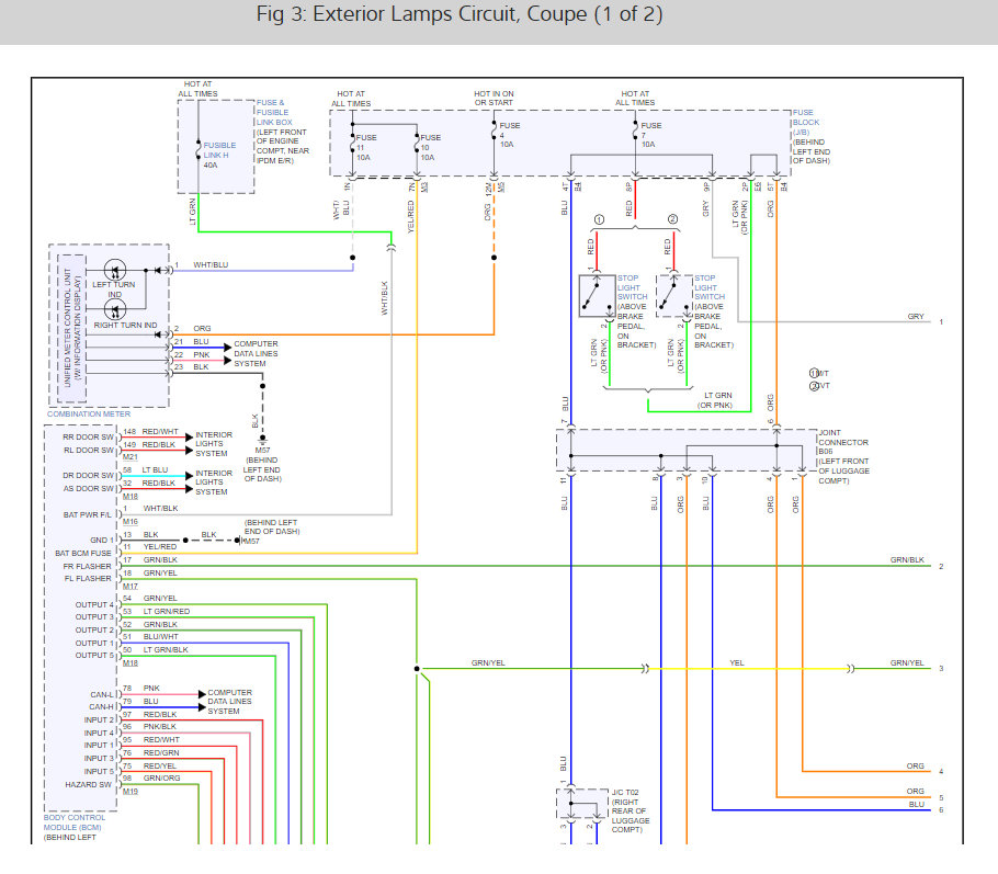
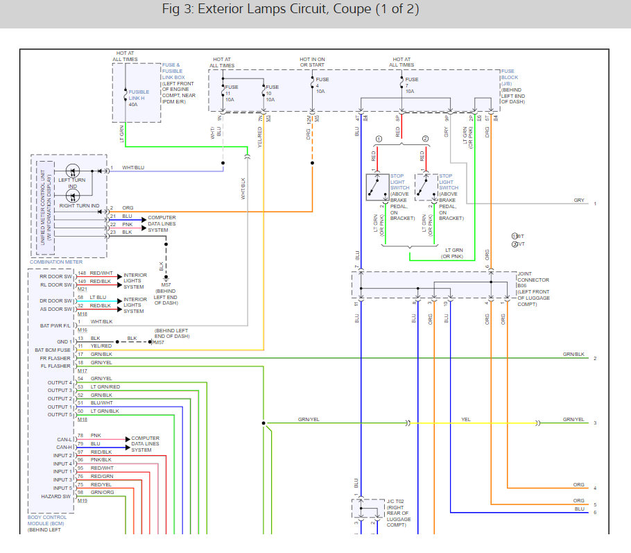
Check the fuse no.41 10 amp and the tail lamp relay it has to go through this guide and use the diagrams below to fix the problem.

https://www.2carpros.com/articles/how-to-check-an-electrical-relay-and-wiring-control-circuit

Here is the running light wiring diagrams so you can see how the system works. Check out the diagrams (Below). Please let us know what happens.
Sep 20, 2012 at 4:02 PM
Avatar
CAULDERB
  • MEMBER
  • 2 POSTS
Yep, I had to get a new IPDM to fix it, the flasher was part of the unit.
Sep 20, 2012 at 4:32 PM
Advertisement
Avatar
KHLOW2008
  • CERTIFIED EXPERT
  • 41,814 POSTS
Nice work, we are here to help, please use 2CarPros anytime.
Sep 20, 2012 at 7:10 PM
Avatar
STEPH BOTELLO
  • MEMBER
  • 3 POSTS
when i turn my light on at night my tail lights will not turn. Break lights will work and all other lights and signals work. Just not the running tail lights?
Jun 6, 2020 at 12:04 PM (Merged)
Avatar
RASMATAZ
  • CERTIFIED EXPERT
  • 75,992 POSTS
Check the fuse no.41 10amp and the tail lamp relay it has to go thru this 2 to get to the back-see below


https://www.2carpros.com/forum/automotive_pictures/12900_tail_3.jpg

Jun 6, 2020 at 12:04 PM (Merged)
Avatar
KBONNER15
  • MEMBER
  • 2 POSTS
My tail lights do not work. My blinkers and brake lights work but not my tail lights. Also my interior lights around my ac knobs do not come on as well as my radio has no light either. My radio is not the stock radio but everything worked just fine until a few days ago. I have already tried changing some of the 10A and 15A fuses in the interior panel and all of them in the engine panel.
Jun 6, 2020 at 12:04 PM (Merged)
Avatar
SATURNTECH9
  • CERTIFIED EXPERT
  • 30,869 POSTS
See if your parking light fuse is blown?
Jun 6, 2020 at 12:04 PM (Merged)
Avatar
KBONNER15
  • MEMBER
  • 2 POSTS
I don't know which fuse that is. My user guide doesn't have a fuse listing and it's not specified on the chart inside the panel.
Jun 6, 2020 at 12:04 PM (Merged)