Code U0101, there is a clunking when shifting into reverse from park and again from neutral

2010 MAZDA 3
176,534 MILES • 2.0L • 4 CYL • 2WD • AUTOMATIC
Avatar
BLUETAINO1981
  • MEMBER
  • 1 POST
Hello. I keep finding varied information as to the location or actual part. The problem I'm having is a clunking when shifting into reverse from park and again from neutral. It is slow to move when the engine and AT light are on, when they are off the vehicle runs fine. Sometimes while on the highway the car jerks like I have hit something or have put it in reverse, then jerks again in a forward motion after that happens it runs normal again. The code pulled by AutoZone is U0101. Based on other research I find that it's a computer issue and that replacing it might resolve my issue. I need clarification on whether this vehicle has a TCM or do I just need to replace the PCM which is located on the side of my battery box facing the engine. Again thank you for reading and any help you can give me and to others who might come across this.
Feb 19, 2020 at 6:14 AM
Advertisement
Avatar
SCGRANTURISMO
  • CERTIFIED EXPERT
  • 4,897 POSTS
Hello,

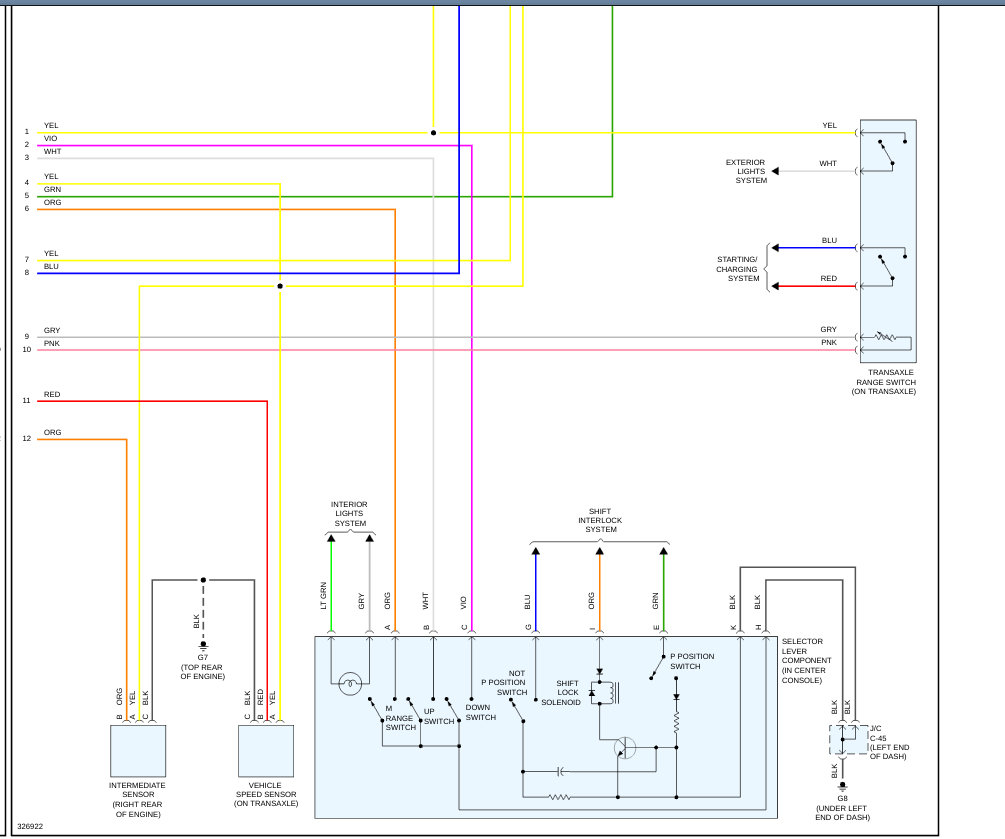
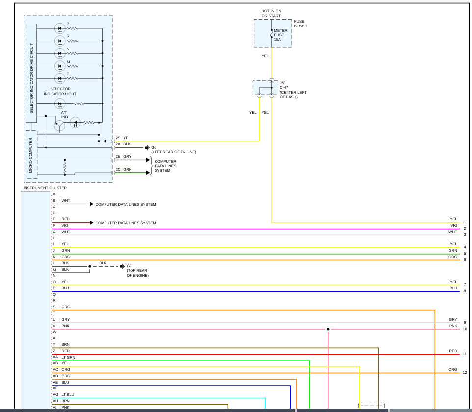
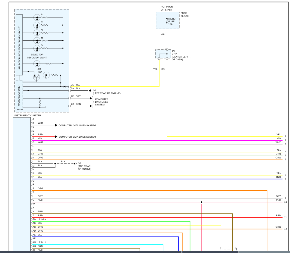
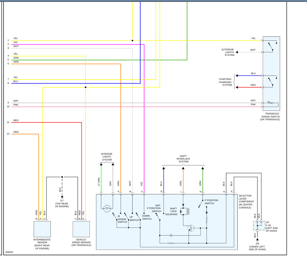
This is a problem of either a short circuit or an open in the Controller Area Network[CAN] system with the Transmission Control Module[TCM]. In the diagrams down below I have included the description and causes of Direct Trouble Code[DTC] U101, the TCM wiring diagrams, and guides on how to find a short to ground and an open in an automotive electrical circuit. You will need to use a Digital Multi-meter [DMM] to go through these guides. here is a link explaining how to use one below:

https://www.2carpros.com/articles/how-to-use-a-voltmeter

Please go through these guides and get back to us with what find out.

Thanks,
Alex
2CarPros
Feb 19, 2020 at 12:56 PM