The steering wheel light is out and the shifter lights. I have replaced the fuzes, but still not working
Nov 2, 2012 at 4:26 PM
Advertisement
STRAILER
CERTIFIED EXPERT
53,855 POSTS
Hello,
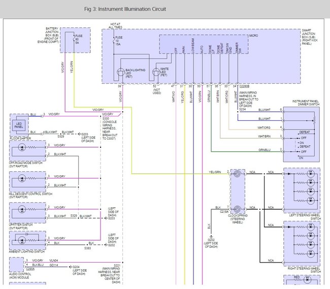
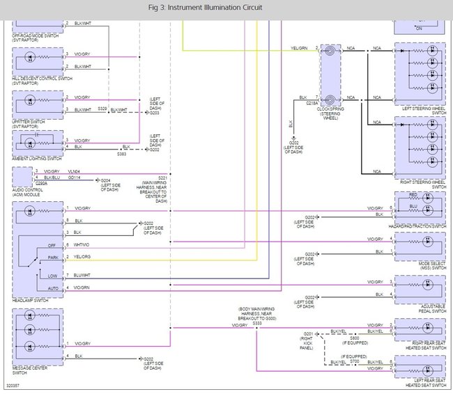
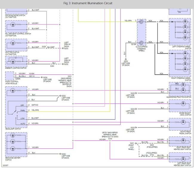
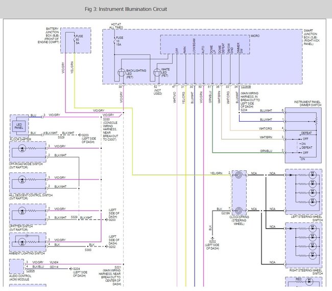
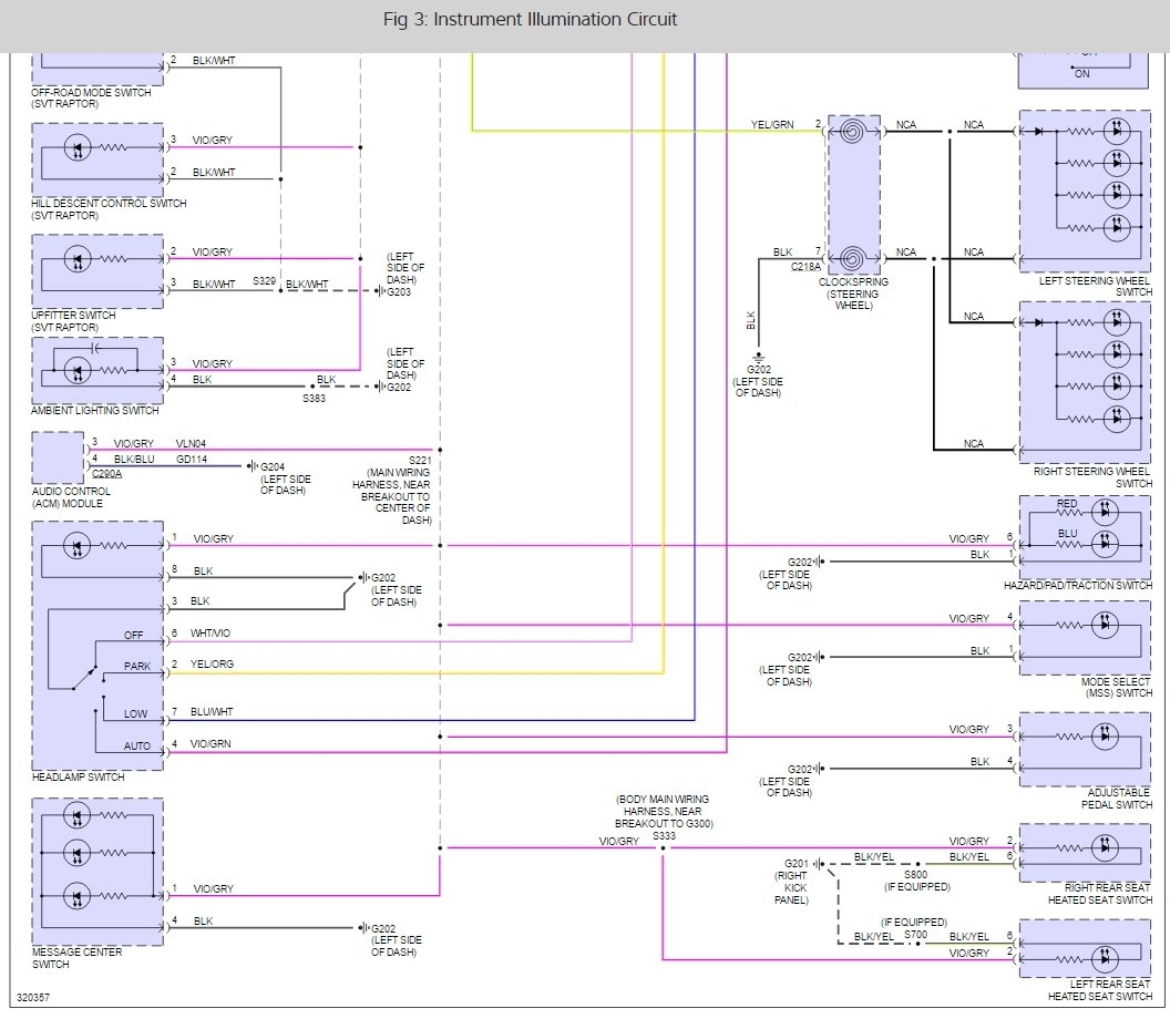
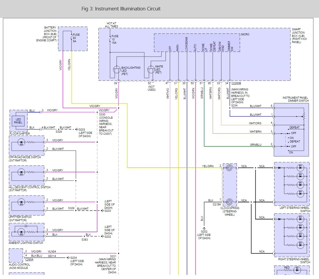
There is two fuses # 10 and # 80 that can cause this problem and a microprocessor. Here is a wiring diagram and a guide on how to test for the problem and get it fixed.
That under hood relay #10 is a large black square relay. It's 4 prong but I've had no luck finding it. Please help!!
Nov 9, 2017 at 5:28 PM
STRAILER
CERTIFIED EXPERT
53,855 POSTS
Can you send me picture of it becasue #10 is suppose to be a fuse.
Nov 10, 2017 at 9:59 AM
ARMYRYAN120
MEMBER
2 POSTS
I have the same issue with my 2010 F150 Lariat V8 5.4L. Can you help?
Fuse 80 under the hood is a 5 amp fuse and is good. The #10 fuse near the passenger side kick panel is good.
Sep 29, 2020 at 9:42 PM
STEVE W.
CERTIFIED EXPERT
15,113 POSTS
ARMYRYAN120 Could you please use this link and ask this as a new question. At the moment you are hidden by the older post.
Thank you. https://www.2carpros.com/questions/new