alternator replacement

2010 DODGE JOURNEY
Avatar
ANONYMOUS
  • MEMBER
  • 1 POST
On my Dodge Journey how do I change my alternator?
Mar 20, 2013 at 9:39 PM
Advertisement
Avatar
STRAILER
  • CERTIFIED EXPERT
  • 53,854 POSTS
Hello,

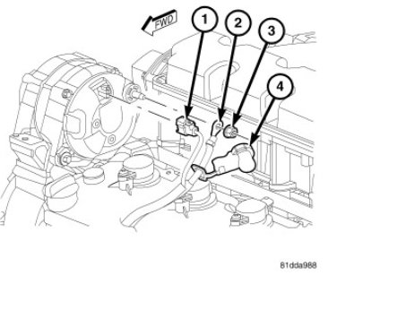
Here are some guides and diagrams that will help you get the job done. Read through the guide so you don't make any mistakes like not disconnecting the battery before you begin.

https://www.2carpros.com/articles/how-to-replace-an-alternator

and when you are done

https://www.2carpros.com/articles/how-to-check-a-car-alternator

Here are some diagrams of what it will be like on your car (Below) both engines

Please let us know what happens so it will help others.

Cheers, Ken
Oct 6, 2017 at 8:35 PM