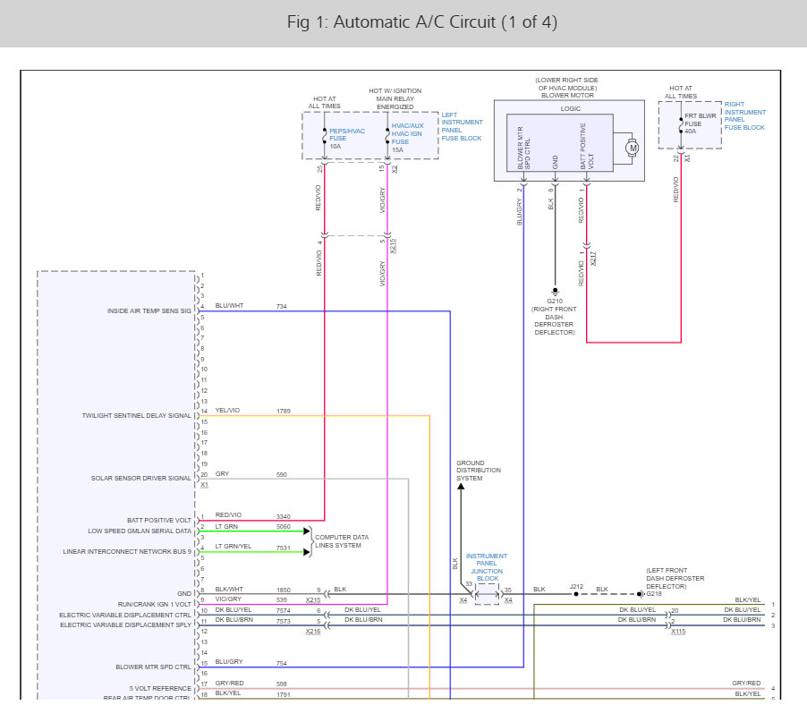
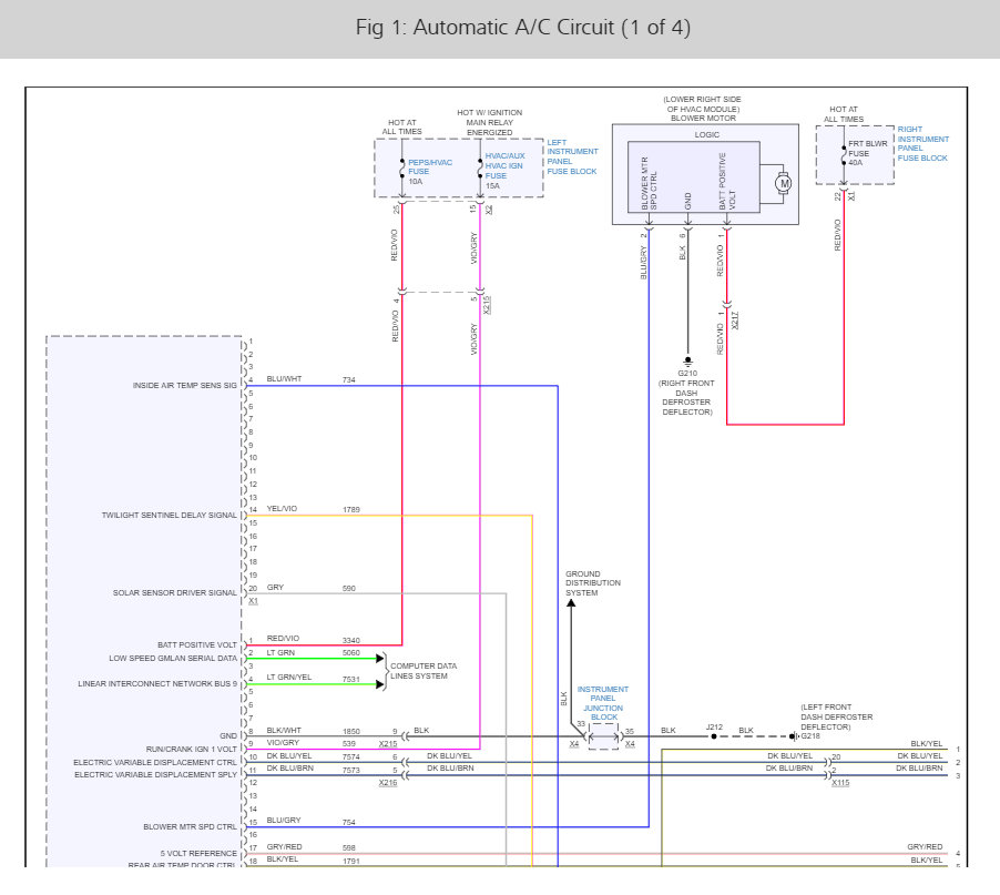
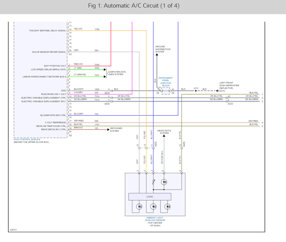
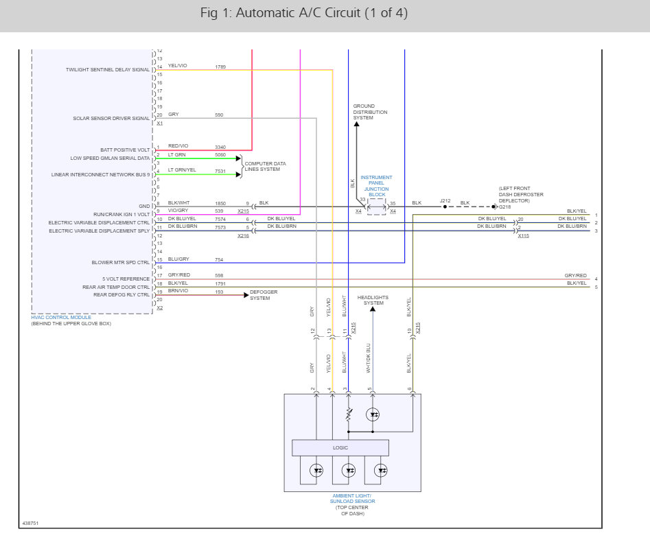
I'm looking for a wiring diagram for the truck listed above with manual HVAC/AC, without dual climate controls, with ambient temperature sensor only (no actual temperature display on DIC). Vehicle's option code is C67.
Jun 19, 2021 at 10:27 AM








