Engine wont crank over

2010 CHEVROLET CAMARO
110,000 MILES • 6.2L • V8 • RWD • AUTOMATIC
Avatar
GUSCLUES
  • MEMBER
  • 2 POSTS
car had jumper cables install on the wrong side , make a spark. now wont crank. all fuses ok. got a code uo100 no ecm communication. fuse # 5 ( ecm fuse ) has no voltage to any side ...i dont have diagrams. .. wonder if you have any diagrams to troubleshot this code... thank you.
Aug 6, 2015 at 6:09 AM
Advertisement
Avatar
RIVERMIKERAT
  • CERTIFIED EXPERT
  • 6,110 POSTS
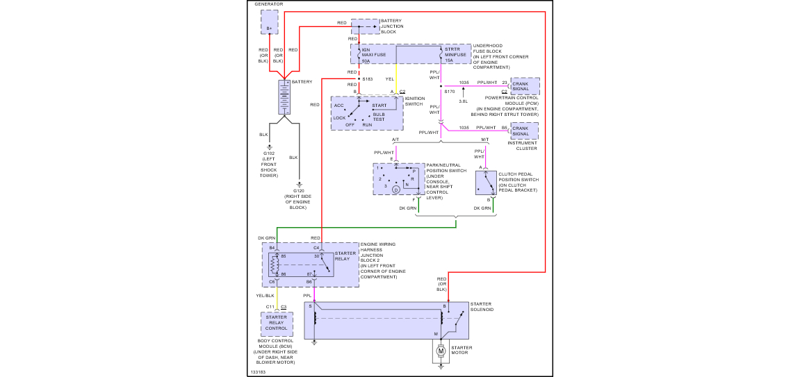
Here's what I've got that shows the power circuit for the ECM. Check the fuse also. I think the battery may have been fried, too.
Aug 10, 2015 at 7:57 AM
Avatar
GUSCLUES
  • MEMBER
  • 2 POSTS
thanks.. good pic. but i can see anything. even if i download file..
Aug 10, 2015 at 1:10 PM
Advertisement
Avatar
RIVERMIKERAT
  • CERTIFIED EXPERT
  • 6,110 POSTS
You need to click on it to make it larger

This guide will help you change it out.

https://www.2carpros.com/articles/how-to-replace-a-starter-motor

Please run down this guide and report back.
Aug 10, 2015 at 1:31 PM
Avatar
AMBER FRUGE
  • MEMBER
  • 12 POSTS
Recently replaced the clutch. Drove it home one day and has not started since. Put a new battery, new.switch, new starter, checked the fuses, the battery terminals, and alternator they were good. Still wont do anything more than click and lights come on.
Apr 7, 2020 at 11:51 AM (Merged)
Avatar
AL514
  • CERTIFIED EXPERT
  • 5,465 POSTS
there are two wires on the starter. One has power all the time from the battery, the other is from the ignition switch. check both for power. one power all the time , and one with power when cranking the engine over. let us know the results.
Apr 7, 2020 at 11:51 AM (Merged)
Avatar
AMBER FRUGE
  • MEMBER
  • 12 POSTS
Tried that yesterday, when we turn the ignition starter loses all power. Got the starter tested at auto parts store it came back good. Put a new switch still nothing. Tried bypassing vats nothing.
Apr 7, 2020 at 11:51 AM (Merged)
Avatar
AL514
  • CERTIFIED EXPERT
  • 5,465 POSTS
what do you mean it loses power? you are losing power on the wire from the battery? or just do not have power on the ignition switch wire?
Apr 7, 2020 at 11:51 AM (Merged)
Avatar
AMBER FRUGE
  • MEMBER
  • 12 POSTS
The starter loses all power. We just finished rechecking all the fuses, tried to reset this system with this guide worked great.

https://www.2carpros.com/articles/how-to-reset-a-security-system

Apr 7, 2020 at 11:51 AM (Merged)
Avatar
AL514
  • CERTIFIED EXPERT
  • 5,465 POSTS
here is a wiring diagram of the starter circuits. does this car have a starter solenoid separate from the starter itself? or is it built into the starter? sorry didn't see you reponce.
Apr 7, 2020 at 11:51 AM (Merged)
Avatar
AL514
  • CERTIFIED EXPERT
  • 5,465 POSTS
Nice work, we are here to help, please use 2CarPros anytime.
Apr 7, 2020 at 11:51 AM (Merged)
Avatar
EIKERMANN94
  • MEMBER
  • 1 POST
Alright, so here's the deal.. Before i left for basic training in October i drove the car daily, minor problems like oil pressure that's it. I came back home around Christmas and the car started up fine, put it in drive and about 4 feet down the driveway the car started smoking out the engine, stopped the car popped the hood let it cool down and it started leaking engine coolant, replaced the water pump, still leaking.... Then had to leave for my schooling a week after i got home just threw a car cover on top of it and waited till i got home, got back home in May, took off my water pump and found the leak was coming from the plastic coolant elbows, notorious for cracking, replaced them good to go, then needed a new battery for my car, got that installed and now the car wont crank.. So now i don't know what to do. The starter, alternator, battery, and the ground are all fine, i have a strong feeling it has to do with the aftermarket security system in the car that was already in it when i purchased the vehicle, cause the security light sometimes stays on the dash and sometimes doesn't, I don't know if the new battery restarted the security system or what but it won't let me start... Please let me know if anyone has heard of this issue or has a solution thanks a lot!
Apr 7, 2020 at 11:51 AM (Merged)
Avatar
HMAC300
  • CERTIFIED EXPERT
  • 48,601 POSTS
reset the security system anytime you disconnect a battery you have ot reset it even factory units. look on line on how to do it as it's a n aftermarket one long as you know what kind it is. if not call a place that installs them
Apr 7, 2020 at 11:51 AM (Merged)
Avatar
AL514
  • CERTIFIED EXPERT
  • 5,465 POSTS
or I guess my question is, is there only one wire going to the starter??
Apr 7, 2020 at 11:51 AM (Merged)
Avatar
AL514
  • CERTIFIED EXPERT
  • 5,465 POSTS
if it is just clicking more than likely it is a bad starter solenoid.
Apr 7, 2020 at 11:51 AM (Merged)
Avatar
AMBER FRUGE
  • MEMBER
  • 12 POSTS
Had the starter teated it came back good.
Apr 7, 2020 at 11:51 AM (Merged)
Avatar
CJ MEDEVAC
  • CERTIFIED EXPERT
  • 11,004 POSTS
Different Feller,

I have sort of been following along.

This kind of works better if you answer questions, even a "I do not know", might aid in getting help with a what to check or test.

We do try to help!

The Medic
Apr 7, 2020 at 11:51 AM (Merged)
Avatar
AL514
  • CERTIFIED EXPERT
  • 5,465 POSTS
test with a multimeter at the starter and see if you are getting a full twelve volts down there. and if the car has been sitting now for while, the battery is getting weak.
Apr 7, 2020 at 11:51 AM (Merged)
Avatar
AMBER FRUGE
  • MEMBER
  • 12 POSTS
Okay. First thing we did was buy a new starter, did not work. Then we bought a new battery. still did not work. So we tested the solenoid, it is good. Load tested the battery, its good. Tested the starter, it turned over.
Apr 7, 2020 at 11:51 AM (Merged)
Avatar
JJAX50
  • MEMBER
  • 1 POST
I have a 2001 Camaro V6-3800 3.8L that I purchased used with 70000 miles odometer. The car was in good shape and ran well for 8000 miles. I started having starter problems and the local shop tested the starter. They said it looked new but tested bad and replaced it. The starter still had issues so they replaced the ignition switch. As it is now they don't know what is wrong, but it still doesn't work right. The car starts fine many times, but then will not start. During the times it is not starting the key is turned and nothing happens. After the key is tried over and over the starter sometimes makes an intermittent grinding noise and the car starts. The key has a chip in it and I only got one when I bought the car so I haven't been able to try another key.
Apr 7, 2020 at 11:51 AM (Merged)
Avatar
BMRFIXIT
  • CERTIFIED EXPERT
  • 19,053 POSTS
next time it fail to start
check if security light on and or blinking and if so
its the security system at fault
you can look up on youtube as they have many ways to bypass the system
Apr 7, 2020 at 11:51 AM (Merged)
Avatar
AMBER FRUGE
  • MEMBER
  • 12 POSTS
Checked the fuses, had a few bad ones so we replaced them. Put a new ignition switch, still wont do more than 'click'. The gauges go haywire and the lights come on but nothing else.
Apr 7, 2020 at 11:51 AM (Merged)
Avatar
AMBER FRUGE
  • MEMBER
  • 12 POSTS
Then we bypassed the VATS, still no good. Now we are switching out the circuit board under the passenger side dash with the one from a parts car that only has body damage.
Apr 7, 2020 at 11:51 AM (Merged)
Avatar
AMBER FRUGE
  • MEMBER
  • 12 POSTS
Already did that, it is good. and we have a battery charger and have already make sure it has a strong charge.
Apr 7, 2020 at 11:51 AM (Merged)
Avatar
AMBER FRUGE
  • MEMBER
  • 12 POSTS
Forgot to add, we have to keep disconnecting the battery or the outside light stays on.
Apr 7, 2020 at 11:51 AM (Merged)
Avatar
AL514
  • CERTIFIED EXPERT
  • 5,465 POSTS
outside light? which ones?
Apr 7, 2020 at 11:51 AM (Merged)
Avatar
TREVOR SPEAKE
  • MEMBER
  • 1 POST
I was on the highway from a long trip and my check engine light came on and it went off for a minute then my car died. I lost throttle power and my car started over heating. I pulled over and I let it cool off and all my electronics work. it will turn over but wont start. I am trying to find a good place to start looking on what to fix?
Apr 7, 2020 at 11:51 AM (Merged)
Avatar
AL514
  • CERTIFIED EXPERT
  • 5,465 POSTS
the box under the passenger side dash your changing is the body control module. it does ground the starter relay, but I did not know anything about lights staying on.
Apr 7, 2020 at 11:51 AM (Merged)
Avatar
HMAC300
  • CERTIFIED EXPERT
  • 48,601 POSTS
scan for codes and check fuel pressure with a gauge auto parts rent it. also because of overheat check coolant level may have blown a head gasket.
https://www.2carpros.com/articles/how-to-check-fuel-system-pressure-and-regulator
Apr 7, 2020 at 11:51 AM (Merged)
Avatar
AMBER FRUGE
  • MEMBER
  • 12 POSTS
I know. I forgot to mention that. When the battery is connected the headlights taillights and brakes lights all stay on even though it wont do more than click and even when we do not have the key in the ignition.
Apr 7, 2020 at 11:51 AM (Merged)
Avatar
AMBER FRUGE
  • MEMBER
  • 12 POSTS
We have been working on it for the last two weekends. I think we might call it quits and drag it to the shop.
Apr 7, 2020 at 11:51 AM (Merged)
Avatar
CJ MEDEVAC
  • CERTIFIED EXPERT
  • 11,004 POSTS
You bypassed VATS with a resistor?

Did you try a different key prior to the bypassing?

The Medic
Apr 7, 2020 at 11:51 AM (Merged)
Avatar
AMBER FRUGE
  • MEMBER
  • 12 POSTS
Another key as in a key code, or actual physical key? The car has an aftermarket radio and the only way to enter a new code is either with the original radio or a mechanic has to use some kind of special machine. As for physical key, i only have the one and it is in decent shape.
Apr 7, 2020 at 11:51 AM (Merged)
Avatar
STRAILER
  • CERTIFIED EXPERT
  • 53,854 POSTS
Hi Amber,

I have seen this problem before in the hop a while back, it turned out to be the positive battery cable had gone bad internally, please check this out by testing fro voltage at the battery and then at the starter when cranking it over, it should stay at 12 volts.

Please let me know what you find.

Ken
Apr 7, 2020 at 11:51 AM (Merged)
Avatar
LORIMICHELETTI
  • MEMBER
  • 1 POST
ok from the begining of my problems. I had a 2000 engine put into my 99 camaro. Recently it started loosing power and stalling at an even idel and under even a small load. Then when i went to start it there was nothing no clicks, buzzes ect nothing. So i tried it again after hitting the fuse panel inside the car. the it started. Still stalling. This happed again and I did the same with the same results. Then later that day i started it and it ran for a little bit then died and the radio and bright light indicator on dash and the blinker lights remained on after turning car off. I got it home and charged the battery and tried it again and the same thing but this time before it died all the dials on the instrument panel went tallywacker. Where should i start?
Apr 7, 2020 at 11:51 AM (Merged)
Avatar
RASMATAZ
  • CERTIFIED EXPERT
  • 75,992 POSTS
Hi lorimicheletti, Welcome to 2carpros and TY for the donation.

Multiple problems

Check and test the idle air control valve, EGR valve and throttle positon and manifold absolute pressure sensors-for the other problems and idle/load-could be all coming from a defective ignition switch
Apr 7, 2020 at 11:51 AM (Merged)
Avatar
GARRICKD
  • MEMBER
  • 1 POST
Ok well my car will turn over and it has a full tank of gas but it wont seem to start. any suggestions?
Apr 7, 2020 at 12:01 PM (Merged)
Avatar
BLACKOP555
  • CERTIFIED EXPERT
  • 10,386 POSTS
well the only thing to do is check for spark on all cylinders wiht a spark tester.

and check for fuel pressure.

and then get back to me so we can find out whats wrong.
Apr 7, 2020 at 12:01 PM (Merged)