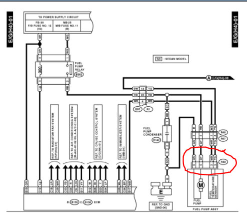
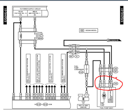
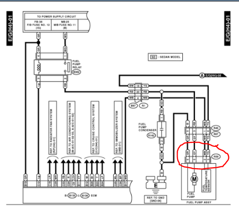
Yes, I have the vehicle listed above non turbo. the fuel pump went out during a storm up the canyon where I work. long story short; i did my checks started with power spark fuel and found it was fuel pump. when i pulled the fuel pump out i found that the 6 pin connecter that plugs into the top. one of the pins is burned out. where do i find this part? or how can i fix it?
Mar 6, 2014 at 10:05 PM

