one headlight doesn't work

2009 PONTIAC TORRENT
170,000 MILES • 6 CYL • 2WD • AUTOMATIC
Avatar
17MIKE
  • MEMBER
  • 1 POST
One of my headlights does not work. The high beam seems to work. Cannot figure out the problem
Apr 5, 2014 at 10:45 AM
Advertisement
Avatar
OBXAUTOMEDIC
  • CERTIFIED EXPERT
  • 3,711 POSTS
Hello,

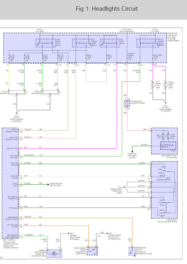
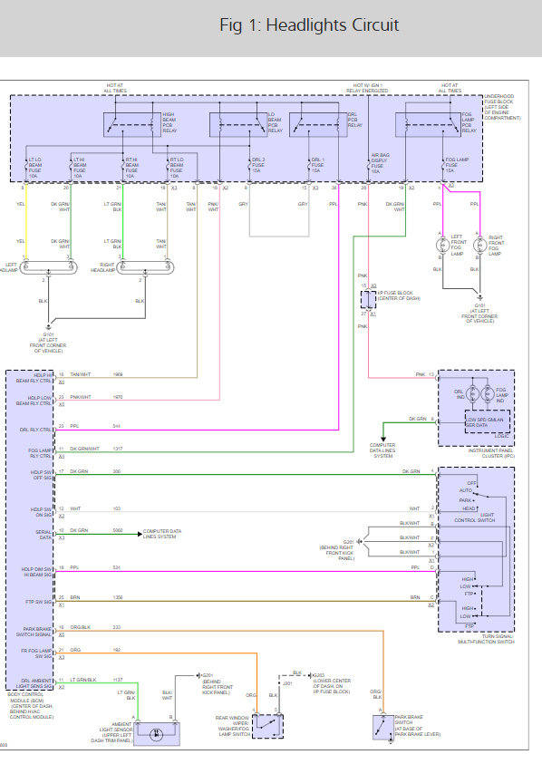
I would start by checking the headlight fuses because each headlight has its own fuse for high and low beam.

Here is a guide to help you get started.

https://www.2carpros.com/articles/how-to-check-a-car-fuse

Here are the headlight wiring diagrams so you can see how the system works.

Check out the diagrams (Below)

Please run some tests and get back to us.

Cheers
Apr 6, 2014 at 6:46 AM
Avatar
17MIKE
  • MEMBER
  • 1 POST
It was the fuse nice work I didn't think it had separate fuses. Learn something new everyday. I love this site.
Apr 16, 2014 at 6:06 AM
Advertisement