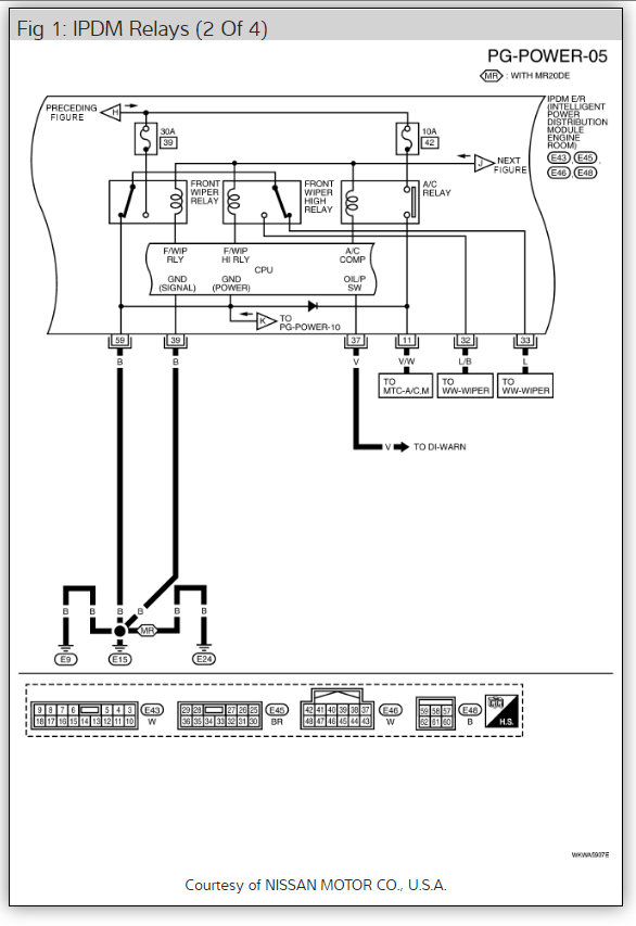
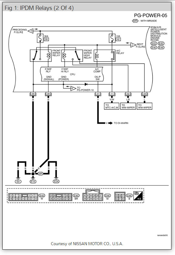
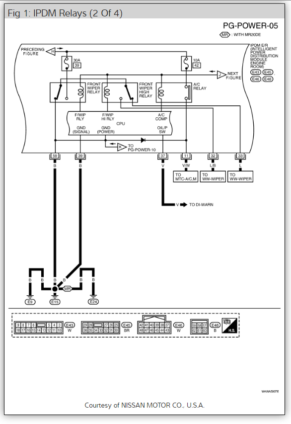
The car has a CVT transmission. It is my father in laws car he was driving home and turned his AC off due to getting to cold at the time he said when he went to turn it back on it would not come back on he said. I hooked up AC gauges when I did not hear AC clutch engaging after he got here thinking maybe Freon leak or something and gauges read 120 on both sides low and high with engine running I checked AC compressor fuse its okay. I tested for voltage at AC coil plugin In getting battery voltage with volt meter if I ground my ground lead but not if I use ground side of connector so I am assuming this has to be ground issue somewhere like PCM ground control issue correct? but I cannot find relay no where for AC compressor relay or location nowhere or wiring diagram to understand how it applies. Please help with any advice. Thank you sir. Joseph
Jul 26, 2015 at 8:12 PM



