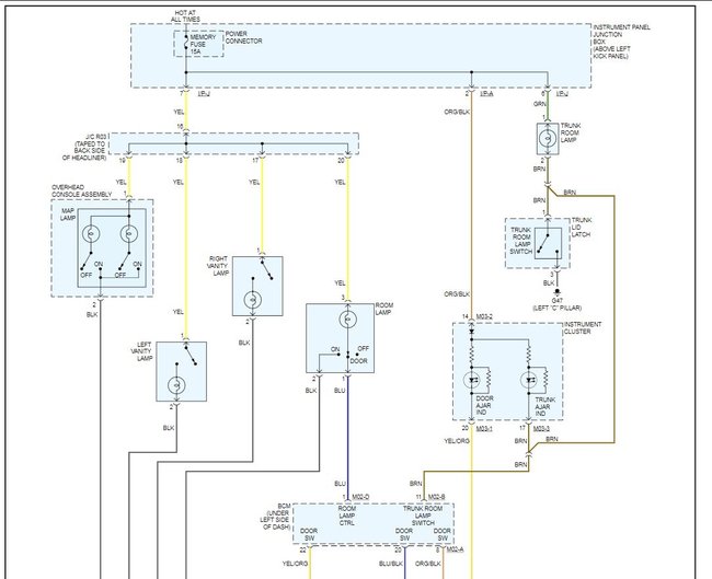
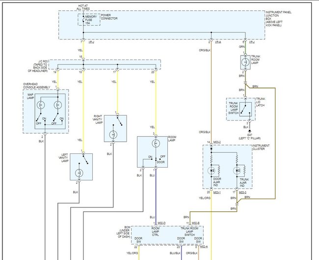
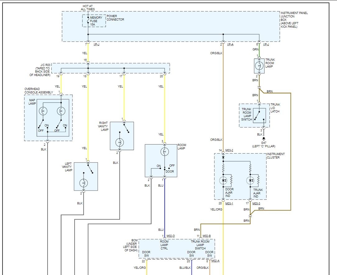
Interior lights dont work when door opens. I checked the bulb and fuse and they are okay. The switch is in the correct position.
Is there something else I need to check?
Is there something else I need to check?
Nov 18, 2012 at 3:14 PM

