TCM location

2009 HYUNDAI ELANTRA
2.0L • 4 CYL • 2WD • AUTOMATIC
Avatar
JAMSAM
  • MEMBER
  • 1 POST
where is the TCM in 2009 Elentra? and how does it look like?
Jun 15, 2014 at 11:48 AM
Advertisement
Avatar
HMAC300
  • CERTIFIED EXPERT
  • 48,601 POSTS
Looks like a square box. See picture.
Jun 9, 2017 at 8:55 PM
Avatar
DANAG1
  • MEMBER
  • 91 POSTS
Where is the TCM located on the car listed above? The check engine code is PO885 TCM if that will help. Thanks!
Jun 23, 2020 at 5:07 PM (Merged)
Advertisement
Avatar
STRAILER
  • CERTIFIED EXPERT
  • 53,855 POSTS
Hello,

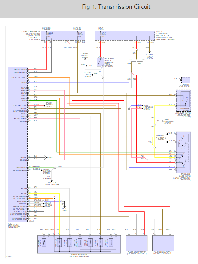
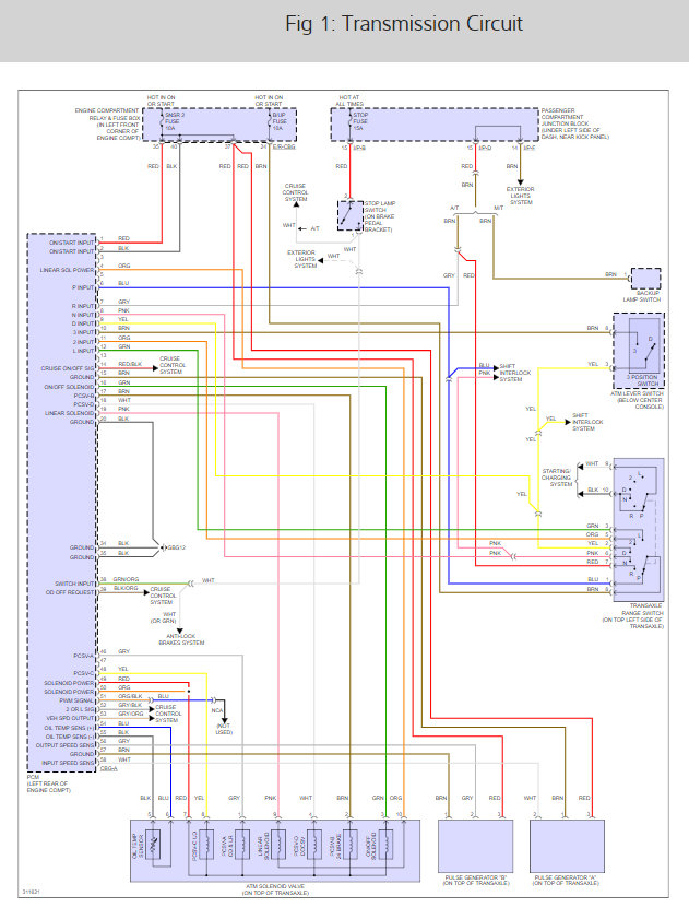
The TCM is the PCM on these cars, it is located under the dash on the drivers side. Here are some diagrams that shows its location. (below) Please let us know if you need anything else to get the problem fixed.
Jun 23, 2020 at 5:07 PM (Merged)
Avatar
DION PARRILL
  • MEMBER
  • 1 POST
Engine light on 2011 Elantra Touring, code U0101; Lost communication with the TCM. Where is the TCM located on this car?
Jun 23, 2020 at 5:07 PM (Merged)
Avatar
STRAILER
  • CERTIFIED EXPERT
  • 53,855 POSTS
The TCM is the PCM. Here is a wiring diagram so you can see how the system works and the location of the ECM (PCM). I would try a used one but you may need to get it programmed for about $130.00.

Check out the diagrams (below).

Please let us know what happens.

Cheers, Ken
Jun 23, 2020 at 5:07 PM (Merged)
Avatar
RANDY BONNER
  • MEMBER
  • 1 POST
Where is the TCM located? A code came up, PO740 and also PO705.
Jun 23, 2020 at 5:07 PM (Merged)
Avatar
STEVE W.
  • CERTIFIED EXPERT
  • 15,113 POSTS
P0705 is the range selector input (aka the park/neutral/ gear position switch on the transmission) If it goes bad or "out of range" the P0740 can set because the TCM does not know what gear the transmission is actually in. Try testing the switch using the diagram below. If it passes check the connector for crud. Those are the two most common problems setting those codes.
Jun 23, 2020 at 5:07 PM (Merged)
Avatar
HMAC300
  • CERTIFIED EXPERT
  • 48,601 POSTS
ID connector has crud on it put dielectric grease on contacts before reinstalling. It keeps water out and gives better contact.
Jun 23, 2020 at 5:07 PM (Merged)