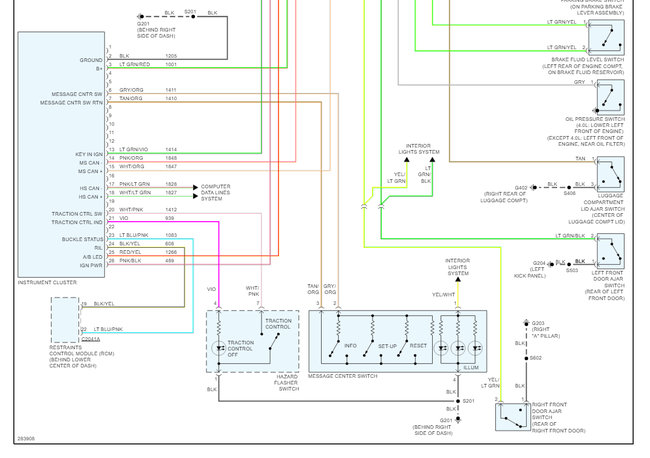
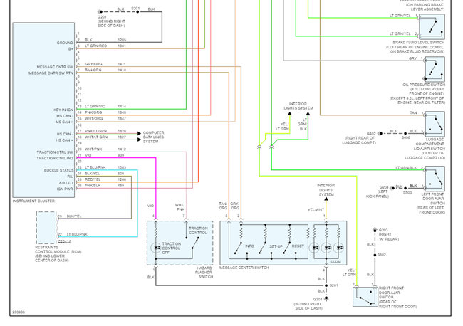
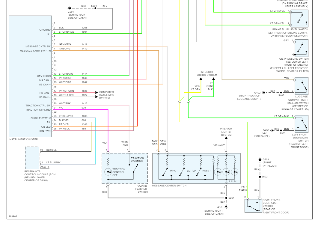
My car runs but the gauges inside of the dash do not work. for example, lights, gas gauge, speedometer, thermoter and the air conditioner is now not working
I need to know if this is a blownfuse so that perhaps I will be able to fix it also where is the fuse located and is it more that 1 fuse. how do i know if the fuse is blown and will i be able to change it myself
I need to know if this is a blownfuse so that perhaps I will be able to fix it also where is the fuse located and is it more that 1 fuse. how do i know if the fuse is blown and will i be able to change it myself
Aug 7, 2013 at 10:02 AM


