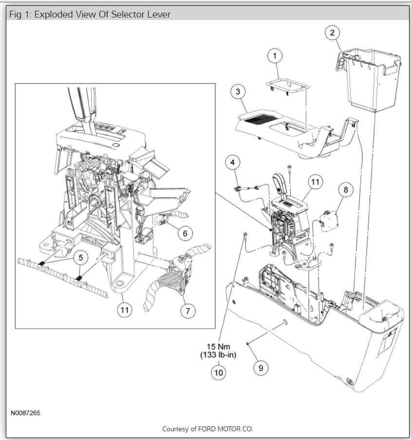
got trim piece off....got storage bin unscrewed...4 screws 2 on each side.. and then i can feel 2 little screws or dowels connecting the storage bin to the center console trim...so i can't access the bulb under the gear shifter to make the gear selector lights illuminate....definitely annoying now that it is dark early
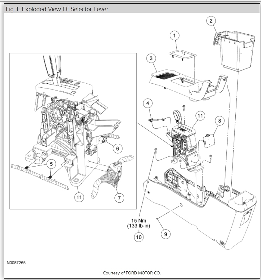
Still flustered because I can't even get to this point yet. First I need to unscrew the storage bin. To access this part.I mean I got the 4 star head phillips screws off. The shape is like this.
Storage bin
(Center console)
Here there are 2 screws or pins I can feel but cant! Really see or get a tool around them to try to unscrew. This is the limiting factor that will allow me to remove console main trim and access under the gear shift box. 2 little screws keeping me from unlatching main trim or at least I think. Anyone know how to get the console trim off. I tried unscrewing the side console screws also but doesn't bend enough for me to get to under the gear shift box to replace this bulb.
Storage bin removed. Inside has two screws on 2 opposing sides.I removed these with the t15 socket phillips head as you suggest. The storage been has a little area just big enough to get my hand into. Where it connects to the center console. Here is the problem this there are what feel to be two little screws or pins/dows connecting the storage bin to the center console.
How do I remove these.I can't visually see the two pins/screws. Tried loosening them with small pliers but no dice.. Once I can get these off I would be able to get my arm and hand to that pesky little bulb to replace.I have a 2009 ford escape xlt if that helps.
Please help
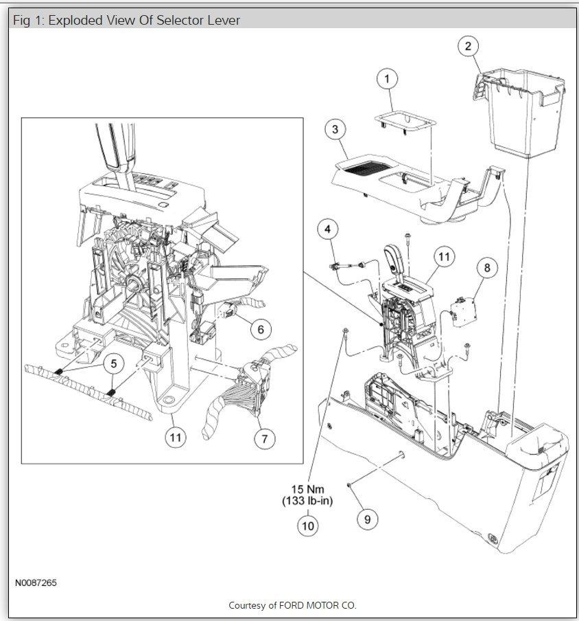
Still flustered because I can't even get to this point yet. First I need to unscrew the storage bin. To access this part.I mean I got the 4 star head phillips screws off. The shape is like this.
Storage bin
(Center console)
Here there are 2 screws or pins I can feel but cant! Really see or get a tool around them to try to unscrew. This is the limiting factor that will allow me to remove console main trim and access under the gear shift box. 2 little screws keeping me from unlatching main trim or at least I think. Anyone know how to get the console trim off. I tried unscrewing the side console screws also but doesn't bend enough for me to get to under the gear shift box to replace this bulb.
Storage bin removed. Inside has two screws on 2 opposing sides.I removed these with the t15 socket phillips head as you suggest. The storage been has a little area just big enough to get my hand into. Where it connects to the center console. Here is the problem this there are what feel to be two little screws or pins/dows connecting the storage bin to the center console.
How do I remove these.I can't visually see the two pins/screws. Tried loosening them with small pliers but no dice.. Once I can get these off I would be able to get my arm and hand to that pesky little bulb to replace.I have a 2009 ford escape xlt if that helps.
Please help
Dec 28, 2011 at 10:41 PM
