Passenger Door Speaker Short?

2009 HYUNDAI ELANTRA
205,000 MILES • 1.6L • 4 CYL • 2WD • AUTOMATIC
Avatar
TMREGER2022
  • MEMBER
  • 7 POSTS
For some reason, the passenger door speaker seems to have a short. It has very little power, but sometimes it will be working fine until I either hit a bump or it just decides to quit. I was looking for ground location diagrams but couldn't find them anywhere. Would I need to replace the whole radio unit or am I correct in thinking it's a loose ground somewhere else in the car? Thanks for any and all help!
Jun 9, 2023 at 2:38 PM
Advertisement
Avatar
CARADIODOC
  • CERTIFIED EXPERT
  • 34,306 POSTS
There's no grounds involved in the speaker circuits, and none of the speaker wire can be allowed to be grounded. There's roughly six volts on every speaker wire. The grounds involved with the radio and the amplifier affect all of the speakers at the same time.

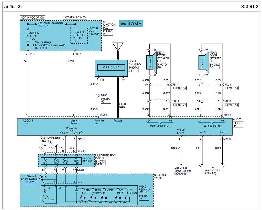
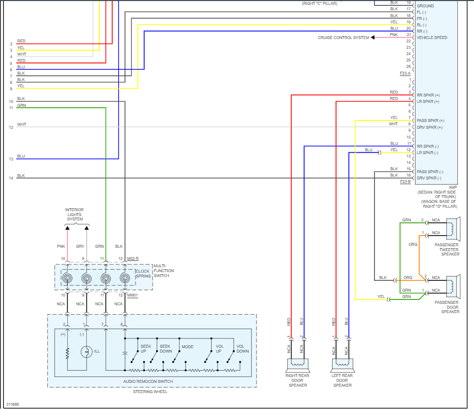
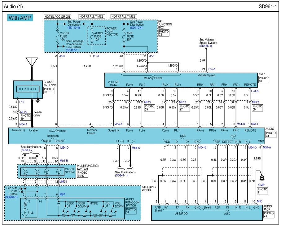
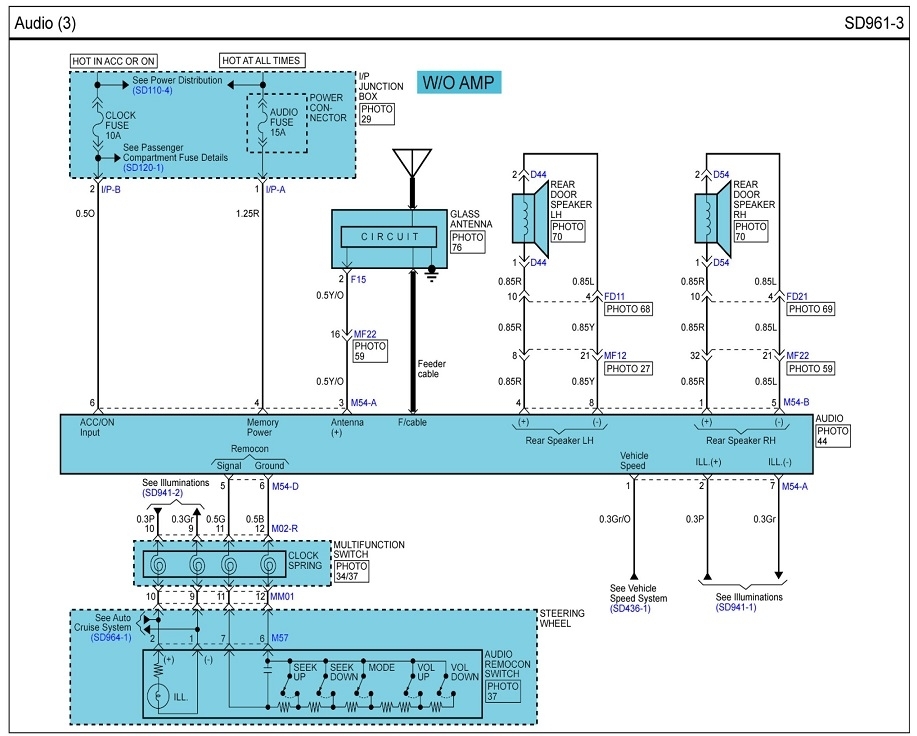
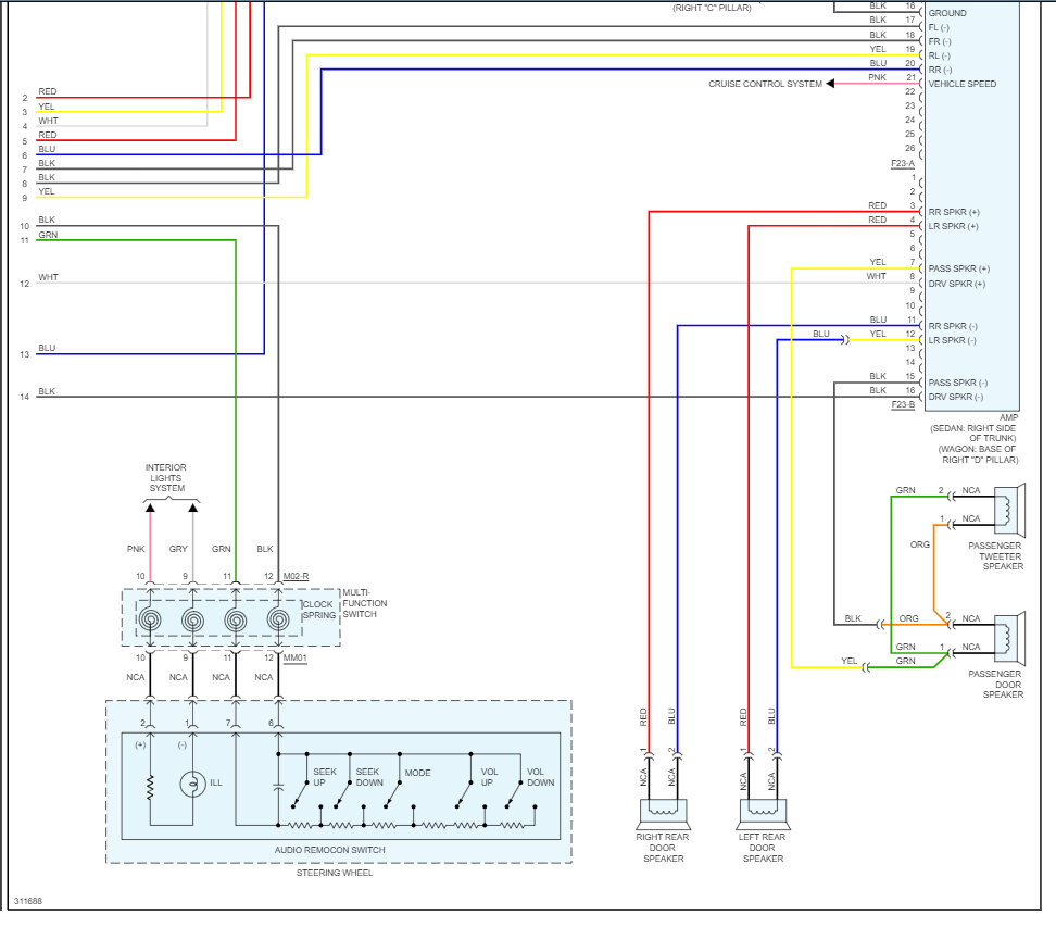
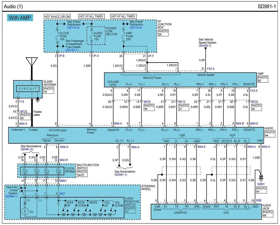
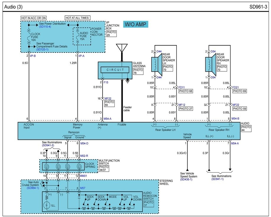
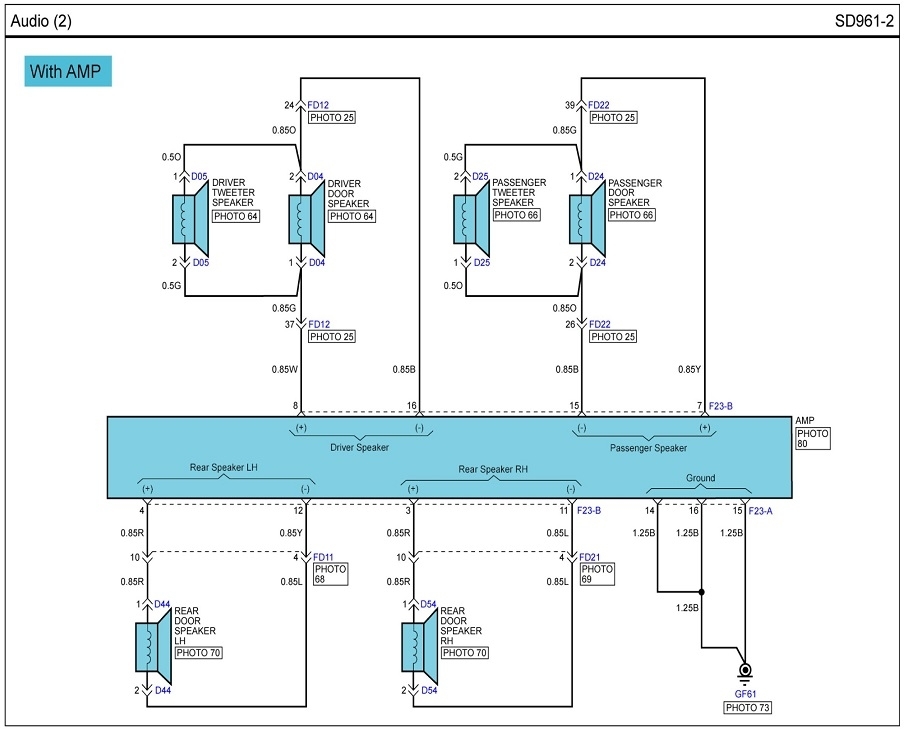
There's two good suspects to start with. One is broken or frayed wires between the door hinges, and the other is a defective speaker. There's two versions of audio system for your model. The first two diagrams below are with a remote amplifier. The next two are for the radio without a separate amplifier. In both cases there's two speakers in the front doors. If there's a wiring problem, it's going to affect both speakers. Try to listen to the tweeter. If it sounds okay, the door wiring is okay. If both speakers are cutting out, slowly open and close the door while the problem is occurring. If you observe changes, we'll need to discuss the wiring repair.

If it looks like the speaker is suspect, the best approach is to switch them side to side, then watch if the one in the driver's door acts up or if it's still the one in the right door. If the speaker moved to the left door acts up, that's pretty definitive it needs to be replaced.

If you have the radio playing while you're unbolting the suspect speaker, another thing to try is rotating and tipping it. Often the angle it's sitting at causes a defect to act up or clear up. Sometime tipping a speaker causes it to start buzzing or popping too.

Let me know what you find.
Jun 9, 2023 at 4:18 PM
Avatar
TMREGER2022
  • MEMBER
  • 7 POSTS
Yeah, I probably should have clarified further. Both the tweeter and main speaker are acting up, but also the cigarette lighter accent light flickers. I did observe that perhaps that cluster might have something to do with the problem, as I run my aux connection a lot and I could jostle it around sometimes to get it to work. That could have been a false observation, but I should have added this information in my original post. I'll try the door thing later this evening and give an update. Thanks for the help!
Jun 11, 2023 at 8:18 AM
Advertisement
Avatar
STRAILER
  • CERTIFIED EXPERT
  • 53,854 POSTS
I have seen a bad AUX cable cause the problems you are having. Can you unplug the cable to see if it changes anything? Also, I have seen the internal amplifier inside the radio go out and cause this issue as well. Let us know what happens and please upload pictures or videos of the problem so we can see what's going on.
Jun 14, 2023 at 11:42 AM
Avatar
TMREGER2022
  • MEMBER
  • 7 POSTS
Yeah, I tried that first, just playing the radio or a CD. I'll try to record a video later showing when I change speaker positions and how it affects the sound. One last thing, I also noticed that when there's too much bass now that only one of the speakers works, it cancels out the sound entirely. Again, I'll try to capture this on video.
Jun 14, 2023 at 1:47 PM
Avatar
STRAILER
  • CERTIFIED EXPERT
  • 53,854 POSTS
It sounds like the radio amplifier is going out. But i would check the connections to the speak as well. Here is a guide to help you test the wiring and the radio wiring diagrams so you can see what wires to test:

https://www.2carpros.com/articles/how-to-check-wiring

Check out the images (below). Please let us know what happens.
Jun 15, 2023 at 12:24 PM