Where is the crankshaft position sensor location, if is a diagram please provide. Thanks in advance.
Sep 22, 2014 at 6:35 PM
Advertisement
JACOBANDNICKOLAS
CERTIFIED EXPERT
110,175 POSTS
Hello,
There are two different locations depending on which engine you have but where is a guide to help you see what you are in for when doing the job with diagrams of how it will be on your car
Check out the diagrams (Below). Please let us know if you need anything else to get the problem fixed.
Cheers
Images (Click to enlarge)
Apr 8, 2019 at 12:44 PM
AUDI SALDANA
MEMBER
1 POST
I need know where is the crank position censor is located. cat turns on and works fine it heats up a little but fans turns on cools down. I turn car off and it wont start again for about twenty minutes.
Jan 27, 2021 at 11:04 AM
(Merged)
Advertisement
HMAC300
CERTIFIED EXPERT
48,601 POSTS
It may be a weak fuel pump scan for codes and check fuel pressure when hot and failing to start.
see picture for crank sensor, but get scanned first auto parts does for free.
Image (Click to enlarge)
Jan 27, 2021 at 11:04 AM
(Merged)
RENEE L
CERTIFIED EXPERT
1,260 POSTS
Hi AUDI,
If you decide to conduct the scan yourself here is a link to an article that features written step by step instructions and pictures explaining how to do the scan yourself, also I have included a link to our YouTube channel with a how to video on code scanning. Most scanners are inexpensive to purchase, you can purchase one online from sites like Amazon.com
Please let us know if you need anything else to get the problem fixed.
Jan 27, 2021 at 11:07 AM
(Merged)
GUITARCAT
MEMBER
1 POST
where is the crank sensor on a 2.2 ecotec malibu classic?
Jan 27, 2021 at 11:07 AM
(Merged)
RASMATAZ
CERTIFIED EXPERT
75,992 POSTS
Here is the location for the crank sensor.
Please let us know what you find.
Jan 27, 2021 at 11:07 AM
(Merged)
H-TOWN
MEMBER
1 POST
about how much should the labor be to replace one a camshaft sensor and two replace a crankshaft sensor
Jan 27, 2021 at 11:08 AM
(Merged)
SERVICE WRITER
CERTIFIED EXPERT
9,123 POSTS
According to Mitchell 1, the book time for the camshaft sensor is 1.3 hours.
And the crankshaft sensor is 1.3 for the 24x and .7 for the 7x.
Multiply the hours times the shop rate and you will get an approximate cost. This is a guide only and the cost can vary from shop to shop and any problems incountered will affect the cost.
Jan 27, 2021 at 11:08 AM
(Merged)
JACKJESSICA
MEMBER
1 POST
Where can i find crankshaft sensor for a 97 Chevy Malibu?
Jan 27, 2021 at 11:08 AM
(Merged)
JACOBANDNICKOLAS
CERTIFIED EXPERT
110,175 POSTS
Hello,
Here is a guide to show you what you are in fo when changing it and the location for you car in the diagrams below.
Check out the diagrams (Below) for both engines. Please let us know if you need anything else to get the problem fixed.
Cheers
Images (Click to enlarge)
Jan 27, 2021 at 11:08 AM
(Merged)
JUNIIR PALACIO PEREZ
MEMBER
9 POSTS
where is sensor A and where sensor b?
Jan 27, 2021 at 11:09 AM
(Merged)
KASEKENNY
CERTIFIED EXPERT
18,907 POSTS
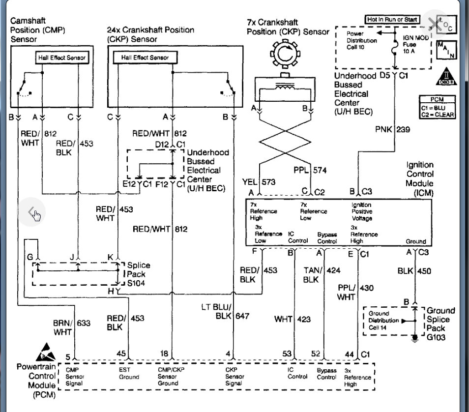
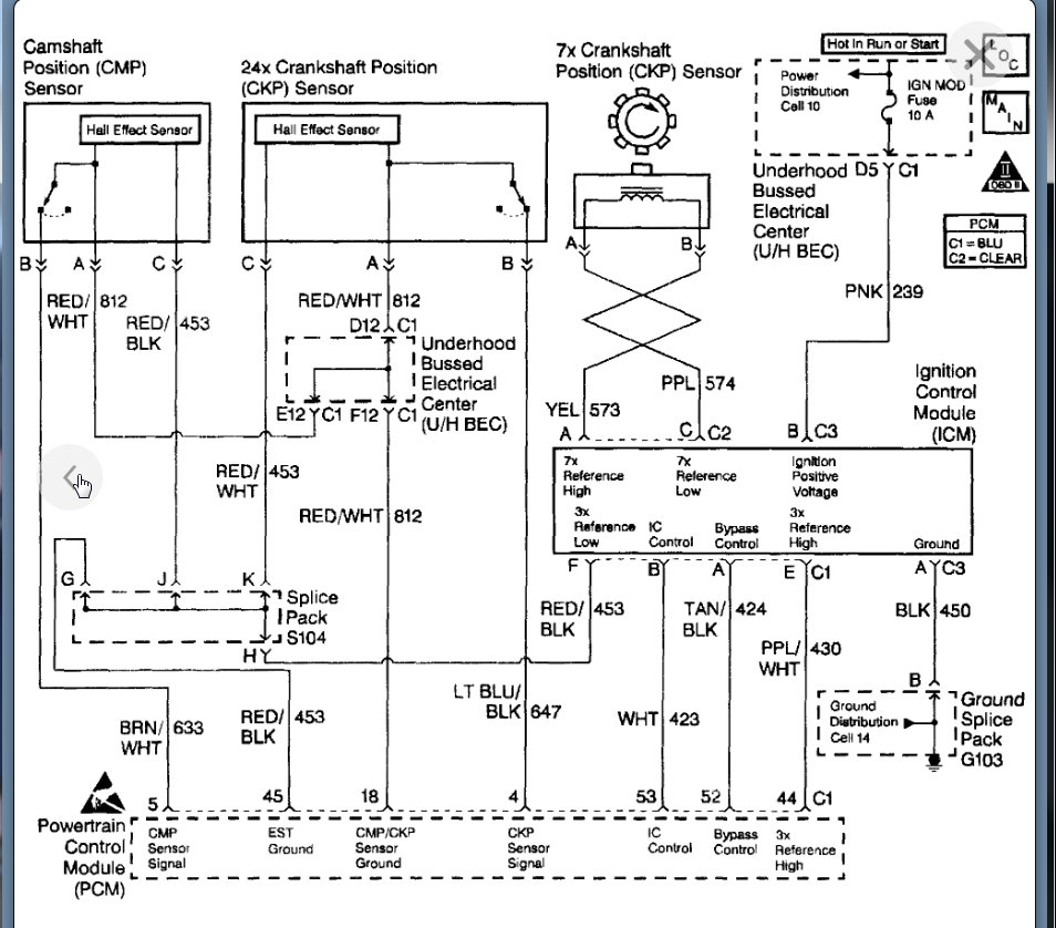
This is a bit of an odd engine in the fact that it has 3 crank sensors. Two external sensors (7x and 24x) and one internal to the PCM.
I have attached all the info about each of these sensors and the locations of the two external sensors.
Let me know if you have more questions. Thanks
Images (Click to enlarge)
Jan 27, 2021 at 11:09 AM
(Merged)
JUNIIR PALACIO PEREZ
MEMBER
9 POSTS
So which is a/b/c?
Jan 27, 2021 at 11:09 AM
(Merged)
KASEKENNY
CERTIFIED EXPERT
18,907 POSTS
They don't list them as A, B, or C. Do you have a code that is pointing you to one of them? If so, what is the DTC and we can figure it out. Thanks
Jan 27, 2021 at 11:09 AM
(Merged)
JUNIIR PALACIO PEREZ
MEMBER
9 POSTS
P0336 Crankshaft Position Sensor A Circuit Range/performance.
Jan 27, 2021 at 11:10 AM
(Merged)
KASEKENNY
CERTIFIED EXPERT
18,907 POSTS
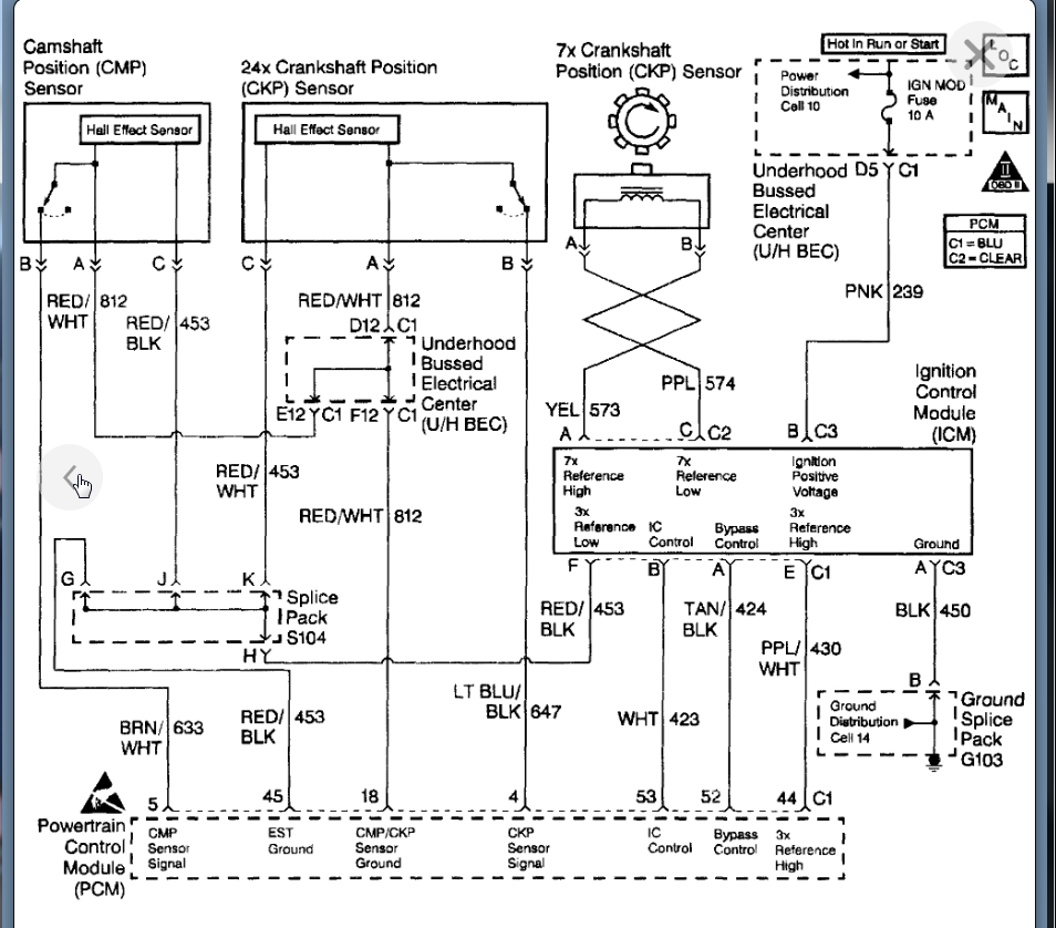
Okay, great. That code is for the 24x sensor. That is the sensor in the traditional position on the crank pulley.
I attached the testing info and location. Let me know if you have questions. Thanks.
Images (Click to enlarge)
Jan 27, 2021 at 11:10 AM
(Merged)
JUNIIR PALACIO PEREZ
MEMBER
9 POSTS
Sweet, thank you. I have one last question concerning small retaining clips to fuel injectors.
Jan 27, 2021 at 11:10 AM
(Merged)
JUNIIR PALACIO PEREZ
MEMBER
9 POSTS
If you sell them.
Jan 27, 2021 at 11:10 AM
(Merged)
KASEKENNY
CERTIFIED EXPERT
18,907 POSTS
You are welcome. Unfortunately we are only here to assist on the technical side and do not sell parts. For this you will need to consult a parts store or an online resource. We can help find them if you are not sure what they are but if you know what you want but just to buy them then you will need to head to the parts store.
Thanks again. Come back next time you need some help. Thanks