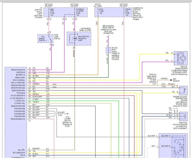
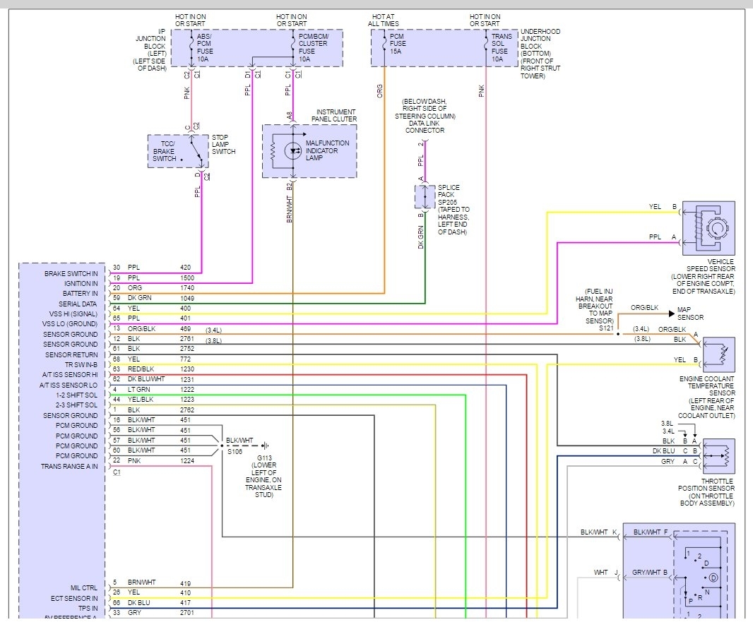
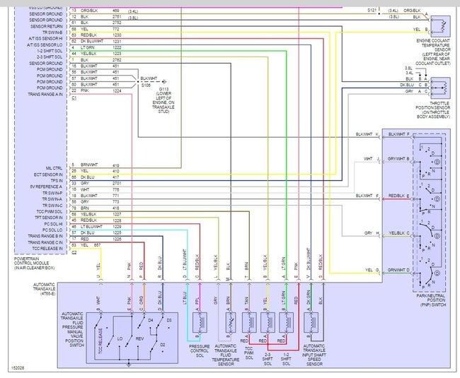
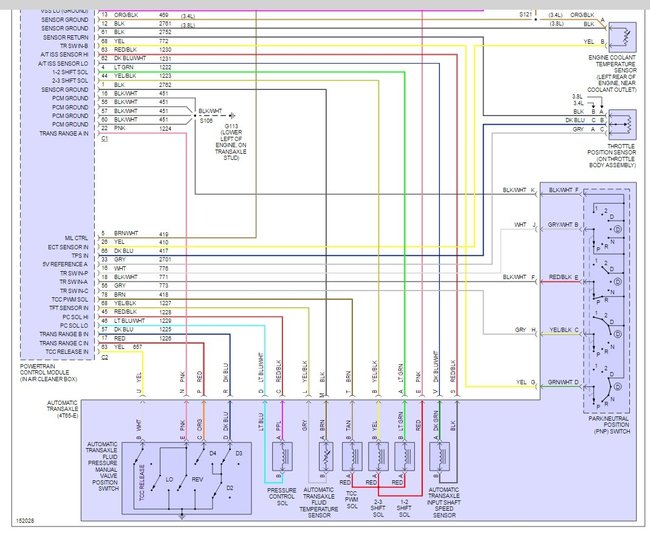
the neutral safety switch is located inside of the transmission right under the gear selector arm here is a wiring diagram so you can test the wiring to help fix the problem with the location of the internal mode switch as they call it below.
Check out the diagrams (Below). Please let us know what you find.
Images (Click to enlarge)
Dec 29, 2016 at 6:19 PM
LYNDA MORRISON WHITE
MEMBER
2 POSTS
Mechanic told me I needed new NSS for no-start issue. Can the NSS be bypassed?
Mar 17, 2021 at 4:06 PM
(Merged)
Advertisement
WRENCHTECH
CERTIFIED EXPERT
20,761 POSTS
No, you cannot bypass it. It controls a lot more than just the starter circuit. It tells the computer what gear it is in so the computer can make decisions.
Mar 17, 2021 at 4:06 PM
(Merged)
LYNDA MORRISON WHITE
MEMBER
2 POSTS
Thank you.
Mar 17, 2021 at 4:06 PM
(Merged)
STEVEN64.GRAINGER
MEMBER
2 POSTS
Where is the neutral safety switch on a 2001 chevrolet impala located? I was told inside the transmission. That the transmission needs to come out to replace it. I'm about 99% sure thats incorrect. So "Help".
Mar 17, 2021 at 4:06 PM
(Merged)
BLUELIGHTNIN6
CERTIFIED EXPERT
16,542 POSTS
The park / neutral position switch is located INSIDE of your vehicle's transaxle and it will require a lot of labor hours to replace.