☰
Login
Join
×
Home
Answered Questions
Repair Topics
Repair & Service Guides
Popular Questions
Warning Lights
Trouble Codes
How It Works
Testing / Diagnostics
Symptoms
Videos
Login
Become a Member
Home
Chevrolet
Impala
Brakes
Pads
Front
What does it take to replace the the front brake pads?
2009 CHEVROLET IMPALA
46,237 MILES • 6 CYL • FWD • AUTOMATIC
RSHERRER
MEMBER
2 POSTS
FOLLOW
What does it take to replace the the front brake pads on my car? I had fault codes but I fixed that now this!
Dec 19, 2010 at 1:51 AM
Advertisement
ASEMASTER6371
CERTIFIED EXPERT
52,796 POSTS
Good afternoon,
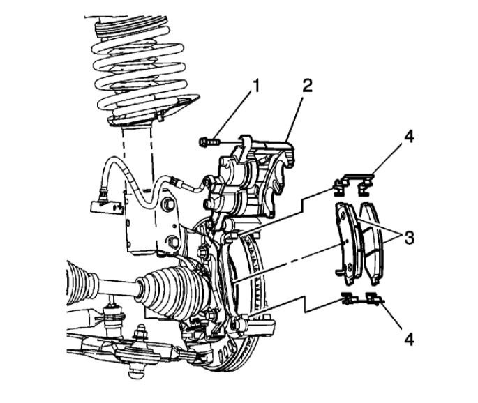
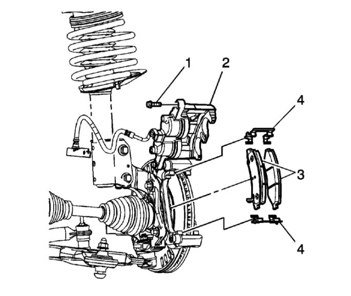
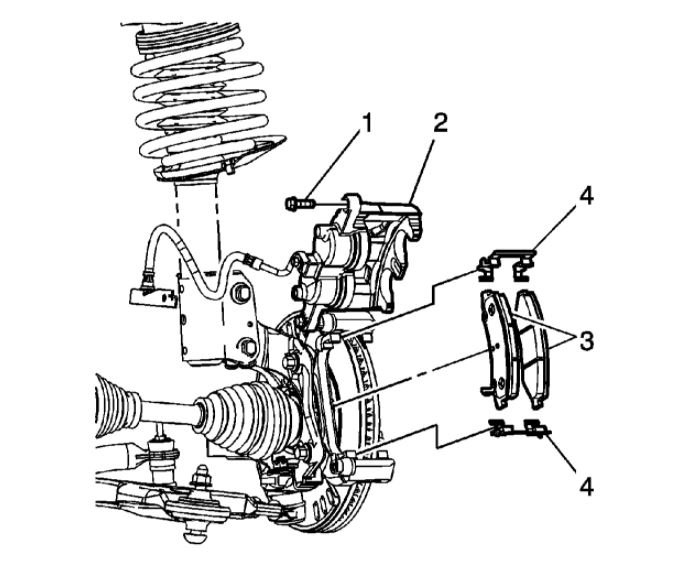
I attached the guide below for you to follow. I also attached the procedure with some pictures.
https://www.2carpros.com/articles/how-to-replace-front-brake-pads-and-rotors-fwd
Roy
Images (Click to enlarge)
Mar 29, 2021 at 12:26 PM