Here is a guide to help you step by step with instructions in the diagrams below to show you how on your car. Check out the diagrams (Below). Please let us know what happens.
https://www.2carpros.com/articles/how-to-replace-a-car-battery
Warning
Do not tip the battery over a 45 degree angle or acid could spill causing serious personal injury.
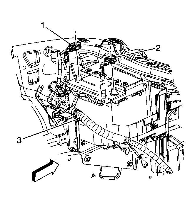
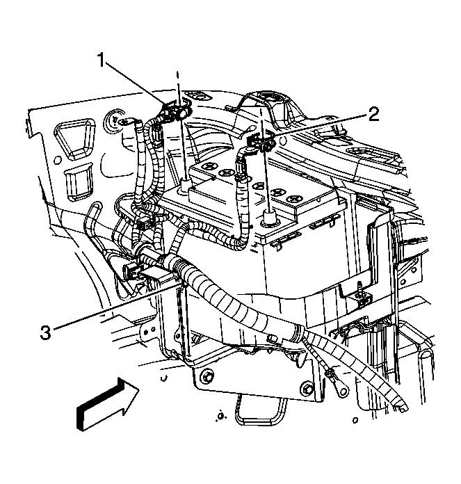
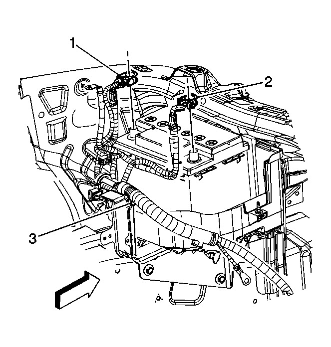
Remove the battery hold down bolt (1) and hold down (2).
Remove the battery.
Installation Procedure
Warning
Do not tip the battery over a 45 degree angle or acid could spill causing serious personal injury.
Install the battery to the battery box.
Caution: Refer to Fastener Caution (See: Service PrecautionsVehicle Damage WarningsFastener Caution).
Install the battery hold down and bolt. Tighten the bolt to 15 Nm (11 lb ft) .
Install the positive battery cable lead (2) to the battery.
Tighten the positive battery cable terminal nut and tighten to 17 Nm (13 lb ft) .
Connect the negative battery cable. Refer to Battery Negative Cable Disconnection and Connection (See: Battery CableService and Repair).
Check out the diagrams (Below). Please let us know what happens.
Images (Click to enlarge)
Jan 14, 2011 at 3:53 AM